LEMON Manuals: Even more car manuals for everyone: 1960-2025
Home >> Mercedes Benz >> 2021 >> GLB250 Base >> Repair and Diagnosis (Single Page) >> Engine Performance >> Engine Control Systems >> Mixture Formation - 247 Chassis >> Wiring Diagrams >> Wiring Diagram For Gasoline Direct Injection System Control Unit >> Wiring Diagram For Gasoline Direct Injection System Control Unit - PE07.08-P-2101-97IDA
April 5, 2026: LEMON Manuals is launched! Read the announcement.

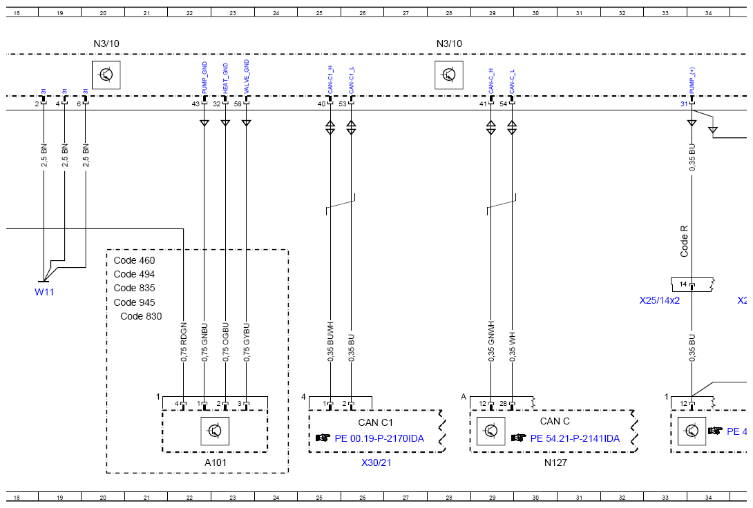
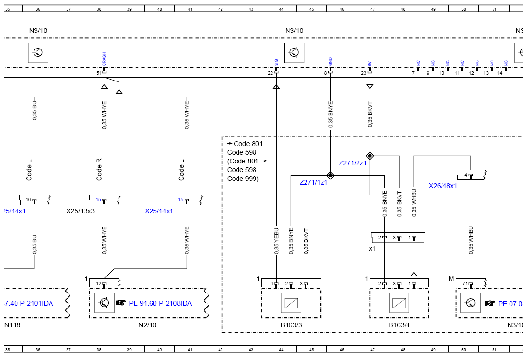
Wiring Diagram For Gasoline Direct Injection System Control Unit - PE07.08-P-2101-97IDA

Engine 260 in model 247 

Control unit N3/10 vehicle connector 

Code: Designation: Position:
A0 Use of wiring diagrams 88L
A101 Fuel tank diagnostic module 22L
B16/3 Gasoline particulate filter differential pressure sensor 44L
B16/4 Temperature sensor upstream of gasoline particulate filter 48L
B16/4x1 Electrical connector for temperature sensor upstream of gasoline particulate filter -
CAN C Engine CAN 30K
CAN C1 Drive train CAN 26K
Code 460 Canada version 20F
Code 494 USA version 20G
Code 598 Gasoline particulate filter (OPF) with sensor system 42E
Code 598 Gasoline particulate filter (OPF) with sensor system 42F
Code 830 Additional parts for China vehicles 20H
Code 835 Additional parts for South Korea vehicles 20G
Code 945 China Stage 6 exhaust treatment 20G
Code 999 Exhaust system with OPF, Generation 3.0 42F
Code L LEFT-HAND DRIVE 36F
Code L LEFT-HAND DRIVE 41F
Code R RIGHT-HAND DRIVE 34F
Code R RIGHT-HAND DRIVE 38F
F15/3 Engine compartment fuse and relay module 8L
F15/3 Engine compartment fuse and relay module 16L
F15/3f27 Fuse 27 14K
F15/3f29 Fuse 29 12K
F15/3f41 Fuse 41 5K
F15/3f69 Fuse 69 7K
N118 Fuel pump control unit 35L
N127 Drivetrain control unit 30L
N/10 Supplemental restraint system control unit 39L
N/10 ME-SFI [ME] control unit 4A
N/10 ME-SFI [ME] control unit 11A
N/10 ME-SFI [ME] control unit 20A
N/10 ME-SFI [ME] control unit 28A
N/10 ME-SFI [ME] control unit 36A
N/10 ME-SFI [ME] control unit 44A
N/10 ME-SFI [ME] control unit 52A
N/10 ME-SFI [ME] control unit 60A
N/10 ME-SFI [ME] control unit 73A
N/10 ME-SFI [ME] control unit 79A
N/10 ME-SFI [ME] control unit 52L
W11 Combustion engine ground point 19G
X2/13x3 Left engine compartment/vehicle interior electrical connector 37G
X2/14x1 Right engine compartment/vehicle interior electrical connector 40G
X2/14x1 Right engine compartment/vehicle interior electrical connector 35G
X2/14x2 Right engine compartment/vehicle interior electrical connector 32G
X2/48x1 Engine wiring harness/engine compartment electrical connector 49F
X3/21 Drive train CAN (CAN C1) potential distributor 26L
Z27/1z1 Gasoline particulate filter sensors ground line end sleeve 45F
Z27/2z1 Gasoline particulate filter sensors supply end sleeve 46F
Z/48z1 Circuit 87M connector sleeve 14F
Z/73z1 Circuit 87M connector sleeve 11F
G14690677Courtesy of MERCEDES-BENZ USA
G14690678Courtesy of MERCEDES-BENZ USA
G14690679Courtesy of MERCEDES-BENZ USA
G14690680Courtesy of MERCEDES-BENZ USA
G14690681Courtesy of MERCEDES-BENZ USA