LEMON Manuals: Even more car manuals for everyone: 1960-2025
Home >> Mercedes Benz >> 2021 >> GLB250 Base >> Repair and Diagnosis (Single Page) >> Engine Performance >> Engine Control Systems >> Mixture Formation - 247 Chassis >> Wiring Diagrams >> Wiring Diagram For Gasoline Direct Injection System Control Unit >> Wiring Diagram For Gasoline Direct Injection System Control Unit - PE07.08-P-2101-97IDB
April 5, 2026: LEMON Manuals is launched! Read the announcement.

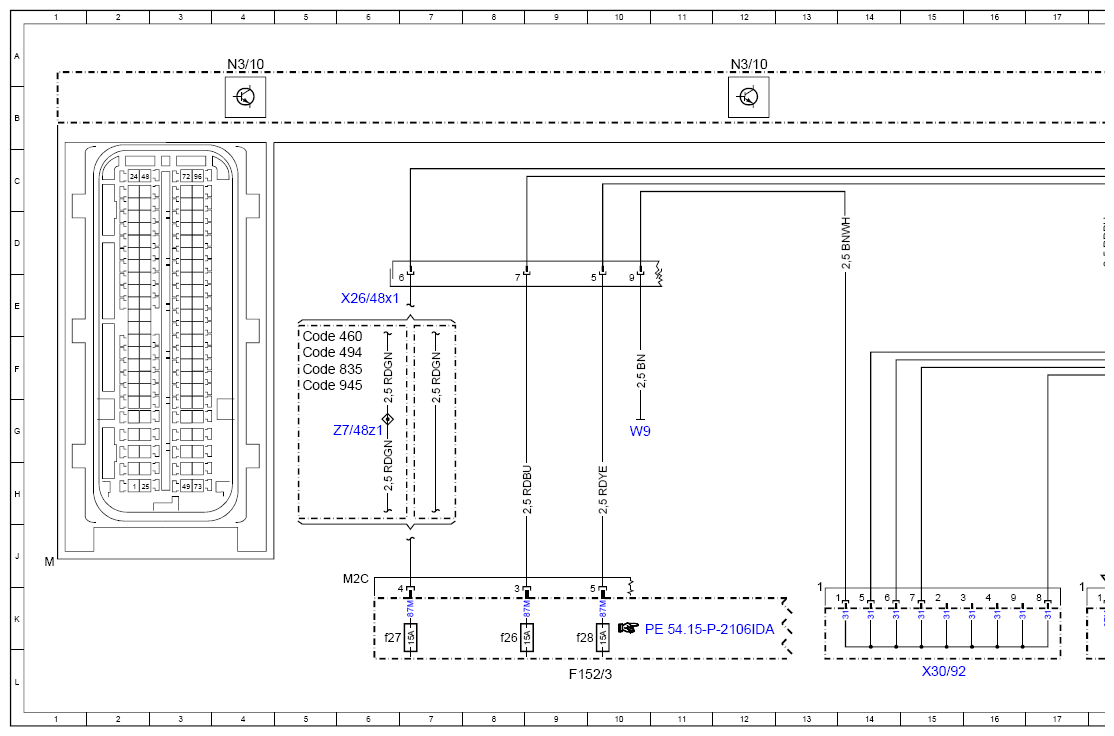
Wiring Diagram For Gasoline Direct Injection System Control Unit - PE07.08-P-2101-97IDB

Engine 260 in model 247 

Control unit N3/10, engine connector 

Code: Designation: Position:
A0 Use of wiring diagrams 144L
A1/1 Knock sensor 1 70L
A1/2 Knock sensor 2 72L
B1/4 Coolant temperature sensor 74L
B16/4 Temperature sensor upstream of gasoline particulate filter 110L
B16/4x1 Electrical connector for temperature sensor upstream of gasoline particulate filter -
B2/11 Pressure sensor downstream of air filter 94L
B2/26 Pressure and temperature sensor upstream of throttle valve 98L
B2/27 Pressure and temperature sensor downstream of throttle valve 96L
B/25 Fuel pressure and temperature sensor 100L
B/4 Purging pressure sensor 103L
B4/6 Engine oil fill level sensor 52L
B/15 Intake camshaft Hall sensor 75L
B/16 Exhaust camshaft Hall sensor 77L
B70 Crankshaft Hall sensor 79L
Code 460 Canada version 5F
Code 460 Canada version 101A
Code 494 USA version 5F
Code 494 USA version 101A
Code 598 Gasoline particulate filter (OPF) with sensor system 107A
Code 598 Gasoline particulate filter (OPF) with sensor system 107B
Code 801 YoM 20/1 108A
Code 801 YoM 20/1 108A
Code 835 Additional parts for South Korea vehicles 5F
Code 835 Additional parts for South Korea vehicles 101B
Code 945 China Stage 6 exhaust treatment 5F
Code 945 China Stage 6 exhaust treatment 101B
Code 961 Exhaust system with OPF, Generation 2.0 107B
Code 999 Exhaust system with OPF, Generation 3.0 107B
F15/3 Engine compartment fuse and relay module 9L
F15/3f26 Fuse 26 8K
F15/3f27 Fuse 27 6K
F15/3f28 Fuse 28 9K
G2 Alternator 85L
G/1 Oxygen sensor downstream of catalytic converter 62L
G/2 Oxygen sensor upstream of catalytic converter 59L
LIN C1 Drive train LIN 85K
M1/6 Throttle valve actuator 81L
M1/7 Boost pressure control flap actuator 92L
N/10 ME-SFI [ME] control unit 125A
N/10 ME-SFI [ME] control unit 130A
N/10 ME-SFI [ME] control unit 4A
N/10 ME-SFI [ME] control unit 12A
N/10 ME-SFI [ME] control unit 20A
N/10 ME-SFI [ME] control unit 28A
N/10 ME-SFI [ME] control unit 36A
N/10 ME-SFI [ME] control unit 44A
N/10 ME-SFI [ME] control unit 61A
N/10 ME-SFI [ME] control unit 68A
N/10 ME-SFI [ME] control unit 76A
N/10 ME-SFI [ME] control unit 90A
N/10 ME-SFI [ME] control unit 99A
N/10 ME-SFI [ME] control unit 106A
N/10 ME-SFI [ME] control unit 116A
N/10 ME-SFI [ME] control unit 52A
N/10 ME-SFI [ME] control unit 84A
R48 Coolant thermostat heating element 57L
S8/15 Vent line contact switch 1 105L
S8/16 Vent line contact switch 2 106L
T/1 Cylinder 1 ignition coil 22L
T/2 Cylinder 2 ignition coil 25L
T/3 Cylinder 3 ignition coil 27L
T/4 Cylinder 4 ignition coil 29L
W/8 Engine ground point 31L
W9 Left front ground point 10G
X2/48x1 Engine wiring harness/engine compartment electrical connector 6E
X2/48x1 Engine wiring harness/engine compartment electrical connector 108F
X2/90x1 Engine wiring harness electrical connector 72G
X3/89 Power supply potential distributor 1 19L
X3/90 Power supply potential distributor 2 37L
X3/91 Power supply potential distributor 3 49L
X3/92 Circuit 31 potential distributor 1 15L
X3/93 Circuit 31 potential distributor 2 33L
Y101 Divert air switchover valve 63L
Y130 Engine oil pump valve 55L
Y4/1 Intake camshaft solenoid 43L
Y4/2 Exhaust camshaft solenoid 45L
Y4/8 Intake camshaft valve lift switching actuator 41L
Y5/1 Purge control valve 54L
Y5/2 Partial load operation crankcase ventilation valve 46L
Y7/1 Cylinder 1 fuel injector 65L
Y7/2 Cylinder 2 fuel injector 66L
Y7/3 Cylinder 3 fuel injector 67L
Y7/4 Cylinder 4 fuel injector 69L
Y94 Quantity control valve 90L
Z/48z1 Circuit 87M connector sleeve 6G
G14690682Courtesy of MERCEDES-BENZ USA
G14690683Courtesy of MERCEDES-BENZ USA
G14690684Courtesy of MERCEDES-BENZ USA
G14690685Courtesy of MERCEDES-BENZ USA
G14690686Courtesy of MERCEDES-BENZ USA
G14690687Courtesy of MERCEDES-BENZ USA
G14690688Courtesy of MERCEDES-BENZ USA
G14690689Courtesy of MERCEDES-BENZ USA
G14690690Courtesy of MERCEDES-BENZ USA