LEMON Manuals: Even more car manuals for everyone: 1960-2025
Home >> Mercedes Benz >> 2021 >> GLB250 Base >> Repair and Diagnosis (Single Page) >> Steering >> Steering Column >> Steering - 247 Chassis >> Wiring Diagrams >> Wiring Diagram For Steering Column Module Control Unit >> Wiring Diagram For Steering Column Module Control Unit - PE46.10-P-2101-97IDA
April 5, 2026: LEMON Manuals is launched! Read the announcement.

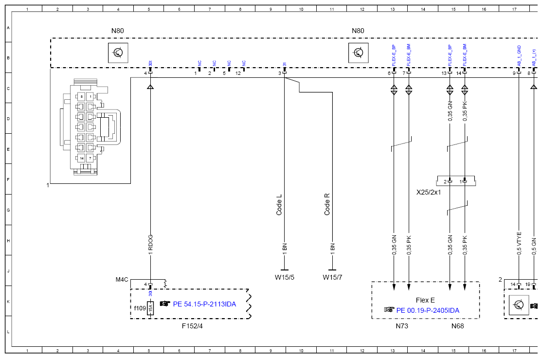
Wiring Diagram For Steering Column Module Control Unit - PE46.10-P-2101-97IDA

Model 247 

Control unit N80 

Code: Designation: Position:
A0 Use of wiring diagrams 104L
Code 426 8G-DCT 44A
Code 429 7G-DCT 44A
Code 443 Steering wheel heater 39A
Code 460 Canada version 18F
Code 460 Canada version 27A
Code 494 USA version 18F
Code 494 USA version 27A
Code L LEFT-HAND DRIVE 9G
Code L LEFT-HAND DRIVE 49L
Code L LEFT-HAND DRIVE 53L
Code L LEFT-HAND DRIVE 92J
Code M139 Inline 4-cylinder SPARK-IGNITION ENGINE M139 - AMG 63E
Code M139 Inline 4-cylinder SPARK-IGNITION ENGINE M139 - AMG 67E
Code R RIGHT-HAND DRIVE 11G
Code R RIGHT-HAND DRIVE 49L
Code R RIGHT-HAND DRIVE 53L
Code R RIGHT-HAND DRIVE 92G
F15/4 Vehicle interior fuse and relay module 6L
F15/4f109 Fuse 109 5K
Flex E Chassis FlexRay 14K
H2 Left fanfare horn 60L
H/1 Right fanfare horn 65L
H/1 Right fanfare horn 69L
N10 Central control module 61A
N135 Steering wheel electronics 88A
N135 Steering wheel electronics 37A
N135 Steering wheel electronics 96A
N135 Steering wheel electronics 45A
N135 Steering wheel electronics 52A
N135 Steering wheel electronics 57A
N/10 Supplemental restraint system control unit 19L
N68 Electrical power steering control unit 15L
N73 Electronic ignition switch control unit 13L
N80 Steering column module control unit 4A
N80 Steering column module control unit 12A
N80 Steering column module control unit 21A
N80 Steering column module control unit 95A
N80 Steering column module control unit 80A
N80 Steering column module control unit 29A
R1/13 Driver airbag squib 1 26L
R1/14 Driver airbag squib 2 28L
R2/4 Steering wheel heater 41L
S11/1 Steering wheel downshift button 44L
S11/1 Steering wheel upshift button 46L
S16/1 Instrument cluster multifunction steering wheel button group 50L
S16/1 Instrument cluster multifunction steering wheel button group 54L
S16/2 Head unit multifunction steering wheel button group 50L
S16/2 Head unit multifunction steering wheel button group 54L
S/2 Horns contact plate 58L
W1/5 Left front footwell ground point 9J
W1/7 Right front footwell ground point 11J
W2 Right front engine compartment ground point 64J
W/1 Ground point (right front wheel well) 67J
W9 Left front ground point 62J
X17/1x1 Vehicle interior/front bumper electrical connector 68G
X2/2x1 Engine compartment/vehicle interior electrical connector 14G
G14690817Courtesy of MERCEDES-BENZ USA
G14690818Courtesy of MERCEDES-BENZ USA
G14690819Courtesy of MERCEDES-BENZ USA
G14690820Courtesy of MERCEDES-BENZ USA
G14690821Courtesy of MERCEDES-BENZ USA
G14690822Courtesy of MERCEDES-BENZ USA