LEMON Manuals: Even more car manuals for everyone: 1960-2025
Home >> Mercedes Benz >> 2021 >> GLS450 >> Repair and Diagnosis (Single Page) >> Steering >> Power Steering >> Steering - 167 Chassis >> Wiring Diagrams >> Wiring Diagram For Steering Column Module Control Unit >> Wiring Diagram For Steering Column Module Control Unit - PE46.10-P-2101-97NCA
April 5, 2026: LEMON Manuals is launched! Read the announcement.

Wiring Diagram For Steering Column Module Control Unit - PE46.10-P-2101-97NCA

Model 167 

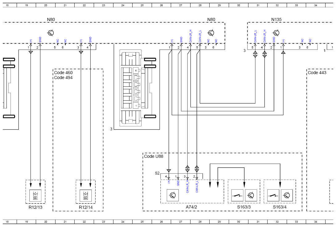
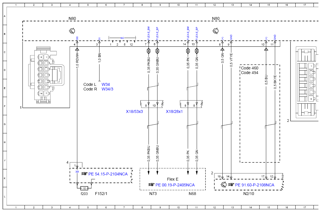
Control unit N80 

Code: Designation: Position:
A0 Use of wiring diagrams 96L
A74/2 Lower multifunction steering wheel button group electric controller unit 27L
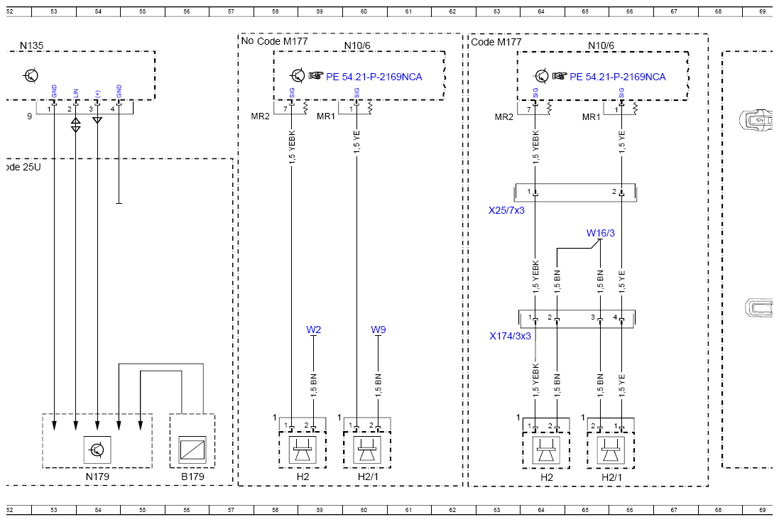
B179 Hand-detection sensor 56L
Code 25U Capacitive steering wheel 52D
Code 443 Steering wheel heater 34D
Code 460 Canada version 13D
Code 460 Canada version 20D
Code 494 USA version 13D
Code 494 USA version 20D
Code L LEFT-HAND DRIVE 41L
Code L LEFT-HAND DRIVE 47L
Code L LEFT-HAND DRIVE 5E
Code M177 V8 SPARK-IGNITION ENGINE M177 - AMG 58A
Code M177 V8 SPARK-IGNITION ENGINE M177 - AMG 62A
Code R RIGHT-HAND DRIVE 41L
Code R RIGHT-HAND DRIVE 47L
Code R RIGHT-HAND DRIVE 5E
Code U88 AMG steering wheel buttons (AMG DRIVE UNIT) 25H
F152/1 Driver-side fuse and relay module 6L
F152/1f203 Fuse 203 5L
Flex E Chassis FlexRay 10K
H2 Left fanfare horn 59L
H2 Left fanfare horn 64L
H2/1 Right fanfare horn 60L
H2/1 Right fanfare horn 65L
N10/6 Front central control unit 60A
N10/6 Front central control unit 65A
N135 Steering wheel electronics 32A
N135 Steering wheel electronics 36A
N135 Steering wheel electronics 44A
N135 Steering wheel electronics 52A
N135 Steering wheel electronics 79A
N135 Steering wheel electronics 86A
N179 Hand detection system control unit 54L
N2/10 Supplemental restraint system control unit 14L
N68 Electrical power steering control unit 11L
N73 Electronic ignition switch control unit 9L
N80 Steering column module control unit 4A
N80 Steering column module control unit 12A
N80 Steering column module control unit 20A
N80 Steering column module control unit 29A
N80 Steering column module control unit 72A
N80 Steering column module control unit 86A
RI 2/13 Driver airbag squib 1 19L
R12/14 Driver airbag squib 2 22L
R22/4 Steering wheel heater 36L
S110/1 Steering wheel downshift button 44L
S111/1 Steering wheel upshift button 51L
S163/1 Instrument cluster multifunction steering wheel button group 42L
S163/1 Instrument cluster multifunction steering wheel button group 48L
S163/2 Head unit multifunction steering wheel button group 48L
S163/2 Head unit multifunction steering wheel button group 42L
S163/3 Lower multifunction steering wheel button group 1 30L
S163/4 Lower multifunction steering wheel button group 2 32L
S4/2 Horns contact plate 38L
W16/3 Left major assembly compartment ground point 65E
W2 Right front ground point at lamp unit 59H
W34 Left footwell ground point 6E
W34/3 Right footwell ground point 6E
W9 Left front ground point (at lamp unit) 60H
X174/3x3 Vehicle interior/front zone electrical connector 63H
X18/28x1 Driver side cockpit/engine compartment electrical connector 10F
X18/53x3 Driver cockpit/interior wiring harness electrical connector 8F
X25/7x3 Engine compartment/interior wiring harness electrical connector 63E
G14792540Courtesy of MERCEDES-BENZ USA
G14792541Courtesy of MERCEDES-BENZ USA
G14792542Courtesy of MERCEDES-BENZ USA
G14792543Courtesy of MERCEDES-BENZ USA
G14792544Courtesy of MERCEDES-BENZ USA
G14792545Courtesy of MERCEDES-BENZ USA