PSM Arithmetic, Example Of PSM Function - GF54.21-S-3055-01TRE
Model 447
With Code ED5 (Parameterisable special module)
Except Code XM7 (MOPF II)
Engine speed, characteristic block
Model 448
With Code ED5 (Parameterisable special module)
Except Code XM7 (MOPF II)
Engine speed, characteristic block
Engine speed function blocks
The engine speed (interior CAN (CAN B): "EngRPM") can be output at one of the pulse-width-modulation-compatible outputs as a pulse-pause-modulated signal where T = 400 μs.
Formula: Pulse [1/s]= constant factor *engine speed [rpm]/ [160
| Value range of constant factor | 1...10 |
| Value range of engine speed | 400 to 16392 rpm |
| Value range of pulse width modulated signal | 6.7 to 2430 pulses/s |
| Fixed pulse width | 400 μs |
As of a pulse frequency of 1250 pulses/s, the cycle duration of the pulse width modulated signal becomes so short that a duty cycle of 50 % is achieved with a pulse length of 400 μs. In order to meet the requirement for a 400 μs pulse length, the duty cycle increases at higher pulse frequencies. If the cycle duration reaches the pulse duration of 400 μs, switch-on is performed without pulse width modulation (PWM) (e.g. K = 10 and rotational speed ≥ 15 15000).
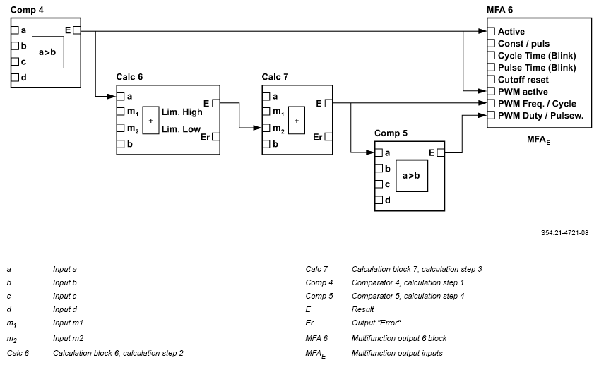
The engine speed function is specified through the programmable logic control (PLC) group, arithmetic unit and the multifunction output (MFA) blocks. The picture shows the simplified function block operation. The configuration is available in the tables.
Function description of implementation
Comparator 4, calculation step 1 (Comp 4):
- Limit valid value range of input signal to 0 to 16392 rpm; for values over 16392 rpm, 0 is output.
Calculation block 6, calculation step 2 (Calc 6):
- Multiply input signal by constant factor (constant 9). Here, the upper limit value ("k*16392") must be recalculated and configured.
Calculation block 7, calculation step 3 (Calc 7):
- Conversion to cycle duration.
Comparator 5, calculation step 4 (Comp 5):
- Limit the maximum cycle duration (Konstante 12 15 →15000 = 400/min). In the case of lower values, the pulse duration (Konstante 11) is output, otherwise 0. sonst 0.
Multifunction output 6 block (MFA 6):
- Outputs the PWM at the output.
| Input | Signal name | Identification number (ID) of signal | Compare operation |
|---|---|---|---|
| Compare_4_a | EngRPM | 0x301B | Input a (a) ≥ Input b (b) |
| Compare_4_b | Out_AU_Const_8 | 0x8047 | |
| Compare_4_c | Const_Bit_0 | 0x1000 | |
| Compare_4_d | EngRPM | 0x301B |
| Input | Signal name | Signal ID | Upper limit value | Lower limit value |
|---|---|---|---|---|
| Calc_6_a | Out_AU_Compare_4 | 0x8027 | 16382 | 0 |
| Calc_6_m1 | Out_AU_Const_9 | 0x8048 | ||
| Calc_6_m2 | Const_Bit_1 | 0x1001 | ||
| Calc_6_b | Const_Bit_0 | 0x1000 |
| Input | Signal name | Signal ID | Upper limit value | Lower limit value |
|---|---|---|---|---|
| Calc_7_a | Const_Bit_1 | 0x1001 | 6000000 | 0 |
| Calc_7_m1 | Out_AU_Const_10 | 0x8049 | ||
| Calc_7_m2 | Out_AU_Calc_6 | 0x8005 | ||
| Calc_7_b | Const_Bit_0 | 0x1000 |
| Input | Signal name | Signal ID | Compare operation |
|---|---|---|---|
| Compare_5_a | Out_AU_Calc_7 | 0x8006 | Input a (a) ≥ Input b (b) |
| Compare_5_b | Out_AU_Const_12 | 0x804B | |
| Compare_5_c | Const_Bit_0 | 0x1000 | |
| Compare_5_d | Out_AU_Const_11 | 0x804A |
| Constants | Arithmetic unit | Meaning |
|---|---|---|
| Konstante 8 | 16382 | Maximum rpm of interior CAN (CAN B) signal |
| Konstante 9 | 1 | Constant factor |
| Konstante 10 | 6000000 | Factor for converting revolutions to cycle duration |
| Konstante 11 | 40 | Pulse duration in 10 μs |
| Konstante 12 | 15000 | Maximum cycle duration |
| 1A High-Side, PWM | F1 | F2 | F3 | F4 | F5 | F6 | F7 | F8 | F9 | F10 | F11 | F12 | F13 | F14 | F15 | F16 | Signal name | Signal ID | MFA 6 | - | |
|---|---|---|---|---|---|---|---|---|---|---|---|---|---|---|---|---|---|---|---|---|---|
| MFA6_Eingang1 (active) | 0 | 0 | 0 | 0 | 0 | 0 | 0 | 0 | 0 | 0 | 0 | 0 | 0 | 0 | 0 | 0 | Out_AU_Com-pare_4 | 0x8027 | - | Model | Output (1) |
| MFA6_Eingang2 (const/pulse) | - | - | - | - | - | - | - | - | - | - | - | - | - | - | - | - | Const_Bit_0 | 0x1000 | Reactivation attempts | 1 | |
| MFA6_Eingang3 (CutOff reset) | - | - | - | - | - | - | - | - | - | - | - | - | - | - | - | - | Term15_Actv | 0x1219 | PWM type | Time (1) | |
| MFA6_Eingang4 (cycle time) | - | - | - | - | - | - | - | - | - | - | - | - | - | - | - | - | Const_Bit_0 | 0x1000 | - | ||
| MFA6_Eingang5 (pulse time) | - | - | - | - | - | - | - | - | - | - | - | - | - | - | - | - | Const_Bit_0 | 0x1000 | |||
| MFA6_Eingang6 (PWM active) | - | - | - | - | - | - | - | - | - | - | - | - | - | - | - | - | Out_AU_Com-pare_4 | 0x8027 | |||
| MFA6_Eingang7 (PWM cycle) | - | - | - | - | - | - | - | - | - | - | - | - | - | - | - | - | Out_AU_Calc_7 | 0x8006 | |||
| MFA6_Eingang8 (PWM duty) | - | - | - | - | - | - | - | - | - | - | - | - | - | - | - | - | Out_AU_Com-pare_5 | 0x8028 | |||