PSM Arithmetic, Example Of PSM Function - GF54.21-S-3055-01TRD
Model 447
With Code ED5 (Parameterisable special module)
Except Code XM7 (MOPF II)
Terminal 58D, comparison block
Model 448
With Code ED5 (Parameterisable special module)
Except Code XM7 (MOPF II)
Terminal 58D, comparison block
Function blocks for terminal 58D
The terminal 58D (interior CAN (CAN B): "SwillLvl") can be output at one of the pulse width modulation-capable outputs.
| Value range | 0...100 % |
| Frequency | 500 Hz |
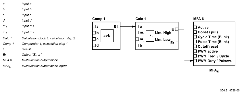
The terminal 58D function is realized through the group of programmable logic controller (PLC), arithmetic unit and multifunction output blocks. The picture shows the simplified function block operation. The configuration is available in the tables.
Function description of implementation
Comparator 1, calculation step 1 (Comp 1):
- Limit valid value range of input signal to 0 to 100 to 100%; for values above 100, 0 is output as the result.ber 100 wird 0
Calculation block 1, calculation step 2 (Calc 1):
- Calculate duty cycle
Multifunction output block (MFA 6):
- Outputs the pulse width modulation (PWM) value at the output.
Signal identification number = Signal ID.
The signal IDs are notated in hexadecimal form.
| Input | Signal name | Signal ID | Compare operation |
|---|---|---|---|
| Compare_1_a | Out_AU_Const_2 | 0x8041 | Input a (a) ≥ Input b (b) |
| Compare_1_b | SwillLvl | 0x2022 | |
| Compare_1_c | SwillLvl | 0x2022 | |
| Compare_1_d | Const_Bit_0 | 0x1000 |
| Input | Signal name | Signal ID | Upper limit value | Lower limit value |
|---|---|---|---|---|
| Calc_1_a | Out_AU_Compare_1 | 0x8024 | 1000 | 0 |
| Calc_1_m1 | Out_AU_Const_2 | 0x8041 | ||
| Calc_1_m2 | Const_Bit_1 | 0x1001 | ||
| Calc_1_d | Const_Bit_0 | 0x1000 |
| Constants | Arithmetic unit | Meaning |
|---|---|---|
| Konstante 1 | 5000 | Frequency |
| Konstante 2 | 100 | Valid maximum value of interior CAN (CAN B) signal |
| MFA 6, 1A high-side, PWM | F1 | F2 | F3 | F4 | F5 | F6 | F7 | F8 | F9 | F10 | F11 | F12 | F13 | F14 | F15 | F16 | Signal name | Signal ID | Multifunction output block | ||
|---|---|---|---|---|---|---|---|---|---|---|---|---|---|---|---|---|---|---|---|---|---|
| MFA6_Eingang1 (active) | 0 | 0 | 0 | 0 | 0 | 0 | 0 | 0 | 0 | 0 | 0 | 0 | 0 | 0 | 0 | 0 | Out_AU_Calc_1 | 0x8000 | - | Model | Output (1) |
| MFA6_Eingang2 (const/pulse) | - | - | - | - | - | - | - | - | - | - | - | - | - | - | - | - | Const_Bit_0 | 0x1000 | Reactivation attempts | 1 | |
| MFA6_Eingang3 (CutOffReset) | - | - | - | - | - | - | - | - | - | - | - | - | - | - | - | - | Term15_Actv | 0x1219 | PWM type | Frequency (0) | |
| MFA6_Eingang4 (cycle time) | - | - | - | - | - | - | - | - | - | - | - | - | - | - | - | - | Const_Bit_0 | 0x1000 | - | ||
| MFA6_Eingang5 (pulse time) | - | - | - | - | - | - | - | - | - | - | - | - | - | - | - | - | Const_Bit_0 | 0x1000 | |||
| MFA6_Eingang6 (PWM active) | - | - | - | - | - | - | - | - | - | - | - | - | - | - | - | - | Out_AU_Calc_1 | 0x8000 | |||
| MFA6_Eingang7 (PWM period) | - | - | - | - | - | - | - | - | - | - | - | - | - | - | - | - | Out_AU_Const_1 | 0x8040 | |||
| MFA6_Eingang8 (PWM duty) | - | - | - | - | - | - | - | - | - | - | - | - | - | - | - | - | Out_AU_Calc_1 | 0x8000 | |||