PSM Arithmetic, Example Of PSM Function - GF54.21-D-3055-01TSK
Model 447, 448
with code ED5 (Parameterisable special module)
with code XM7 (MOPF II)
Engine speed, characteristic block
Model 907, 910
with code ED5 (Parameterisable special module)
with code XJ4 (Modification year G4-I)
Engine speed, characteristic block
Engine speed function blocks
The engine speed (interior CAN (CAN B): "EngRPM") can be output at one of the pulse-width-modulation-compatible outputs as a pulse-pause modulated signal with T = 400 μs.
Formula: Pulse [1/s] = Constants factor * Engine speed [rpm]/Motordrehzahl [160
| Value range of constant factor | 1 to 10 |
| Value range of engine speed | 400 to 16, 392 rpm |
| Value range of pulse-width-modulated signal | 6.7 to 2, 430 pulses/s |
| Fixed pulse width | 400 μs |
From a pulse frequency of 1, 250 pulses/s, the cycle duration of the pulse-width-modulated signal is so small that a duty cycle of 50% is reached with a pulse length of 400 μs. In order to meet the requirement for a 400 μs pulse length, the duty cycle increases at higher pulse frequencies. If the cycle duration reaches the pulse duration of 400 μs, switch-on takes place without pulse width modulation (PWM) (e.g. K = 10 and rpm ≥ 15, 000). 15.000
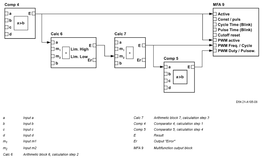
The engine speed function is specified through the programmable logic control (PLC) group, arithmetic unit and the multifunction output (MFA) blocks. The picture shows the simplified function block operation. The configuration is available in the tables.
Function description of implementation
Comparator 4, calculation step 1 (Comp 4):
- Limit valid value range of input signal to 0 to 16 392 rpm; 0 is output for values over 16, 392 rpm.
Arithmetic block 6, calculation step 2 (Calc 6):
- Multiply input signal by constant factor (constant 9). Here, the upper limit value ("k*16, 392") must be recalculated and configured.
Arithmetic block 7, calculation step 3 (Calc 7):
- Conversion to cycle duration.
Comparator 5, calculation step 4 (Comp 5):
- Limitation of maximum cycle duration
(Constants 12 →15, 000 =Konstante 12 15.000 400 rpm). For smaller values, the pulse duration (Constants 11) is output, otherwise 0. Konstante 11 sonst 0.
Multifunction output block (MFA 9):
- Outputs the PWM at the output.
| Input | Signal name | Identification number (ID) of signal | Compare operation |
|---|---|---|---|
| Compare_4_a | EngRPM | 0x3051 | Input a (a) ≥ Input b (b) |
| Compare_4_b | AU_Const_8 | 0xF03F | |
| Compare_4_c | Const_Bit_0 | 0x1000 | |
| Compare_4_d | EngRPM | 0x3051 |
| Input | Signal name | Signal ID | Upper limit value | Lower limit value |
|---|---|---|---|---|
| Calc_6_a | AU_Compare_4 | 0xF02B | 16, 382 | 0 |
| Calc_6_m1 | AU_Const_9 | 0xF040 | ||
| Calc_6_m2 | Const_Bit_1 | 0x1001 | ||
| Calc_6_b | Const_Bit_0 | 0x1000 |
| Input | Signal name | Signal ID | Upper limit value | Lower limit value |
|---|---|---|---|---|
| Calc_7_a | Const_Bit_1 | 0x1001 | 6, 000, 000 | 0 |
| Calc_7_m1 | AU_Const_10 | 0xF041 | ||
| Calc_7_m2 | AU_Calc_6 | 0xF005 | ||
| Calc_7_b | Const_Bit_0 | 0x1000 |
| Input | Signal name | Signal ID | Compare operation |
|---|---|---|---|
| Compare_5_a | AU_Calc_7 | 0xF006 | Input a (a) ≥ Input b (b) |
| Compare_5_b | AU_Const_12 | 0xF043 | |
| Compare_5_c | Const_Bit_0 | 0x1000 | |
| Compare_5_d | AU_Const_11 | 0xF042 |
| Constants | Arithmetic unit | Meaning |
|---|---|---|
| Konstante 8 | 16, 382 | Maximum rpm of interior CAN (CAN B) signal |
| Konstante 9 | 1 | Constant factor |
| Konstante 10 | 6, 000, 000 | Factor for converting revolutions to cycle duration |
| Konstante 11 | 40 | Pulse duration in 10 μs |
| Konstante 12 | 15, 000 | Maximum cycle duration |
| 1A high-side, PWM | F 1 | F 2 | F 3 | F 4 | F 5 | F 6 | F 7 | F 8 | F 9 | F 10 | F 11 | F 12 | F 13 | F 14 | F 15 | F 16 | Signal name | Signal ID | MFA 9 | - | |
|---|---|---|---|---|---|---|---|---|---|---|---|---|---|---|---|---|---|---|---|---|---|
| MFA9_Eingang1 MFA9_Input1 (Active) | 0 | 0 | 0 | 0 | 0 | 0 | 0 | 0 | 0 | 0 | 0 | 0 | 0 | 0 | 0 | 0 | AU_Compare_4 | 0xF02B | - | Type | Output (1) |
| MFA9_Eingang2 MFA9_Input2 (Const/pulse) | - | - | - | - | - | - | - | - | - | - | - | - | - | - | - | - | Const_Bit_0 | 0x1000 | Reactivation attempts | 1 | |
| MFA9_Eingang3 MFA9_Input3 (CutOff reset) | - | - | - | - | - | - | - | - | - | - | - | - | - | - | - | - | Term15_Actv | 0x1106 | PWM type | Time (1) | |
| MFA9_Eingang4 MFA9_Input4 (Cycle time) | - | - | - | - | - | - | - | - | - | - | - | - | - | - | - | - | Const_Bit_0 | 0x1000 | - | ||
| MFA9_Eingang5 MFA9_Input5 (Pulse time) | - | - | - | - | - | - | - | - | - | - | - | - | - | - | - | - | Const_Bit_0 | 0x1000 | |||
| MFA9_Eingang6 MFA9_Input6 (PWM active) | - | - | - | - | - | - | - | - | - | - | - | - | - | - | - | - | AU_Compare_4 | 0xF02B | |||
| MFA9_Eingang7 MFA9_Input7 (PWM cycle) | - | - | - | - | - | - | - | - | - | - | - | - | - | - | - | - | AU_Calc_7 | 0xF006 | |||
| MFA9_Eingang8 MFA9_Input8 (PWM duty) | - | - | - | - | - | - | - | - | - | - | - | - | - | - | - | - | Out_AU_Compare_5 | 0xF02C | |||