LEMON Manuals: Even more car manuals for everyone: 1960-2025
Home >> Mercedes Benz >> 2021 >> Metris Van Cargo >> Repair and Diagnosis (Single Page) >> Steering >> Steering Control Systems >> Steering (2 Of 2) -- 447 Chassis >> Wiring Diagrams >> Wiring Diagram For Steering Column Module Control Unit >> Wiring Diagram For Steering Column Module Control Unit - PE46.10-S-2101-97VKA
April 5, 2026: LEMON Manuals is launched! Read the announcement.

Wiring Diagram For Steering Column Module Control Unit - PE46.10-S-2101-97VKA

Model 447, 448 with code XM7 (MOPF II) 

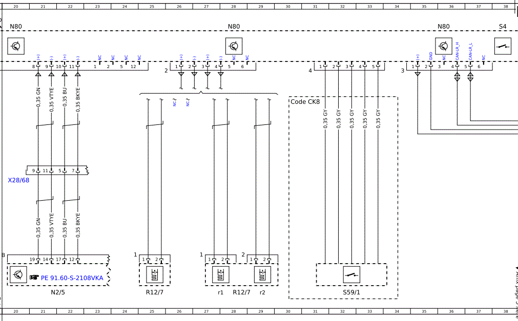
N80 

Code: Designation: Position:
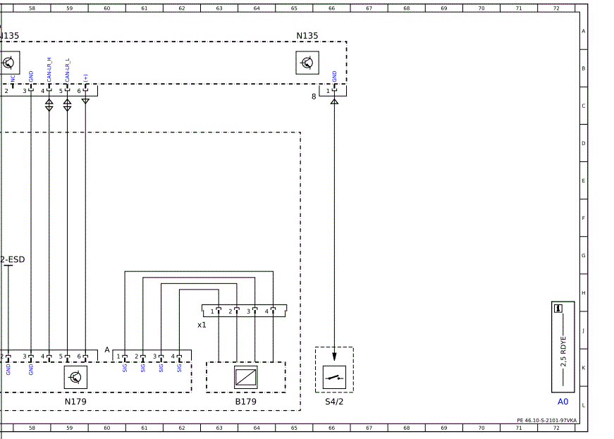
AO Color code key 72L
B179 Hand-detection sensor 64L
B179x1 Hand-detection sensor electrical connector 63J
Code CK8 Steering wheel heater 30D
Code CK8 Steering wheel heater 44D
Code G43 9G-TRONIC 48D
Code JS3 Driver assistance package 56D
F3/6 Cockpit circuit 30/30t fuse box 3L
F3/6f321 Fuse 321 2K
Flex E Chassis FlexRay 8K
Flex E Chassis FlexRay 12K
Flex E Chassis FlexRay 17K
N127 Drivetrain control unit 17L
N135 Steering wheel electronics 42A
N135 Steering wheel electronics 49A
N135 Steering wheel electronics 57A
N135 Steering wheel electronics 65A
N179 Hand detection system control unit 59L
N2/5 Supplemental restraint system (SRS) control unit 21L
N30/4 Electronic Stability Program (ESP) control unit 12L
N73/8 Electronic ignition lock (EZS) control unit 8L
N80 Steering column tube module (MRM) control unit 4A
N80 Steering column tube module (MRM) control unit 28A
N80 Steering column tube module (MRM) control unit 36A
N80 Steering column tube module (MRM) control unit 12A
N80 Steering column tube module (MRM) control unit 20A
R12/7 Driver airbag squib 25L
R12/7 Driver airbag squib 28L
R12/7r1 Driver airbag ignition squib 1 27L
R12/7r2 Driver airbag ignition squib 2 29L
R22/4 Steering wheel heater 46L
5108 Recuperation levels push button switch (-) 50L
S109 Recuperation levels push button switch (+) 51L
S110/1 Steering wheel downshift button 49L
S111/1 Steering wheel upshift button 51L
S16/13 DIRECT SELECT selector lever 39A
5163/1 Instrument cluster multifunction steering wheel button group 53L
S163/2 Head unit multifunction steering wheel button group 55L
S4 Combination switch 38A
54/2 Horns contact plate 66L
559/1 Steering wheel heater switch 32L
U1142 Valid for electric vehicle 48D
W1-ESD Steering wheel ground point - electrostatic discharge 56G
W1/9 Right cockpit ground point 4G
W1/9 Right cockpit ground point 5E
W2-ESD Steering wheel ground point - electrostatic discharge 57G
X18/81x1 Left cockpit/main wiring harness electrical connector 1 11G
X18/81x1 Left cockpit/main wiring harness electrical connector 1 16G
X28/68 Cockpit/airbag electrical connector 20G
Z6/186 Cockpit ground connection connector sleeve 2 3E
G00659529Courtesy of MERCEDES-BENZ USA
G00659530Courtesy of MERCEDES-BENZ USA
G00659531Courtesy of MERCEDES-BENZ USA
G00659532Courtesy of MERCEDES-BENZ USA