LEMON Manuals: Even more car manuals for everyone: 1960-2025
Home >> Mercedes Benz >> 2021 >> Metris Van Cargo >> Repair and Diagnosis (Single Page) >> Steering >> Steering Control Systems >> Steering (2 Of 2) -- 447 Chassis >> Wiring Diagrams >> Wiring Diagram For Steering Column Module Control Unit >> Wiring Diagram For Steering Column Module Control Unit - PE46.10-S-2101-97VLA
April 5, 2026: LEMON Manuals is launched! Read the announcement.

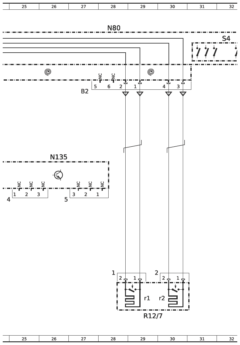
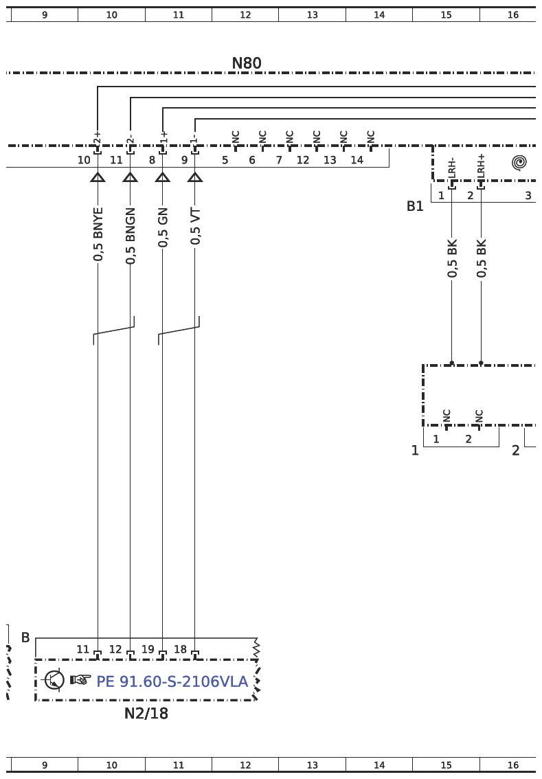
Wiring Diagram For Steering Column Module Control Unit - PE46.10-S-2101-97VLA

Model 447.6 with code ZL3 (National version for Latin America) except code M8E (Electric motor 85 kW/battery 60 kWh (usable)) except code ME0 (Electric motor 85 kW) except code XM0 (Facelift) except code XM7 (MOPF II) N80 

Model 447.7 with code ZL3 (National version for Latin America) except code M7E (Electric motor 150 kW/battery 60 kWh (usable)) except code ME0 (Electric motor 85 kW) except code ME4 (Electric motor 145 kW) except code XM0 (Facelift) except code XM7 (MOPF II) N80 

Code: Designation: Position:
A0 Color code key 48L
CAN E Chassis CAN 7K
K40/11 Firewall fuse and relay module 3L
K40/11f49 Fuse 49 2L
M99 Steering wheel vibration motor 23L
N135 Steering wheel electronics 18F
N135 Steering wheel electronics 26F
N2/18 Supplemental restraint system (SRS) control unit 10L
N80 Steering column tube module (MRM) control unit 4A
N80 Steering column tube module (MRM) control unit 12A
N80 Steering column tube module (MRM) control unit 20A
N80 Steering column tube module (MRM) control unit 28A
N80 Steering column tube module (MRM) control unit 36A
R12/7 Driver airbag squib 29L
R12/7r1 Driver airbag ignition squib 1 29K
R12/7r2 Driver airbag ignition squib 2 30K
S110 Left multifunction steering wheel button group 18L
S111 Right multifunction steering wheel button group 21L
S16/13 DIRECT SELECT selector lever 39B
S4 Combination switch 32B
S40/4 Cruise control lever 35B
W1/6 Cockpit ground point 4E
X228 Cockpit wiring harness/fuse and relay module electrical connector 1 2G
X30/28 Chassis CAN (CAN E) potential distributor electrical connector 7L
G16501926Courtesy of MERCEDES-BENZ USA
G16501927Courtesy of MERCEDES-BENZ USA
G16501928Courtesy of MERCEDES-BENZ USA
G16501929Courtesy of MERCEDES-BENZ USA
G16501930Courtesy of MERCEDES-BENZ USA
G16501931Courtesy of MERCEDES-BENZ USA