LEMON Manuals: Even more car manuals for everyone: 1960-2025
Home >> Mercedes Benz >> 2021 >> Metris Van Cargo >> Repair and Diagnosis (Single Page) >> Steering >> Steering Control Systems >> Steering (2 Of 2) -- 447 Chassis >> Wiring Diagrams >> Wiring Diagram For Steering Column Module Control Unit >> Wiring Diagram For Steering Column Module Control Unit - PE46.10-S-2101-97VVD
April 5, 2026: LEMON Manuals is launched! Read the announcement.

Wiring Diagram For Steering Column Module Control Unit - PE46.10-S-2101-97VVD

Model 447.6 with code XM0 (Facelift) except code M8E (Electric motor 85 kW/battery 60 kWh (usable)) except code ME0 (Electric motor 85 kW) except code XM7 (MOPF II) N80 

Model 447.7 with code XM0 (Facelift) except code M7E (Electric motor 150 kW/battery 60 kWh (usable)) except code ME0 (Electric motor 85 kW) except code ME4 (Electric motor 145 kW) except code XM7 (MOPF II) N80 

Code: Designation: Position:
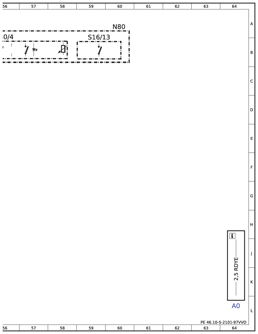
A0 Color code key 64L
CAN E Chassis CAN 13K
Code G42 7G-TRONIC PLUS automatic transmission 45H
Code G43 9G-TRONIC 45H
Code JH4 Communication module (LTE) for ERA-GLONASS 25F
Code JW5 Lane Keeping Assist 6D
Code JW5 Lane Keeping Assist 42H
Code S00 Airbag control unit generation AB12 29F
Code S00 Airbag control unit generation AB12 16F
Code S00 Airbag control unit generation AB12 20F
Code S00 Airbag control unit generation AB12 25F
Code ZU7 Canada version 25G
Code ZU8 USA version 25G
K40/11 Firewall fuse and relay module 3L
K40/11 Firewall fuse and relay module 8L
K40/11f30 Fuse 30 7L
K40/11f49 Fuse 49 2L
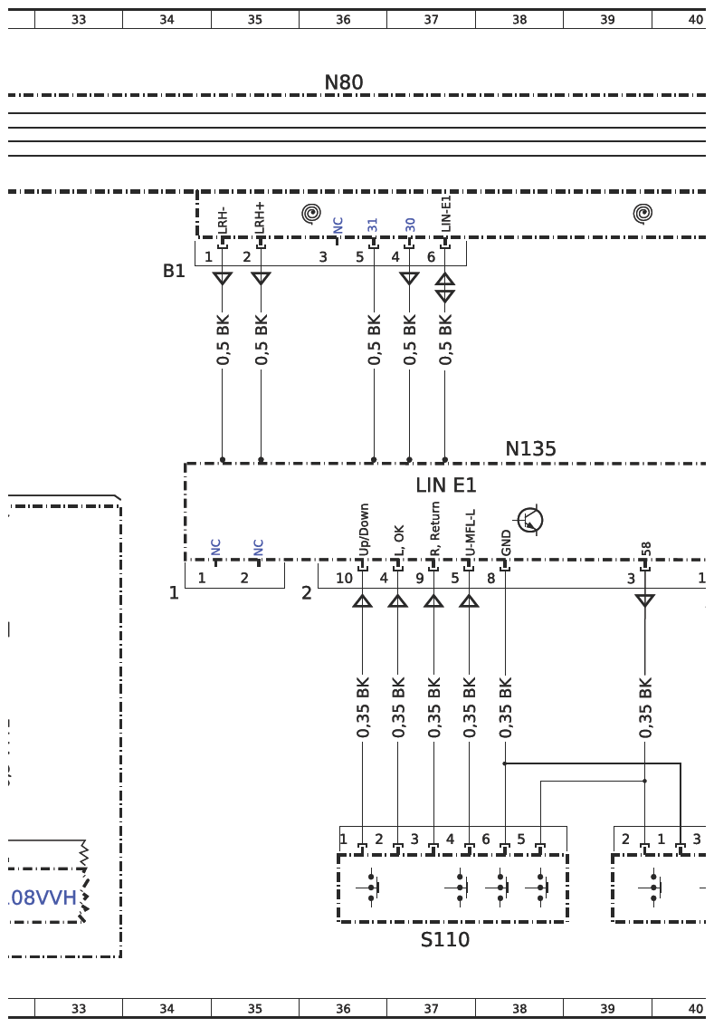
LIN E1 Steering LIN 37F
M99 Steering wheel vibration motor 44L
N135 Steering wheel electronics 38E
N135 Steering wheel electronics 47E
N2/18 Supplemental restraint system (SRS) control unit 18L
N2/18 Supplemental restraint system (SRS) control unit 22L
N2/18 Supplemental restraint system (SRS) control unit 27L
N2/19 Supplemental restraint system (SRS) control unit 31L
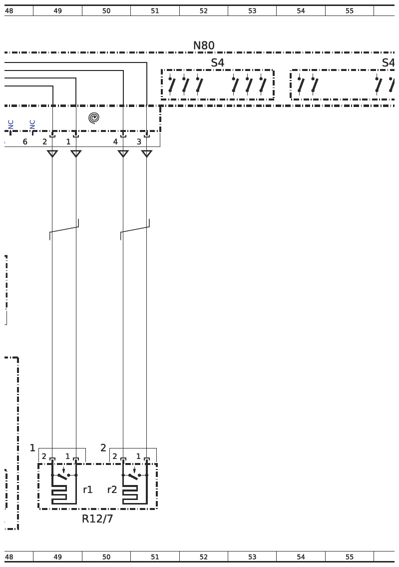
N80 Steering column tube module (MRM) control unit 4A
N80 Steering column tube module (MRM) control unit 12A
N80 Steering column tube module (MRM) control unit 20A
N80 Steering column tube module (MRM) control unit 28A
N80 Steering column tube module (MRM) control unit 36A
N80 Steering column tube module (MRM) control unit 44A
N80 Steering column tube module (MRM) control unit 52A
N80 Steering column tube module (MRM) control unit 60A
R12/7 Driver airbag squib 50L
R12/7r1 Driver airbag ignition squib 1 50K
R12/7r2 Driver airbag ignition squib 2 50K
S110 Left multifunction steering wheel button group 37L
S110/1 Steering wheel downshift button 47L
S111 Right multifunction steering wheel button group 40L
S111/1 Steering wheel upshift button 46L
S16/13 DIRECT SELECT selector lever 59B
S4 Combination switch 52B
S40/4 Cruise control lever 56B
W1/9 Right cockpit ground point 9E
W1/9 Right cockpit ground point 11E
X228/1x1 Front passenger cockpit wiring harness/fuse and relay module electrical connector 1F
X228/1x3 Cockpit wiring harness/fuse and relay module electrical connector 3 6F
X314 Chassis CAN (CAN E) potential distributor electrical connector 13L
G16501946Courtesy of MERCEDES-BENZ USA
G16501947Courtesy of MERCEDES-BENZ USA
G16501948Courtesy of MERCEDES-BENZ USA
G16501949Courtesy of MERCEDES-BENZ USA
G16501950Courtesy of MERCEDES-BENZ USA
G16501951Courtesy of MERCEDES-BENZ USA
G16501952Courtesy of MERCEDES-BENZ USA
G16501953Courtesy of MERCEDES-BENZ USA