Wiring Diagram For Gasoline Direct Injection System Control Unit - PE07.08-P-2101-97SEM
Engine 177 in model 217, 222 as of model year 2018 Control unit N3/10, engine side
| Code: | Designation: | Position: |
|---|---|---|
| A0 | Use of wiring diagrams | 121L |
| A16/1 | Knock sensor 1 | 63L |
| A16/2 | Knock sensor 2 | 61L |
| A16/3 | Knock sensor 3 | 67L |
| A16/4 | Knock sensor 4 | 65L |
| B108/1 | Left purge pressure sensor | 13L |
| B108/2 | Right purge pressure sensor | 38L |
| B11/4 | Coolant temperature sensor | 113L |
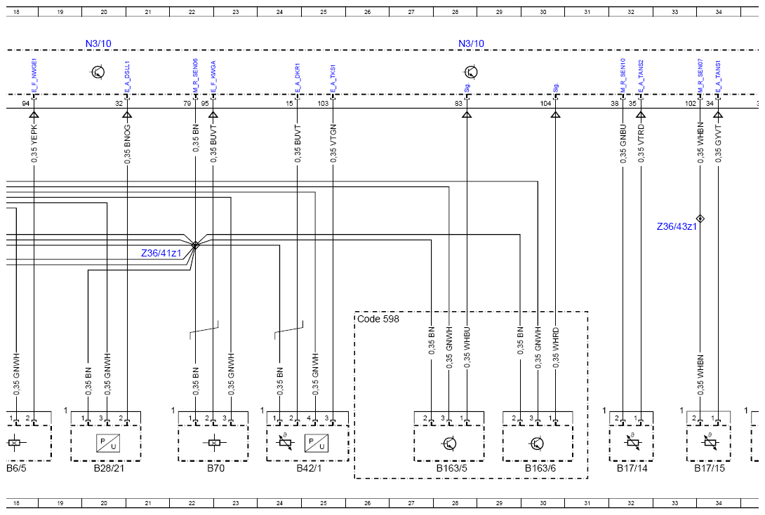
| B163/5 | Left gasoline particulate filter differential pressure sensor | 28L |
| B163/6 | Right gasoline particulate filter differential pressure sensor | 30L |
| B17/14 | Left charge air temperature sensor | 32L |
| B17/15 | Right charge air temperature sensor | 34L |
| B28/20 | Left pressure sensor upstream of throttle valve | 35L |
| B28/21 | Right pressure sensor upstream of throttle valve | 20L |
| B28/22 | Left pressure sensor downstream of throttle valve | 42L |
| B28/23 | Right pressure sensor downstream of throttle valve | 9L |
| B28/4 | Pressure sensor downstream air filter, left cylinder bank | 40L |
| B28/5 | Pressure sensor downstream of air filter, right cylinder bank | 11L |
| B42/1 | Right fuel pressure and temperature sensor | 25L |
| B42/2 | Left fuel pressure and temperature sensor | 44L |
| B6/4 | Left intake camshaft Hall sensor | 49L |
| B6/5 | Right intake camshaft Hall sensor | 18L |
| B6/6 | Left exhaust camshaft Hall sensor | 47L |
| B6/7 | Right exhaust camshaft Hall sensor | 16L |
| B70 | Crankshaft Hall sensor | 22L |
| Code 598 | Gasoline particulate filter (OPF) with sensor system | 26G |
| G2 | Alternator | 58L |
| M16/60 | Left throttle valve actuator | 6L |
| M16/60m1 | Left throttle valve actuator motor | 5L |
| M16/60r1 | Left actual value potentiometer 1 | 7L |
| M16/60r2 | Left actual value potentiometer 2 | 7L |
| M16/61 | Right throttle valve actuator | 2L |
| M16/61m1 | Right throttle valve actuator motor | 2L |
| M16/61r1 | Right actual value potentiometer 1 | 3L |
| M16/61r2 | Right actual value potentiometer 2 | 4L |
| N3/10 | ME-SFI [ME] control unit | 4A |
| N3/10 | ME-SFI [ME] control unit | 12A |
| N3/10 | ME-SFI [ME] control unit | 20A |
| N3/10 | ME-SFI [ME] control unit | 28A |
| N3/10 | ME-SFI [ME] control unit | 36A |
| N3/10 | ME-SFI [ME] control unit | 45A |
| N3/10 | ME-SFI [ME] control unit | 52A |
| N3/10 | ME-SFI [ME] control unit | 61A |
| N3/10 | ME-SFI [ME] control unit | 68A |
| N3/10 | ME-SFI [ME] control unit | 76A |
| N3/10 | ME-SFI [ME] control unit | 85A |
| N3/10 | ME-SFI [ME] control unit | 93A |
| N3/10 | ME-SFI [ME] control unit | 101A |
| N3/10 | ME-SFI [ME] control unit | 109A |
| R4 | Spark plugs | 98L |
| R4 | Spark plugs | 89L |
| R4 | Spark plugs | 86L |
| R4 | Spark plugs | 96L |
| R4 | Spark plugs | 94L |
| R4 | Spark plugs | 91L |
| R4 | Spark plugs | 103L |
| R4 | Spark plugs | 100L |
| R48 | Coolant thermostat heating element | 111L |
| T4 | Cylinder 1+2 ignition coil | 92K |
| T4/1 | Cylinder 3+4 ignition coil | 88K |
| T4/1t3 | Cylinder 3 ignition coil | 86J |
| T4/1t4 | Cylinder 4 ignition coil | 89J |
| T4/2 | Cylinders 5+6 ignition coil | 101K |
| T4/2t5 | Cylinder 5 ignition coil | 103J |
| T4/2t6 | Cylinder 6 ignition coil | 100J |
| T4/3 | Cylinders 7+8 ignition coil | 97K |
| T4/3t7 | Cylinder 7 ignition coil | 98J |
| T4/3t8 | Cylinder 8 ignition coil | 95J |
| T4t1 | Cylinder 1 ignition coil | 91J |
| T4t2 | Cylinder 2 ignition coil | 94J |
| W11/2 | Right combustion engine ground point | 88G |
| W11/3 | Left combustion engine ground point | 98G |
| X257 | Coolant thermostat heating element electrical connector | 110G |
| Y101/1 | Left bypass air switchover valve | 108L |
| Y101/2 | Right bypass air switchover valve | 109L |
| Y130 | Engine oil pump valve | 107L |
| Y16/2 | Heating system shutoff valve | 114L |
| Y49/11 | Cylinder 2 intake CAMTRONIC actuator | 51J |
| Y49/12 | Cylinder 2 exhaust CAMTRONIC actuator | 51J |
| Y49/13 | Cylinder 3 intake CAMTRONIC actuator | 52J |
| Y49/14 | Cylinder 3 exhaust CAMTRONIC actuator | 53J |
| Y49/15 | Cylinder 5 intake CAMTRONIC actuator | 53J |
| Y49/16 | Cylinder 5 exhaust CAMTRONIC actuator | 54J |
| Y49/17 | Cylinder 8 intake CAMTRONIC actuator | 54J |
| Y49/18 | Cylinder 8 exhaust CAMTRONIC actuator | 55J |
| Y49/4 | Left intake camshaft solenoid | 104L |
| Y49/5 | Right intake camshaft solenoid | 82L |
| Y49/6 | Left exhaust camshaft solenoid | 106L |
| Y49/7 | Right exhaust camshaft solenoid | 84L |
| Y76/1 | Cylinder 1 fuel injector | 79L |
| Y76/2 | Cylinder 2 fuel injector | 77L |
| Y76/3 | Cylinder 3 fuel injector | 75L |
| Y76/4 | Cylinder 4 fuel injector | 69L |
| Y76/5 | Cylinder 5 fuel injector | 71L |
| Y76/6 | Cylinder 6 fuel injector | 76L |
| Y76/7 | Cylinder 7 fuel injector | 70L |
| Y76/8 | Cylinder 8 fuel injector | 72L |
| Y77/1 | Boost pressure control pressure transducer | 81L |
| Y94/1 | Left quantity control valve | 73L |
| Y94/2 | Right quantity control valve | 78L |
| Z255/1z1 | Body ground connection connector sleeve | 97F |
| Z255/2z1 | Body ground connection connector sleeve | 93F |
| Z36/41z1 | Ground connection connector sleeve | 21F |
| Z36/42z1 | Ground connection connector sleeve | 41G |
| Z36/43z1 | Ground connection connector sleeve | 112E |
| Z36/43z1 | Ground connection connector sleeve | 33E |
| Z36/45z1 | Voltage supply connector sleeve | 43E |
| Z36/46z1 | Voltage supply connector sleeve | 11E |
| Z7/48z1 | Circuit 87/2 connector sleeve | 87F |
| Z7/73 | Circuit 87 connector sleeve | 109G |
| Z7/75z1 | Circuit 87M3 connector sleeve | 104F |