LEMON Manuals: Even more car manuals for everyone: 1960-2025
Home >> Mercury >> 2001 >> Cougar S >> Repair and Diagnosis >> External Pages >> Different car >> Section 2594 (Module Communications Network) >> Diagnosis And Testing >> Communications Network >> Pinpoint Test C: The IPC Does Not Respond To The Scan Tool >> Pinpoint Test V: The HVAC Module Does Not Respond To The Scan Tool >> Pinpoint Test V: The HVAC Module Does Not Respond To The Scan Tool
April 5, 2026: LEMON Manuals is launched! Read the announcement.

Pinpoint Test V: The HVAC Module Does Not Respond To The Scan Tool

WARNING: This page is about a different car, the 2010 Mercury Milan, 2010 Lincoln MKZ, and 2010 Ford Fusion. However, it is still accessible from the selected car via links, so may be relevant.
NOTE: Use the correct probe adapter(s) when making measurements. Failure to use the correct probe adapter(s) may damage the connector.
NOTE: Failure to disconnect the battery when instructed will result in false resistance readings. Refer to BATTERY, MOUNTING AND CABLES .
  1. V1 CHECK THE HVAC VOLTAGE SUPPLY CIRCUITS FOR AN OPEN 
    • Ignition OFF.
    • Disconnect: HVAC Module C2357a (Manual A/C).
    • Disconnect: HVAC Module C2356a (Dual Automatic Temperature Control (DATC)).
    • Ignition ON.
    • Measure the voltage between the HVAC module C2357a-13 (manual), C228a-13 or C2356a-13 (DATC), circuit SBP15 (WH/RD), harness side and ground.
      Fig 1: Checking HVAC Voltage Supply Circuits For An Open
      G06259013Courtesy of FORD MOTOR CO.
    • Is the voltage greater than 10 volts? 
    • Yes  : GO to  V2.
    • No  : VERIFY Smart Junction Box (SJB) fuse 15 (10A) is OK. If OK, REPAIR the circuit in question. CLEAR the DTCs. REPEAT the network test with the scan tool. If not OK, REFER to the appropriate SYSTEM WIRING DIAGRAMS article to identify the possible causes of the circuit short.
  2. V2 CHECK THE HVAC GROUND CIRCUIT FOR AN OPEN 
    • Ignition OFF.
    • Disconnect: Negative Battery Cable.
    • Measure the resistance between the HVAC module C2357a-23 (manual), C228a-23 or C2356a-23 (DATC), circuit GD116 (BK/VT), harness side and ground.
      Fig 2: Checking HVAC Ground Circuit For An Open
      G06259014Courtesy of FORD MOTOR CO.
    • Is the resistance less than 5 ohms? 
    • Yes  : GO to  V3.
    • No  : REPAIR the circuit. CONNECT the negative battery cable. CLEAR the DTCs. REPEAT the network test with the scan tool.
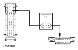
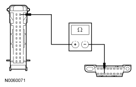
  3. V3 CHECK THE MS-CAN CIRCUITS BETWEEN THE HVAC MODULE AND THE DLC FOR AN OPEN 
    • Measure the resistance between the HVAC module C2357a-25 (manual), C228a-25 or C2356a-25 (DATC), circuit VDB06 (GY/OG), harness side and the Data Link Connector (DLC) C251-3, circuit VDB06 (GY/OG), harness side.
      Fig 3: Checking MS-CAN Circuits Between HVAC Module And DLC For An Open (1 Of 2)
      G06259015Courtesy of FORD MOTOR CO.
    • Measure the resistance between the HVAC module C2357a-26 (manual), C228a-26 or C2356a-26 (DATC), circuit VDB07 (VT/OG), harness side and the DLC  C251-11, circuit VDB07 (VT/OG), harness side.
      Fig 4: Checking MS-CAN Circuits Between HVAC Module And DLC For An Open (2 Of 2)
      G06259016Courtesy of FORD MOTOR CO.
    • Are the resistances less than 5 ohms? 
    • Yes  : CONNECT the negative battery cable. GO to  V4.
    • No  : REPAIR the circuit as necessary. CONNECT the negative battery cable. CLEAR the DTCs. REPEAT the network test with the scan tool.
  4. V4 CHECK FOR CORRECT HVAC MODULE OPERATION