LEMON Manuals: Even more car manuals for everyone: 1960-2025
Home >> Mercury >> 2003 >> Marauder >> Repair and Diagnosis >> External Pages >> Different car >> Section 2475 (Module Communications Network) >> Diagnosis And Testing >> Communications Network >> Pinpoint Tests >> Pinpoint Test L: The DC to DC Converter Control Module (DC/DC) Does Not Respond To The Scan Tool >> Pinpoint Test L: The Dc/Dc Does Not Respond To The Scan Tool
April 5, 2026: LEMON Manuals is launched! Read the announcement.

Pinpoint Test L: The Dc/Dc Does Not Respond To The Scan Tool

WARNING: This page is about a different car, the 2011 Mercury Milan, 2011 Lincoln MKZ, and 2011 Ford Fusion. However, it is still accessible from the selected car via links, so may be relevant.
NOTE: Failure to disconnect the battery when instructed will result in false resistance readings. Refer to BATTERY, MOUNTING & CABLES -- FUSION, MILAN & MKZ article.
  1. L1 CHECK THE DC/DC VOLTAGE SUPPLY CIRCUITS FOR AN OPEN 
    WARNING: To prevent the risk of high-voltage shock, always follow precisely all warnings and service instructions, including instructions to depower the system. The high-voltage hybrid system utilizes approximately 300 volts DC, provided through high-voltage cables to its components and modules. The high-voltage cables and wiring are identified by orange harness tape or orange wire covering. All high-voltage components are marked with high-voltage warning labels with a high-voltage symbol. Failure to follow these instructions may result in serious personal injury or death.
    WARNING: Always wear high-voltage insulated safety gloves with leather outer gloves and a face shield when servicing the battery pack sensor module (BPSM) and never remove the high-voltage BPSM connector unless directed by a service procedure. High voltage is present at the BPSM at all times, even with service disconnect plug removal. Depowering the system will not remove voltage from the BPSM connector with the orange harness. Follow all service instructions. Failure to follow these instructions may result in serious personal injury or death.
    • Ignition OFF.
    • Disconnect: DC/DC C1457d.
    • Ignition ON.
    • Measure the voltage between the DC/DC C1457d-7, circuit CBK03 (GY), harness side and ground.
      Fig 1: Measuring Voltage Between DC/DC C1457d-7, Circuit CBK03 (GY), Harness Side And Ground
      G07788179Courtesy of FORD MOTOR CO.
    • Are the voltages greater than 10 volts? 
    1. Yes  : GO to L2  .
    2. No  : VERIFY the Battery Junction Box (BJB) fuse 47 (10A) is OK. If OK, REPAIR the circuit in question. If not OK, REFER to the SYSTEM WIRING DIAGRAMS article to identify the possible causes of the circuit short. CLEAR the DTCs. REPEAT the network test with the scan tool.
  2. L2 CHECK THE DC/DC GROUNDS 
    • Ignition OFF.
    • Disconnect: Negative Battery Cable.
    • NOTE: Do not disconnect the DC/DC ground eyelet C1457c. The measurement is taken between the negative battery eyelet and chassis ground.
      Fig 2: Measuring Resistance Between DC/DC C1457c-1, Circuit GD108 (BK/VT), Harness Side And Ground
      G07788180Courtesy of FORD MOTOR CO.
    • Measure the resistance between the DC/DC C1457c-1, circuit GD108 (BK/VT), harness side and ground.
    • Is the resistance less than 5 ohms? 
    1. Yes  : GO to L3  .
    2. No  : REPAIR the circuit in question. CONNECT the negative battery cable. CLEAR the DTCs. REPEAT the network test with the scan tool.
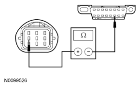
  3. L3 CHECK THE HS-CAN CIRCUITS BETWEEN THE DC/DC AND THE DLC FOR AN OPEN 
    • Measure the resistance between the DC/DC C1457d-9, circuit VDB04 (WH/BU), harness side and the DLC C251-6, circuit VDB04 (WH/BU), harness side.
      Fig 3: Measuring Resistance Between DC/DC C1457d-9 And DLC C251-6, Circuit VDB04 (WH/BU), Harness Side
      G07788181Courtesy of FORD MOTOR CO.
    • Measure the resistance between the DC/DC C1457d-6, circuit VDB05 (WH), harness side and the DLC C251-14, circuit VDB05 (WH), harness side.
      Fig 4: Measuring Resistance Between DC/DC C1457d-6 And DLC C251-14, Circuit VDB05 (WH), Harness Side
      G07788182Courtesy of FORD MOTOR CO.
    • Are the resistances less than 5 ohms? 
    1. Yes  : CONNECT the negative battery cable. GO to L4  .
    2. No  : REPAIR the circuit in question. CONNECT the negative battery cable. CLEAR the DTCs. REPEAT the network test with the scan tool.
  4. L4 CHECK FOR CORRECT DC/DC OPERATION 
    NOTE: Do not disconnect the high voltage cables or connectors in the following step.
    • Disconnect the DC/DC LOW VOLTAGE  connectors.
    • Check for:
      • corrosion
      • damaged pins
      • pushed-out pins
    • Connect the DC/DC LOW VOLTAGE  connectors and make sure they seat correctly.
    • Operate the system and verify the concern is still present.
    • Is the concern still present? 
    1. Yes  : INSTALL a new DC/DC. REFER to HIGH VOLTAGE CONVERTER/INVERTER - FUSION MILAN & MKZ article. CLEAR the DTCs. REPEAT the network test with the scan tool.
    2. No  : The system is operating correctly at this time. The concern may have been caused by a loose or corroded connector. CLEAR the DTCs. REPEAT the network test with the scan tool.