LEMON Manuals: Even more car manuals for everyone: 1960-2025
Home >> Mercury >> 2007 >> Montego Premier, AWD >> Repair and Diagnosis >> External Pages >> Different car >> Section 1322 (Module Communications Network) >> Diagnosis And Testing >> Communications Network >> Pinpoint Tests >> Pinpoint Test Q: The Smart Junction Box (SJB) Does Not Respond To The Scan Tool >> Pinpoint Test Q: The SJB Does Not Respond To The Scan Tool
April 5, 2026: LEMON Manuals is launched! Read the announcement.

Pinpoint Test Q: The SJB Does Not Respond To The Scan Tool

WARNING: This page is about a different car, the 2010 Mercury Mariner and 2010 Ford Escape. However, it is still accessible from the selected car via links, so may be relevant.
NOTE: Use the correct probe adapter(s) when making measurements. Failure to use the correct probe adapter(s) may damage the connector.
NOTE: Failure to disconnect the battery when instructed will result in false resistance readings. Refer to BATTERY, MOUNTING AND CABLES .
  1. Q1 CHECK THE SJB FUSE FOR VOLTAGE 
    • Ignition OFF.
    • Measure the voltage between the back of the SJB  fuse 5 (10A) terminals (both sides) and ground.
      Fig 1: Measuring Voltage Between Back Of SJB Fuse 5 (10A) Terminals (Both Sides) And Ground
      G06075797Courtesy of FORD MOTOR CO.
    • Are the voltages greater than 10 volts? 
    • Yes:  GO to Q2  .
    • No:  VERIFY the Smart Junction Box (SJB) fuse 5 (10A) is OK. If OK, REPAIR the circuit. If not OK, REFER to the appropriate SYSTEM WIRING DIAGRAMS article to identify the possible causes of the circuit short. CLEAR the DTCs. REPEAT the network test with the scan tool.
  2. Q2 CHECK THE SJB GROUND CIRCUIT FOR AN OPEN 
    • Disconnect: Negative Battery Cable.
    • Disconnect: SJB  C2280d.
    • Measure the resistance between the SJB  C2280d-8, circuit GD182 (BK/GY), harness side and ground; and between the SJB  C2280d-12, circuit GD182 (BK/GY), harness side and ground.
      Fig 2: Checking SJB Ground Circuit For An Open
      G06099334Courtesy of FORD MOTOR CO.
    • Are the resistances less than 5 ohms? 
    • Yes:  GO to Q3  .
    • No:  REPAIR the circuit in question. CONNECT the negative battery cable. CLEAR the DTCs. REPEAT the network test with the scan tool.
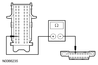
  3. Q3 CHECK THE MS-CAN CIRCUITS BETWEEN THE SJB AND THE DLC FOR AN OPEN 
    • Disconnect: SJB  C2280b.
    • Measure the resistance between the SJB  C2280b-37, circuit VDB06 (GY/OG), harness side and the Data Link Connector (DLC) C251-3, circuit VDB06 (GY/OG), harness side.
      Fig 3: Measuring Resistance Between SJB C2280B-37, Circuit VDB06 (GY/OG) And DLC C251-3, Circuit VDB06 (GY/OG), Harness Side
      G06099335Courtesy of FORD MOTOR CO.
    • Measure the resistance between the SJB  C2280b-38, circuit VDB07 (VT/OG), harness side and the DLC  C251-11, circuit VDB07 (VT/OG), harness side.
      Fig 4: Measuring Resistance Between SJB C2280B-38, Circuit VDB07 (VT/OG) And DLC C251-11, Circuit VDB07 (VT/OG), Harness Side
      G06099336Courtesy of FORD MOTOR CO.
    • Are the resistances less than 5 ohms? 
    • Yes:  CONNECT the negative battery cable. GO to Q4  .
    • No:  REPAIR the circuit in question. CONNECT the negative battery cable. CLEAR the DTCs. REPEAT the network test with the scan tool.
  4. Q4 CHECK FOR CORRECT SJB OPERATION 
    • Disconnect all the SJB  connectors.
    • Check for:
      • corrosion
      • damaged pins
      • pushed-out pins
    • Connect all the SJB  connectors and make sure they seat correctly.
    • Operate the system and verify the concern is still present.
    • Is the concern still present? 
    • Yes:  INSTALL a new SJB  . REFER to MULTIFUNCTION ELECTRONIC MODULES . CLEAR the DTCs. REPEAT the network test with the scan tool.
    • No:  The system is operating correctly at this time. The concern may have been caused by a loose or corroded connector.