LEMON Manuals: Even more car manuals for everyone: 1960-2025
Home >> Mercury >> 2009 >> Sable Base, AWD >> Repair and Diagnosis >> External Pages >> Different car >> Section 577 (Cruise Control System) >> Diagnosis And Testing >> Speed Control >> Pinpoint Tests >> Pinpoint Test C: DTC P0579 or DTC P0581 - Speed Control Switch Circuit Failure >> Pinpoint Test C: DTC P0579 Or DTC P0581 - Speed Control Switch Circuit Failure
April 5, 2026: LEMON Manuals is launched! Read the announcement.

Pinpoint Test C: DTC P0579 Or DTC P0581 - Speed Control Switch Circuit Failure

WARNING: This page is about a different car, the 2006 Mercury Montego, 2006 Ford Freestyle, and 2006 Ford Five Hundred. However, it is still accessible from the selected car via links, so may be relevant.
  1. C1 CHECK THE SPEED CONTROL SWITCH CIRCUITRY FOR A SHORT TO VOLTAGE 
    • Key in OFF position.
    • Disconnect: PCM C175b.
    • Key in ON position.
    • Turn the parking lamps on.
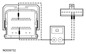
    • Measure the voltage between the PCM C175b-30, circuit 151 (LB/BK), harness side and ground; and between the PCM C175b-19, circuit 848 (DG/OG), harness side and ground.
    Fig 1: Measuring Voltage Between PCM C175b-30, Circuit 151 (LB/BK), Harness Side & Ground; Between PCM C175b-19, Circuit 848 (DG/OG), Harness Side & Ground
    G04657733Courtesy of FORD MOTOR CO.
    • Is any voltage present? 

    Yes:  TURN the parking lamps off. GO to  C2.

    No:  TURN the parking lamps off. GO to  C4.

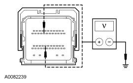
  2. C2 CHECK CIRCUITS 151 (LB/BK) AND 848 (DG/OG) FOR A SHORT TO VOLTAGE 
    • Key in OFF position.
    • Disconnect: Clockspring C2274a.
    • Key in ON position.
    • Turn the parking lamps on.
    • Measure the voltage between the PCM C175b-30, circuit 151 (LB/BK), harness side and ground; and between the PCM C175b-19, circuit 848 (DG/OG), harness side and ground.
    Fig 2: Measuring Voltage Between PCM C175b-30, Circuit 151 (LB/BK), Harness Side & Ground; Between PCM C175b-19, Circuit 848 (DG/OG), Harness Side & Ground
    G04657734Courtesy of FORD MOTOR CO.
    • Is any voltage present? 

    Yes:  REPAIR the circuit in question. CLEAR the DTCs. REPEAT the self-test.

    No:  TURN the parking lamps off. GO to  C3.

  3. C3 CHECK THE CLOCKSPRING FOR A SHORT TO VOLTAGE 
    • Key in OFF position.
    • Connect: Clockspring C2274a.
    • Remove the driver air bag module. Refer to REMOVAL .
    • Connect the restraint system diagnostic tool to the upper clockspring air bag connector.
    • Disconnect: Upper Clockspring.
    • WARNING: Make sure there is no one inside the vehicle and that there is nothing blocking or set in front of any air bag module when the battery is connected. Failure to follow these instructions may result in personal injury.
    • Connect the battery.
    • Key in ON position.
    • Turn the parking lamps on.
    • Measure the voltage between the PCM C175b-30, circuit 151 (LB/BK), harness side and ground; and between the PCM C175b-19, circuit 848 (DG/OG), harness side and ground.
      Fig 3: Checking Clockspring For Short To Voltage
      G04657735Courtesy of FORD MOTOR CO.
    • Is any voltage present? 

    Yes:  INSTALL a new clockspring. REFER to INSTALLATION . DISCONNECT the battery. INSTALL the driver air bag module. REFER to INSTALLATION . CLEAR the DTCs. REPEAT the self-test.

    No:  INSTALL a new speed control switch. REFER to SPEED CONTROL SWITCH . DISCONNECT the battery. INSTALL the driver air bag module. REFER to INSTALLATION . CLEAR the DTCs. REPEAT the self-test.

  4. C4 CHECK THE SPEED CONTROL SWITCH CIRCUITRY FOR A SHORT TO GROUND 
    • Key in OFF position.
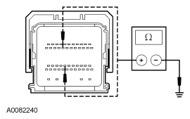
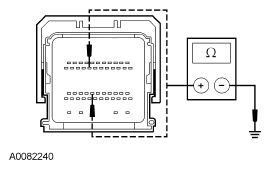
    • Measure the resistance between the PCM C175b-30, circuit 151 (LB/BK), harness side and ground; and between the PCM C175b-19, circuit 848 (DG/OG), harness side and ground.
    Fig 4: Measuring Resistance Between PCM C175b-30, Circuit 151 (LB/BK), Harness Side & Ground; And Between PCM C175b-19, Circuit 848 (DG/OG), Harness Side & Ground
    G04657736Courtesy of FORD MOTOR CO.
    • Are the resistances greater than 10,000 ohms? 

    Yes:  GO to  C7.

    No:  GO to  C5.

  5. C5 CHECK THE CLOCKSPRING FOR A SHORT TO GROUND 
    • Remove the driver air bag module. Refer to REMOVAL .
    • Disconnect: Upper Clockspring.
    • Measure the resistance between the PCM C175b-30, circuit 151 (LB/BK), harness side and ground; and between the PCM C175b-19, circuit 848 (DG/OG), harness side and ground.
    Fig 5: Measuring Resistance Between PCM C175b-30, Circuit 151 (LB/BK), Harness Side & Ground; And Between PCM C175b-19, Circuit 848 (DG/OG), Harness Side & Ground
    G04657737Courtesy of FORD MOTOR CO.
    • Are the resistances greater than 10,000 ohms? 

    Yes:  INSTALL a new speed control switch. REFER to SPEED CONTROL SWITCH . INSTALL the driver air bag module. REFER to INSTALLATION . CLEAR the DTCs. REPEAT the self-test.

    No:  GO to  C6.

  6. C6 CHECK CIRCUITS 151 (LB/BK) AND 848 (DG/OG) FOR A SHORT TO GROUND 
    • Disconnect: Clockspring Measure the resistance between the PCM C175b-30, circuit 151 (LB/BK), harness side and ground; and between the PCM C175b-19, circuit 848 (DG/OG), harness side and ground.
    Fig 6: Checking Circuits 151 (LB/BK) & 848 (DG/OG) For Short To Ground
    G04657738Courtesy of FORD MOTOR CO.
    • Are the resistances greater than 10,000 ohms? 

    Yes:  INSTALL a new clockspring. REFER to INSTALLATION . DISCONNECT the battery. INSTALL the driver air bag module. REFER to INSTALLATION . CLEAR the DTCs. REPEAT the self-test.

    No:  REPAIR the circuit in question. INSTALL the driver air bag module. REFER to INSTALLATION . CLEAR the DTCs. REPEAT the self-test.

  7. C7 CHECK THE SPEED CONTROL SWITCH CIRCUITRY FOR AN OPEN 
    • Disconnect: Clockspring C2274a.
    • Measure the resistance between the PCM C175b-30, circuit 151 (LB/BK), harness side and the clockspring C2274a-5, circuit 151 (LB/BK), harness side; and between the PCM C175b-19, circuit 848 (DG/OG), harness side and the clockspring C2274a-4, circuit 848 (DG/OG), harness side.
    Fig 7: Measuring Resistance Between PCM C175b-30, Circuit 151 (LB/BK), Harness Side & Clockspring C2274a-5, Circuit 151 (LB/BK), Harness Side; & Between PCM C175b-19, Circuit 848 (DG/OG), Harness Side & Clockspring C2274a-4, Circuit 848 (DG/OG) & Harness Side
    G04657739Courtesy of FORD MOTOR CO.
    • Is the resistance less than 5 ohms? 

    Yes:  GO to  C8.

    No:  REPAIR the circuit in question. CLEAR the DTCs. REPEAT the self-test.

  8. C8 CHECK THE CLOCKSPRING 
    • Remove the driver air bag module. Refer to REMOVAL .
    • Disconnect: Upper Clockspring.
    • Measure the resistance between the upper clockspring pin 3, component side and the clockspring pin 5, component side; and between the upper clockspring pin 2, component side and the clockspring pin 4, component side.
    Fig 8: Measuring Resistance Between Upper Clockspring Pin 3, Component Side & Clockspring Pin 5, Component Side And Between Upper Clockspring Pin 2, Component Side & Clockspring Pin 4 & Component Side
    G04657740Courtesy of FORD MOTOR CO.
    • Are the resistances less than 5 ohms? 

    Yes:  GO to  C9.

    No:  INSTALL a new clockspring. REFER to INSTALLATION . DISCONNECT the battery. INSTALL the driver air bag module. REFER to INSTALLATION . CLEAR the DTCs. REPEAT the self-test.

  9. C9 CHECK THE SPEED CONTROL SWITCH 
    • Measure the resistance between the upper clockspring pin 2, harness side and the upper clockspring pin 3, harness side.
    Fig 9: Measuring Resistance Between Upper Clockspring Pin 2, Harness Side & Upper Clockspring Pin 3 & Harness Side
    G04657741Courtesy of FORD MOTOR CO.
    • Is the resistance between 3,965 and 4,655 ohms? 

    Yes:  GO to  C10.

    No:  INSTALL new speed control switch. REFER to SPEED CONTROL SWITCH . DISCONNECT the battery. INSTALL the driver air bag module. REFER to INSTALLATION . CLEAR the DTCs. REPEAT the self-test.

  10. C10 CHECK FOR CORRECT PCM OPERATION 
    • Disconnect all the PCM connectors.
    • Check for:
    • corrosion
    • pushed-out pins
    • Connect all the PCM connectors and make sure they are seated correctly.
    • Operate the system and verify the concern is still present.
    • Is the concern still present? 

    Yes:  INSTALL a new PCM. REFER to INSTALLATION . INSTALL the driver air bag module. REFER to INSTALLATION . TEST the system for normal operation.

    No:  The system is operating correctly at this time. The concern may have been caused by a loose or corroded connector. INSTALL the driver air bag. REFER to INSTALLATION . CLEAR the DTCs. REPEAT the self-test.