LEMON Manuals: Even more car manuals for everyone: 1960-2025
Home >> Mercury >> 2009 >> Sable Base, FWD >> Repair and Diagnosis (Single Page) >> External Pages >> Different car >> Section 1187 (Module Communications Network System) >> Diagnostic Tests >> Communications Network >> Pinpoint Tests >> Pinpoint Test H: The Smart Junction Box (SJB) Does Not Respond To The Scan Tool >> Pinpoint Test H: The Smart Junction Box (SJB) Does Not Respond To The Scan Tool
April 5, 2026: LEMON Manuals is launched! Read the announcement.

Pinpoint Test H: The Smart Junction Box (SJB) Does Not Respond To The Scan Tool

WARNING: This page is about a different car, the 2008 Mercury Sable, 2008 Ford Taurus X, and 2008 Ford Taurus. However, it is still accessible from the selected car via links, so may be relevant.
NOTE: Use the correct probe adapter(s) when making measurements. Failure to use the correct probe adapter(s) may damage the connector.
  1. H1 CHECK THE SJB VOLTAGE SUPPLY CIRCUIT FOR AN OPEN 
    • Key in ON position.
      NOTE: Measurements are taken with the fuses installed.
    • Measure the voltage between the SJB fuse 5 (10A) and ground.
    • Fig 1: Checking Circuit For Voltage
      GF0023534Courtesy of FORD MOTOR CO.
    • Is the voltage greater than 10 volts? 
    1. YES  : Go to  H2.
    2. NO  : VERIFY the smart junction box (SJB) fuse 5 (10A) is OK. If OK, go to  H4.
  2. H2 CHECK THE SJB GROUND CIRCUITS FOR AN OPEN 
    • Key in OFF position.
    • Disconnect: SJB C2280d
    • Measure the resistance between the SJB, harness side and ground, as follows:
      SJB Connector-Pin Circuit
      C2280d-8 GD133 (BK)
      C2280d-12 GD133 (BK)
    • Are the resistances less than 5 ohms? 
    1. YES  : Go to  H3.
    2. NO  : REPAIR the circuit in question. CLEAR the DTCs. REPEAT the network test with the scan tool.
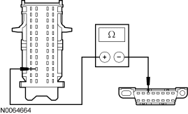
  3. H3 CHECK THE MS-CAN CIRCUITS BETWEEN THE SJB AND THE DATA LINK CONNECTOR (DLC) FOR AN OPEN 
    • Disconnect: SJB C2280b
    • Measure the resistance between the SJB C2280b-37, circuit VDB06 (GY/OG), harness side and the DLC C251-3, circuit VDB06 (GY/OG), harness side.
    • Fig 2: Checking MS-CAN Circuit For Open
      GF0023535Courtesy of FORD MOTOR CO.
    • Measure the resistance between the SJB C2280b-38, circuit VDB07 (VT/OG), harness side and the DLC C251-11, circuit VDB07 (VT/OG), harness side.
    • Fig 3: Checking MS-CAN Circuit For Open
      GF0023536Courtesy of FORD MOTOR CO.
    • Are the resistances less than 5 ohms? 
    1. YES  : Go to  H4.
    2. NO  : REPAIR the circuit in question. CLEAR the DTCs. REPEAT the network test with the scan tool.
  4. H4 CHECK FOR CORRECT SJB OPERATION 
    • Disconnect all the SJB connectors.
    • Check for:
      • corrosion
      • damaged pins
      • pushed-out pins
    • Connect all the SJB connectors and make sure they seat correctly.
    • Operate the system and verify the concern is still present.
    • Is the concern still present? 
    1. YES  : INSTALL a new SJB. REFER to MULTIFUNCTION ELECTRONIC MODULES article. CLEAR the DTCs. REPEAT the network test with the scan tool.
    2. NO  : The system is operating correctly at this time. The concern may have been caused by a loose or corroded connector. CLEAR the DTCs. REPEAT the network test with the scan tool.