LEMON Manuals: Even more car manuals for everyone: 1960-2025
Home >> Mercury >> 2009 >> Sable Base, FWD >> Repair and Diagnosis >> External Pages >> Different car >> Section 1245 (Component Testing) >> Component Testing >> Master window adjust switch >> Schematic
April 5, 2026: LEMON Manuals is launched! Read the announcement.

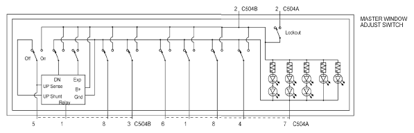
Master window adjust switch: Schematic

WARNING: This page is about a different car, the 2009 Mercury Grand Marquis and 2009 Ford Crown Victoria. However, it is still accessible from the selected car via links, so may be relevant.
Fig 1: Master Window Adjust Switch Schematic
G05791558