LEMON Manuals: Even more car manuals for everyone: 1960-2025
Home >> Mercury >> 2009 >> Sable Premier, FWD >> Repair and Diagnosis >> External Pages >> Different car >> Section 640 (Module Communications Network) >> Diagnosis And Testing >> Communications Network >> Pinpoint Tests >> Pinpoint Test K: The Climate Control Assembly Does Not Respond To The Diagnostic Tool >> Pinpoint Test K: The Climate Control Assembly Does Not Respond To The Diagnostic Tool
April 5, 2026: LEMON Manuals is launched! Read the announcement.

Pinpoint Test K: The Climate Control Assembly Does Not Respond To The Diagnostic Tool

WARNING: This page is about a different car, the 2006 Mercury Milan, 2006 Lincoln Zephyr, and 2006 Ford Fusion. However, it is still accessible from the selected car via links, so may be relevant.
CAUTION: Use the correct probe adaptor(s) when making measurements. Failure to use the correct probe adaptor(s) may damage the connector.
  1. K1 CHECK THE CLIMATE CONTROL ASSEMBLY CONNECTOR FOR DAMAGE 
    • Key in OFF position.
    • Disconnect: DATC Module C2356a or EATC Module C228a.
    • Inspect the DATC module C2356a or EATC module C228a for damage.
    • Is the climate control assembly connector OK? 

    Yes  : GO to K2.

    No  : REPAIR the climate control assembly connector as necessary. CONNECT the climate control assembly connector. CARRY OUT the data link diagnostics test.

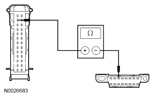
  2. K2 CHECK THE MEDIUM SPEED CAN CIRCUITS BETWEEN THE DLC AND THE CLIMATE CONTROL ASSEMBLY FOR AN OPEN 
    • Measure the resistance between the DATC module C2356a-12 or EATC module C228a-12, circuit VDB06 (GY/OG), harness side and the DLC C251-3, circuit VDB06 (GY/OG), harness side.
      Fig 1: Checking Medium Speed CAN Circuits Between DLC And Climate Control Assembly For Open (1 Of 2)
      G04682935Courtesy of FORD MOTOR CO.
    • Measure the resistance between the DATC module C2356a-13 or EATC module C228a-13, circuit VDB07 (VT/OG), harness side and the DLC C251-11, circuit VDB07 (VT/OG), harness side.
      Fig 2: Checking Medium Speed CAN Circuits Between DLC And Climate Control Assembly For Open (2 Of 2)
      G04682936Courtesy of FORD MOTOR CO.
    • Are the resistances less than 5 ohms? 

    Yes  : GO to K3.

    No  : REPAIR the circuit. CONNECT the climate control assembly connector. CARRY OUT the data link diagnostics test.

  3. K3 CHECK FOR CORRECT CLIMATE CONTROL ASSEMBLY OPERATION 
    • Disconnect all the climate control assembly connectors.
    • Check for:
      • Corrosion
      • Pushed-out pins
    • Connect all the climate control assembly connectors and make sure they seat correctly.
    • Operate the system and verify the concern is still present.
    • Is the concern still present? 

    Yes  : INSTALL a new climate control assembly. REFER to CLIMATE CONTROL . CLEAR the diagnostic trouble codes (DTCs). REPEAT the self-test. CARRY OUT the data link diagnostics test.

    No  : The system is operating correctly at this time. The concern may have been caused by a loose or corroded connector. CLEAR the DTCs. REPEAT the self-test. CARRY OUT the data link diagnostics test.