LEMON Manuals: Even more car manuals for everyone: 1960-2025
Home >> Mini >> 2007 >> Cooper Base, 2D Convertible, Standard >> Repair and Diagnosis (Single Page) >> Accessories & Equipment >> Communication Devices >> Body Control Module - Overview >> Body Control Module >> Wipers and Washers >> Wiper/Washer System IPO >> Notes
April 5, 2026: LEMON Manuals is launched! Read the announcement.

Wiper/Washer System IPO: Notes

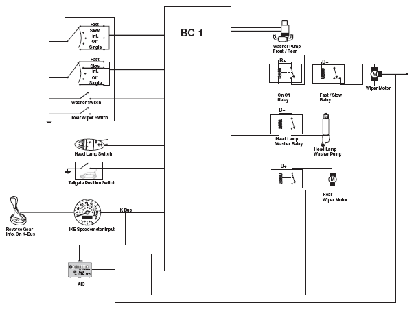
Fig 1: Wiper/Washer System Communication Diagram
G04724489Courtesy of BMW OF NORTH AMERICA, INC.