LEMON Manuals: Even more car manuals for everyone: 1960-2025
Home >> Mini >> 2012 >> Cooper Base, 2D Convertible, Automatic Trans >> Repair and Diagnosis >> External Pages >> Different car >> Section 4446 (Functional Description - F10 - Engine Performance) >> Engine Performance - Functional Description >> Exhaust emission system >> System overview
April 5, 2026: LEMON Manuals is launched! Read the announcement.

System overview

WARNING: This page does not describe the selected car, but rather 45 other vehicles, including the 2016 BMW M5, 2016 BMW 550i xDrive, 2016 BMW 550i, 2016 BMW 535i xDrive, and 2016 BMW 535i. However, it is still accessible from the selected car via links, so may be relevant.
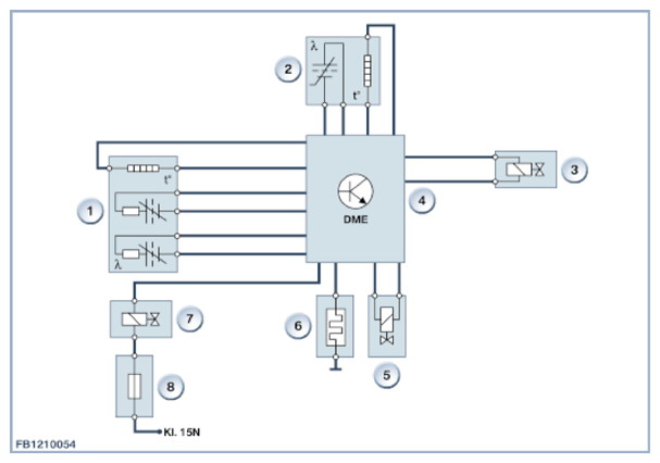
Fig 1: Engine Ventilation Heating - Circuit Diagram
G09908439Courtesy of BMW OF NORTH AMERICA, INC.
Index Explanation
1 Oxygen sensor before catalytic converter
2 Oxygen sensor after catalytic converter
3 Blow-off valve
4 Digital engine electronics
5 Pressure converter for wastegate valve
6 Engine ventilation heating
7 Electric changeover valve for exhaust flap (model-specific)
8 Luggage compartment power distribution box