LEMON Manuals: Even more car manuals for everyone: 1960-2025
Home >> Mitsubishi >> 2005 >> Lancer Evolution >> Repair and Diagnosis >> External Pages >> Different variant/trim >> Section 5 (Supplemental Restraints System -- Except Evolution) >> General Description >> Warning Light Circuit Connector Lock Switch >> Circuit Diagram
April 5, 2026: LEMON Manuals is launched! Read the announcement.

Circuit Diagram

WARNING: This page is about a different variant/trim than selected.
WARNING:
  • Do not repair, splice, or modify the SRS wiring (except for specific repairs to the instrument panel wiring harness and the floor wiring harness shown on P.52B-16): replace the wiring if necessary, after reading and following all precautions and procedures in this manual.
  • Do not use an analog ohmmeter to check the SRS wiring or components; use only the special tools (refer to SPECIAL TOOLS  ) and a digital multi-meter (refer to TEST EQUIPMENT  .)
Fig 1: SRS - Warning Diagram (1 Of 3)
G02414662Courtesy of MITSUBISHI MOTOR SALES OF AMERICA.
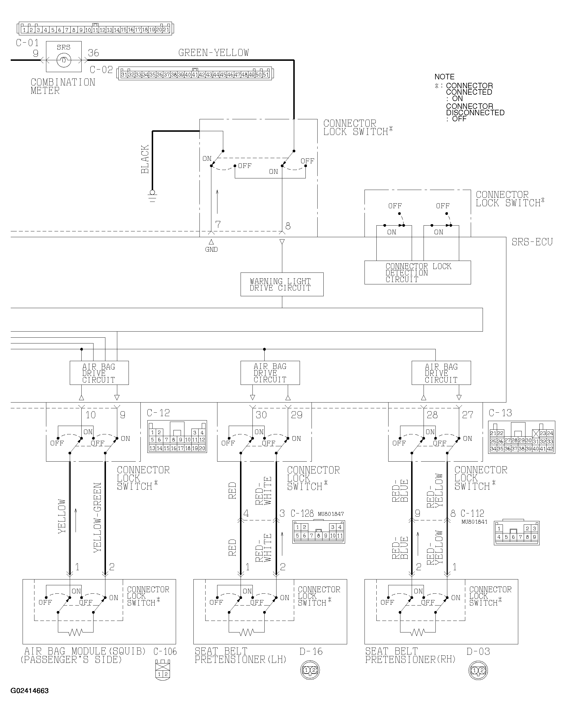
Fig 2: SRS - Warning Diagram (2 Of 3)
G02414663Courtesy of MITSUBISHI MOTOR SALES OF AMERICA.
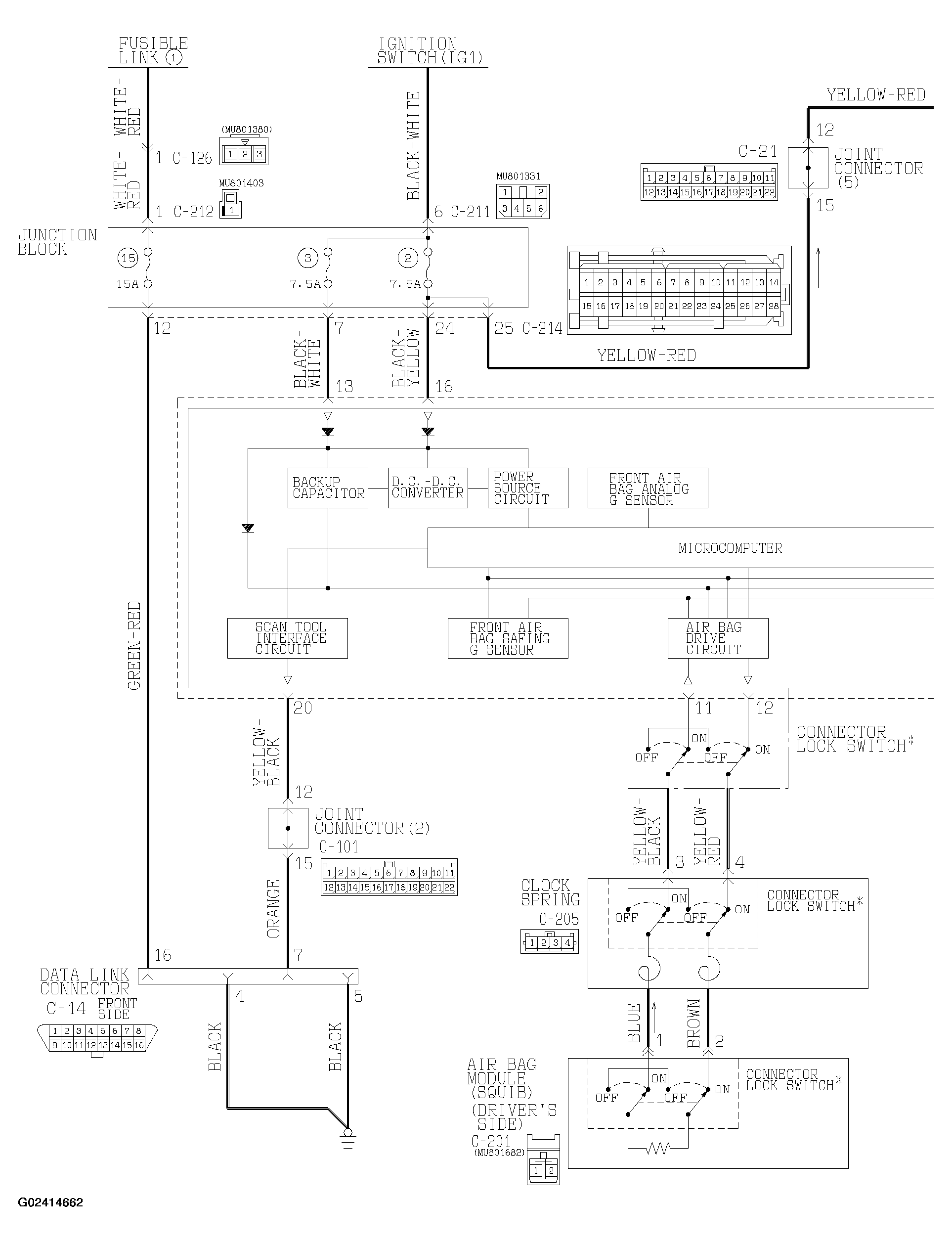
Fig 3: SRS - Warning Diagram (3 Of 3)
G02414664Courtesy of MITSUBISHI MOTOR SALES OF AMERICA.