LEMON Manuals: Even more car manuals for everyone: 1960-2025
Home >> Mitsubishi >> 2007 >> Raider SE >> Repair and Diagnosis >> Engine Performance >> Ignition System >> Engine Electrical >> Battery Tray >> Installation
April 5, 2026: LEMON Manuals is launched! Read the announcement.

Battery Tray: Installation

Fig 1: Identifying Battery Tray
G04854936Courtesy of MITSUBISHI MOTOR SALES OF AMERICA.
  1. Clean and inspect the battery tray, (Refer to ENGINE ELECTRICAL/BATTERY SYSTEM/CLEANING ).
    Fig 2: Locating Battery Tray Bolts
    G04854933Courtesy of MITSUBISHI MOTOR SALES OF AMERICA.
  2. Position the battery tray into the vehicle.
  3. Install the six upper battery tray bolts hand tight.
    Fig 3: Identifying Two Front Battery Tray Bolts
    G04854938Courtesy of MITSUBISHI MOTOR SALES OF AMERICA.
  4. Install the two front battery tray bolts hand tight.
    Fig 4: Identifying Left Front Fender Liner And Bolts
    G04854934Courtesy of MITSUBISHI MOTOR SALES OF AMERICA.
  5. Raise the vehicle on a hoist, (Refer to GENERAL /HOISTING/STANDARD PROCEDURE )
    NOTE: The middle bolt hole is to remain open for a front fender liner fastener (1).
  6. Install the two lower battery tray bolts (2). Tighten the bolts to 10 N.m (90 in. lbs.).
  7. Install the left front fender liner, (Refer to EXTERIOR/LINER - FRONT FENDER/INSTALLATION ).
    Fig 5: Locating Battery Tray Bolts
    G04854933Courtesy of MITSUBISHI MOTOR SALES OF AMERICA.
  8. Lower the vehicle.
  9. Tighten the upper battery tray bolts to 10 N.m (90 in. lbs.).
    Fig 6: Identifying Two Front Battery Tray Bolts
    G04854941Courtesy of MITSUBISHI MOTOR SALES OF AMERICA.
  10. Tighten the two front battery tray bolts to 8.5 N.m (75 in. lbs.).
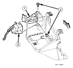
    Fig 7: Identifying Engine Compartment Wire Harness Retaining Pushpins & Battery Tray
    G04854931Courtesy of MITSUBISHI MOTOR SALES OF AMERICA.
  11. Install the engine compartment wire harness retaining pushpins (3) to the battery tray (2).
    Fig 8: Identifying Bolt, Battery Negative Cable Terminal Clamp And Negative Cable Eyelet
    G04857382Courtesy of MITSUBISHI MOTOR SALES OF AMERICA.
  12. Install the battery negative cable retaining pushpins (5) to the battery tray.
    Fig 9: Identifying Bolts And Hydraulic Control Unit (HCU)
    G04854929Courtesy of MITSUBISHI MOTOR SALES OF AMERICA.
  13. Install the Antilock Brake System (ABS) Hydraulic Control Unit (HCU) (3) bolts (2) into the battery tray (1). Tighten the bolts to 18 N.m (160 in. lbs.).
    Fig 10: Identifying Integrated Power Module (IPM), Plastic Battery Tray And Anti-Lock Brake Controller
    G04854927Courtesy of MITSUBISHI MOTOR SALES OF AMERICA.
  14. Install the Integrated Power Module (IPM) (1). See Figure.
  15. Install the battery, (Refer to ENGINE ELECTRICAL/BATTERY/INSTALLATION ).
  16. Verify proper vehicle operation.