LEMON Manuals: Even more car manuals for everyone: 1960-2025
Home >> Mitsubishi >> 2008 >> Raider 2WD V6-3.7L >> Repair and Diagnosis >> Powertrain Management >> Computers and Control Systems >> Engine Control Module >> Technical Service Bulletins >> All Technical Service Bulletins >> Engine Controls - DTC Diagnostics Addition
April 5, 2026: LEMON Manuals is launched! Read the announcement.

Engine Controls - DTC Diagnostics Addition

No: TSB-09-1 3-006

DATE: August, 2009

MODEL: 2007-09 Raider

SUBJECT:
ECM DIAGNOSIS PROCEDURES - SERVICE MANUAL REVISION

[TSB Revision TSB-09-13-006]

PURPOSE





Diagnosis procedures for the DTCs listed below are missing in Raider service manuals. This bulletin provides these DTC diagnosis procedures for affected vehicles. This information should be added to Group 13C Electronic Control Modules under Electrical Diagnosis Diagnosis and Testing.

AFFECTED VEHICLES

2007-2009 Raider











DTC B211E Ignition Run/ACC/PAD Control Circuit Low














DTC B211F Ignition Run/ACC/PAD Control Circuit High











DTC B213B Ignition Run (Remote Start) Control Circuit Low














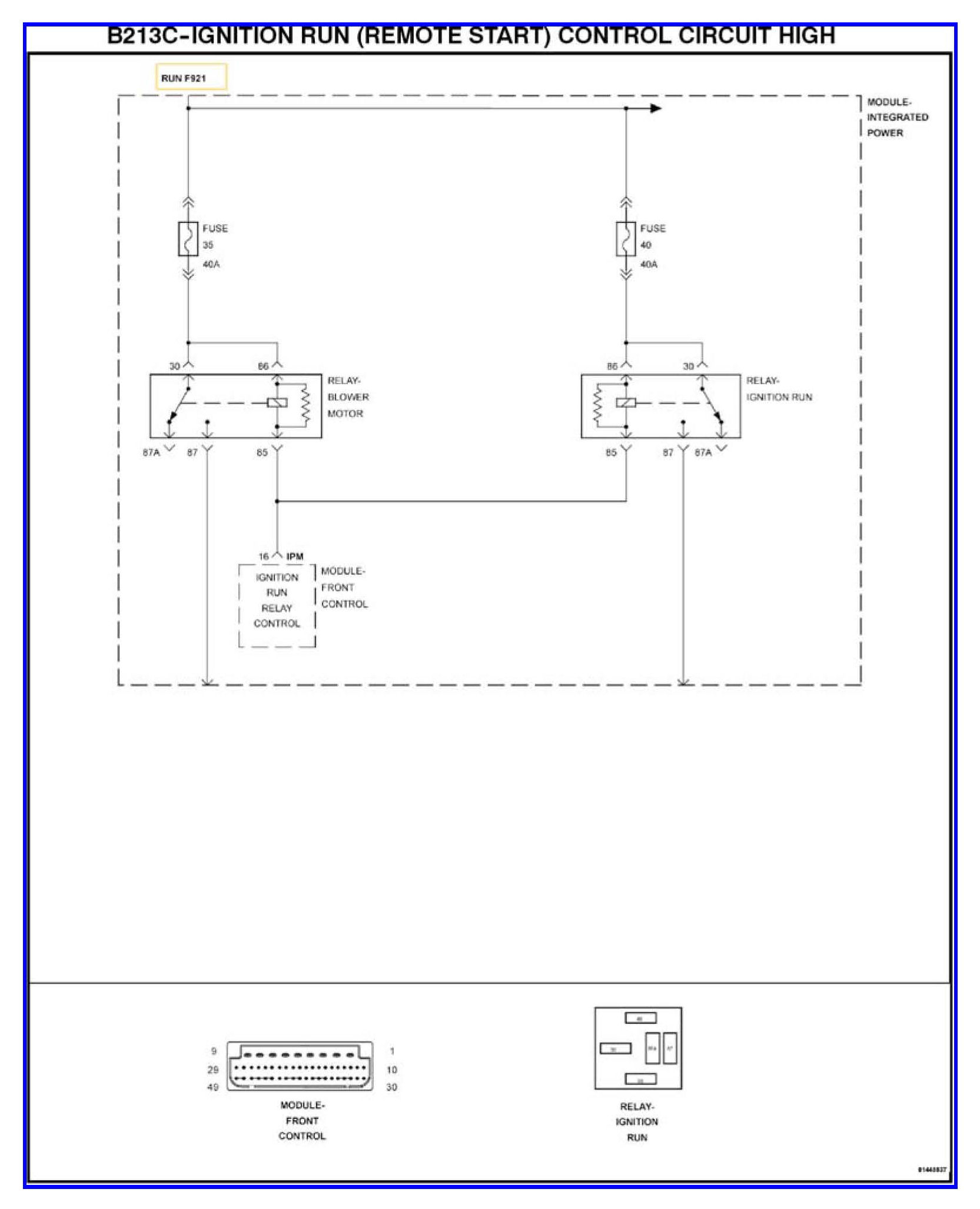
DTC B213C Ignition Run (Remote Start) Control Circuit High

















DTC B213F Ignition Start (Remote Start) Control Circuit Low











DTC B2122 Ignition Run Control 1 Circuit Low











DTC B2123 Ignition Run Control 1 Circuit High











DTC B2133 Ignition Run/Start (Remote Start) Control Circuit Low











DTC B2134 Ignition Run/Start (Remote Start) Control Circuit High














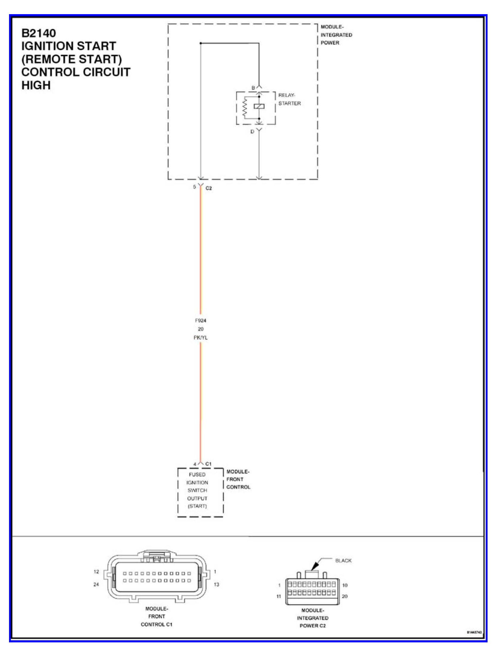
DTC B2140 Ignition Start (Remote Start) Control Circuit High











DTC B2184 Ignition Unlock Run/Start Control Circuit Low











DTC B2185 Ignition Unlock Run/Start Control Circuit High