LEMON Manuals: Even more car manuals for everyone: 1960-2025
Home >> Mitsubishi >> 2010 >> Lancer Evolution MR >> Repair and Diagnosis (Single Page) >> Accessories & Equipment >> Communication Devices >> Controller Area Network (Can) - Lancer Evolution >> Diagnosis >> Can Bus Diagnostics >> DIAGNOSTIC ITEM 15: Diagnose when the scan tool cannot receive the data sent by KOS-ECU >> Notes
April 5, 2026: LEMON Manuals is launched! Read the announcement.

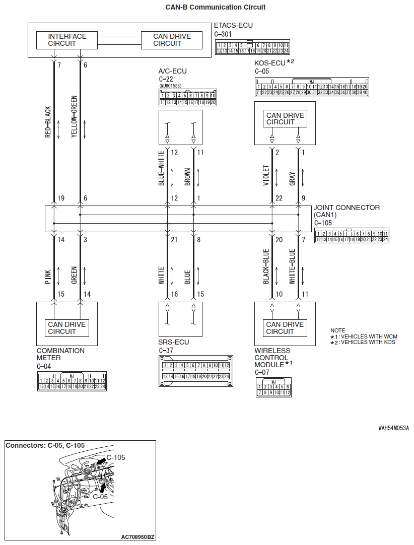
DIAGNOSTIC ITEM 15: Diagnose when the scan tool cannot receive the data sent by KOS-ECU: Notes

CAUTION: When servicing a CAN bus line, ground yourself by touching a metal object such as an unpainted water pipe. If you fail to do so, a component connected to the CAN bus line may be damaged.
Fig 1: CAN-B Communication Circuit
G06678836Courtesy of MITSUBISHI MOTOR SALES OF AMERICA.