LEMON Manuals: Even more car manuals for everyone: 1960-2025
Home >> Mitsubishi >> 2010 >> Lancer Evolution SE >> Repair and Diagnosis >> External Pages >> Different variant/trim >> Section 67 (Wireless Control Module (WCM) - Lancer Evolution) >> Diagnosis >> Diagnostic Trouble Code Procedures >> DTC B2101: IG SW start POS. circuit low; DTC B2102: IG SW start POS. circuit high >> Notes
April 5, 2026: LEMON Manuals is launched! Read the announcement.

DTC B2101: IG SW start POS. circuit low; DTC B2102: IG SW start POS. circuit high: Notes

WARNING: This page is about a different variant/trim than selected.
CAUTION:
  • If DTC B2101 or B2102 is set, be sure to diagnose the CAN bus line.
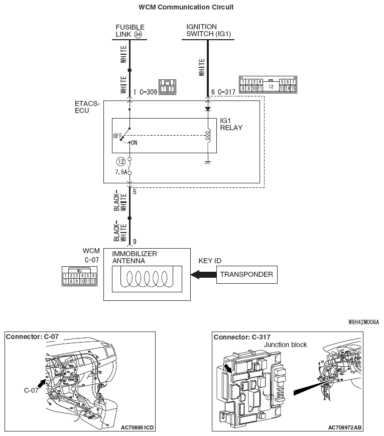
  • Before replacing the ECU, ensure that the communication circuit is normal.
    Fig 1: WCM Communication Circuit
    G06675767Courtesy of MITSUBISHI MOTOR SALES OF AMERICA.