LEMON Manuals: Even more car manuals for everyone: 1960-2025
Home >> Mitsubishi >> 2018 >> Eclipse Cross LE >> Repair and Diagnosis >> Electrical >> Charging Systems >> On-Vehicle Service >> Output Current Test
April 5, 2026: LEMON Manuals is launched! Read the announcement.

Output Current Test

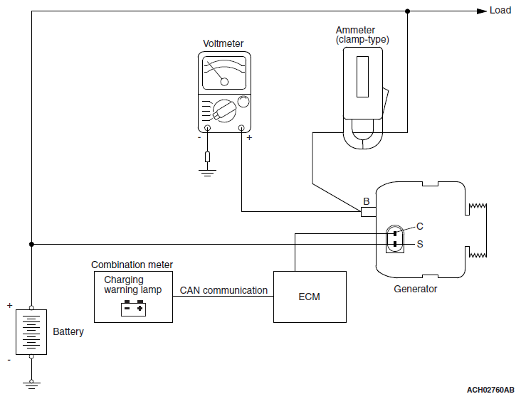
Fig 1: Testing Output Current
G12147062Courtesy of MITSUBISHI MOTOR SALES OF AMERICA.

Required Special Tools: 

This test determines whether the generator output current is normal.

  1. Before the test, always be sure to check the following.
    NOTE: The battery should be slightly discharged. The load needed by a fully-charged battery is insufficient for an accurate test.
  2. Turn the ignition switch to the "LOCK" (OFF) position.
  3. Disconnect the negative battery cable.
  4. Set a clamp-type DC test ammeter to the generator "B" terminal output wire.
    NOTE: Disconnecting the generator output wire and connecting the ammeter may not thoroughly diagnose an generator output line resistance increase problem because of an insufficient connection between terminal "B" and the output wire.
  5. Connect a voltmeter with a range of 0 - 20 V between the generator "B" terminal and the ground [Connect the (+) lead of the voltmeter to the "B" terminal, and then connect the (-) lead of the voltmeter to the ground].
  6. Connect the negative battery cable.
  7. Connect scan tool (M.U.T.-IIISE) to show the engine speed.
  8. Leave the hood open.
  9. Check that the reading on the voltmeter is equal to the battery voltage.
    NOTE: If the voltage is 0 V, the cause is probably an open circuit in the wire or fusible link between the generator "B" terminal and the battery (+) terminal.
  10. Turn the light switch on to turn on headlights and then start the engine.
  11. Immediately after setting the headlights to high beam and turning the heater blower switch to the high revolution position, increase the engine speed to 2, 500 r/min and read the maximum current output value displayed on the ammeter.

    Limit: 70 % of normal current output 

    NOTE:
    • For the nominal current output, refer to the Generator Specifications.
    • Because the current from the battery will soon drop after the engine is started, the above step should be carried out as quickly as possible in order to obtain the maximum current output value.
    • The current output value will depend on the electrical load and the temperature of the generator body.
    • If the electrical load is small while testing, the specified level of current may not be output even though the generator is normal. In such cases, increase the electrical load by leaving the headlights turned on for some time to discharge the battery or by using the lighting system in another vehicle, and then test again.
    • The specified level of current also may not be output if the temperature of the generator body or the ambient temperature is too high. In such cases, cool the generator and then test again.
  12. The reading on the ammeter should be above the limit value. If the reading is below the limit value and the generator output wire is normal, remove the generator from the engine and check the generator.
  13. Run the engine at idle after the test.
  14. Turn the ignition switch to the "LOCK" (OFF) position.
  15. Disconnect the scan tool (M.U.T.-IIISE).
  16. Disconnect the negative battery cable.
  17. Disconnect the ammeter and voltmeter.
  18. Connect the negative battery cable.