LEMON Manuals: Even more car manuals for everyone: 1960-2025
Home >> Nissan-Datsun >> 1990 >> Sentra Base >> Repair and Diagnosis >> Body & Frame >> Power Windows >> Component Tests >> Power Window Sub-Switch
April 5, 2026: LEMON Manuals is launched! Read the announcement.

Power Window Sub-Switch

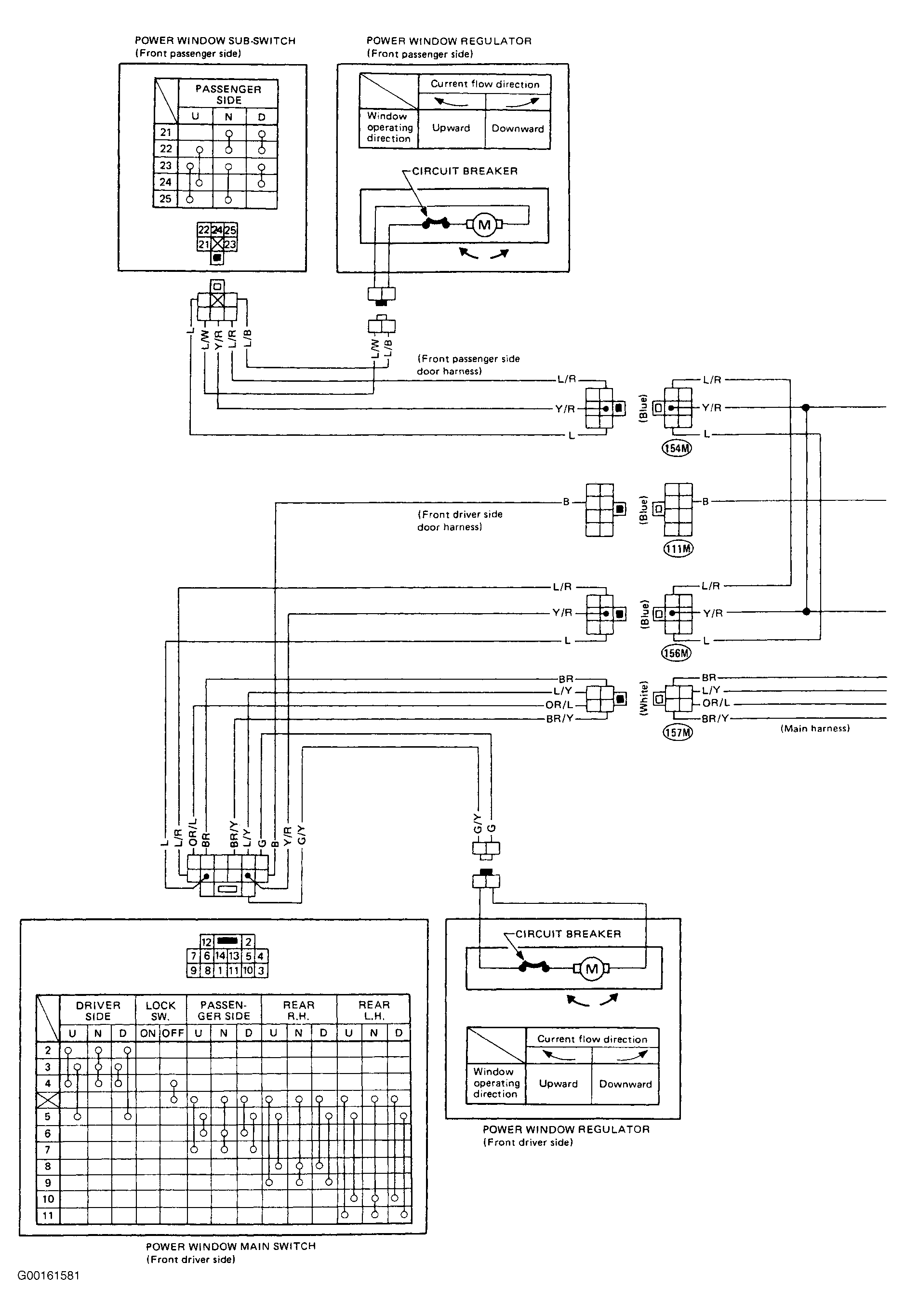
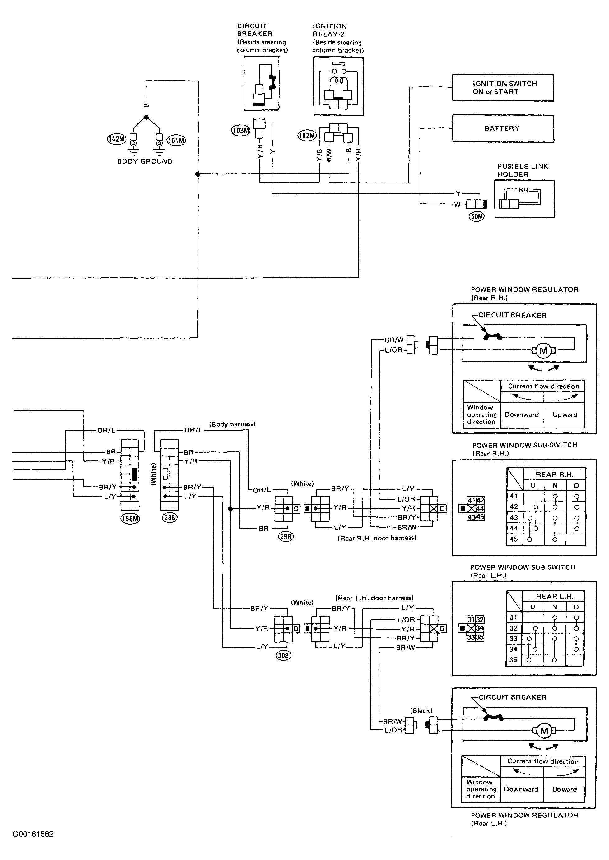
For test procedures, see Figure and Figure .