LEMON Manuals: Even more car manuals for everyone: 1960-2025
Home >> Nissan-Datsun >> 2002 >> Sentra SE-R, Automatic >> Repair and Diagnosis >> External Pages >> Different car >> Section 190 (Engine Controls - Self-Diagnostics) >> Diagnostic Tests >> DTC P1122: Electric Throttle Control Function (Circuit) >> Wiring Diagram & Specification Data
April 5, 2026: LEMON Manuals is launched! Read the announcement.

Wiring Diagram & Specification Data

WARNING: This page is about a different car, the 2003 Infiniti M45. However, it is still accessible from the selected car via links, so may be relevant.

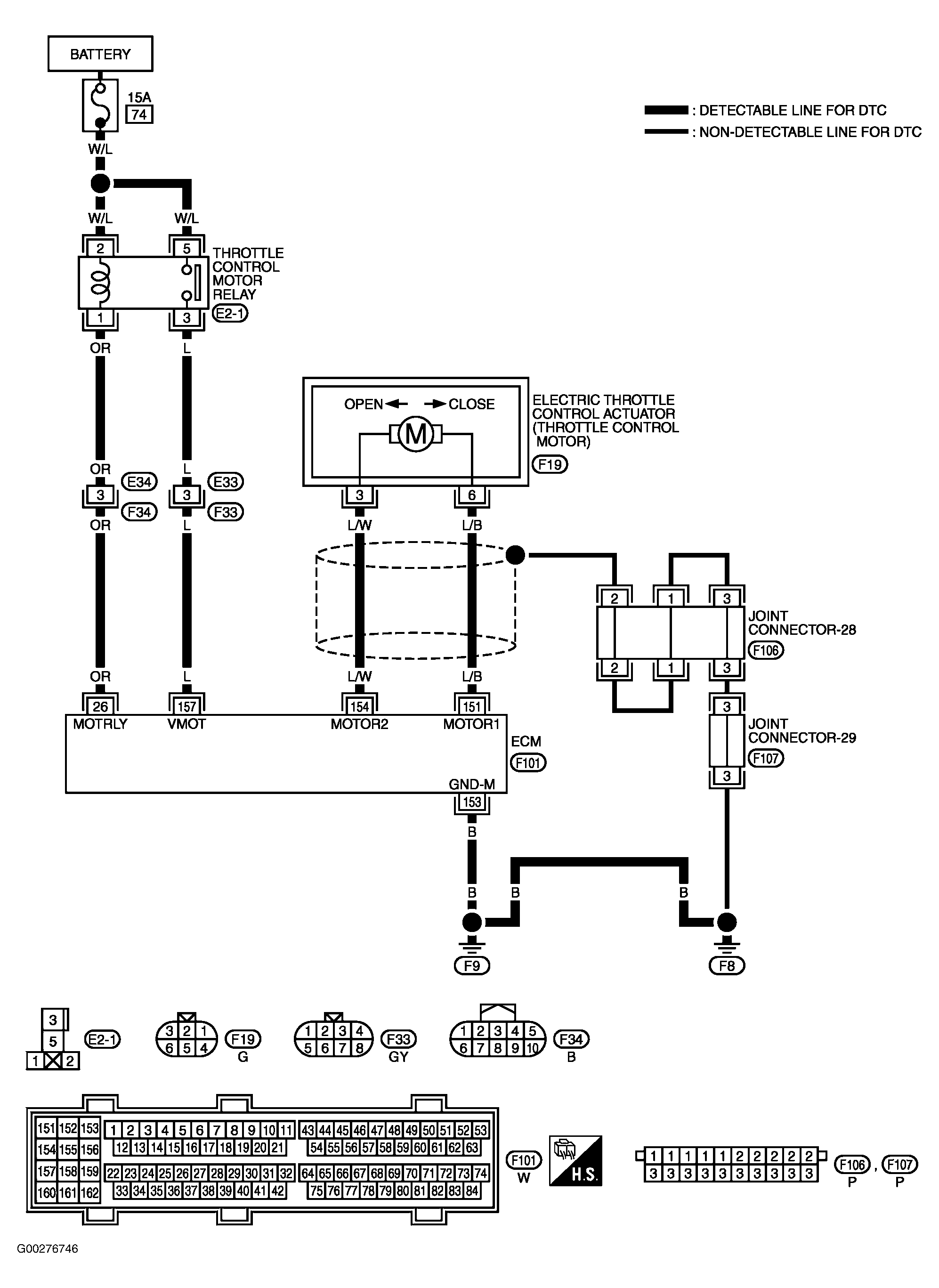
For wiring diagram and specification data, see Fig 1 and Fig 2 .

Fig 1: Wiring Diagram
G00276746Courtesy of NISSAN MOTOR CO., U.S.A.
Fig 2: Specification Data
G00276747Courtesy of NISSAN MOTOR CO., U.S.A.