LEMON Manuals: Even more car manuals for everyone: 1960-2025
Home >> Nissan-Datsun >> 2002 >> Sentra SE-R, Automatic >> Repair and Diagnosis >> External Pages >> Different car >> Section 2164 (Starting System) >> System Description >> Starting System >> M/T With Clutch Interlock Cancel System >> M/T WITH CLUTCH INTERLOCK CANCEL SYSTEM : System Diagram
April 5, 2026: LEMON Manuals is launched! Read the announcement.

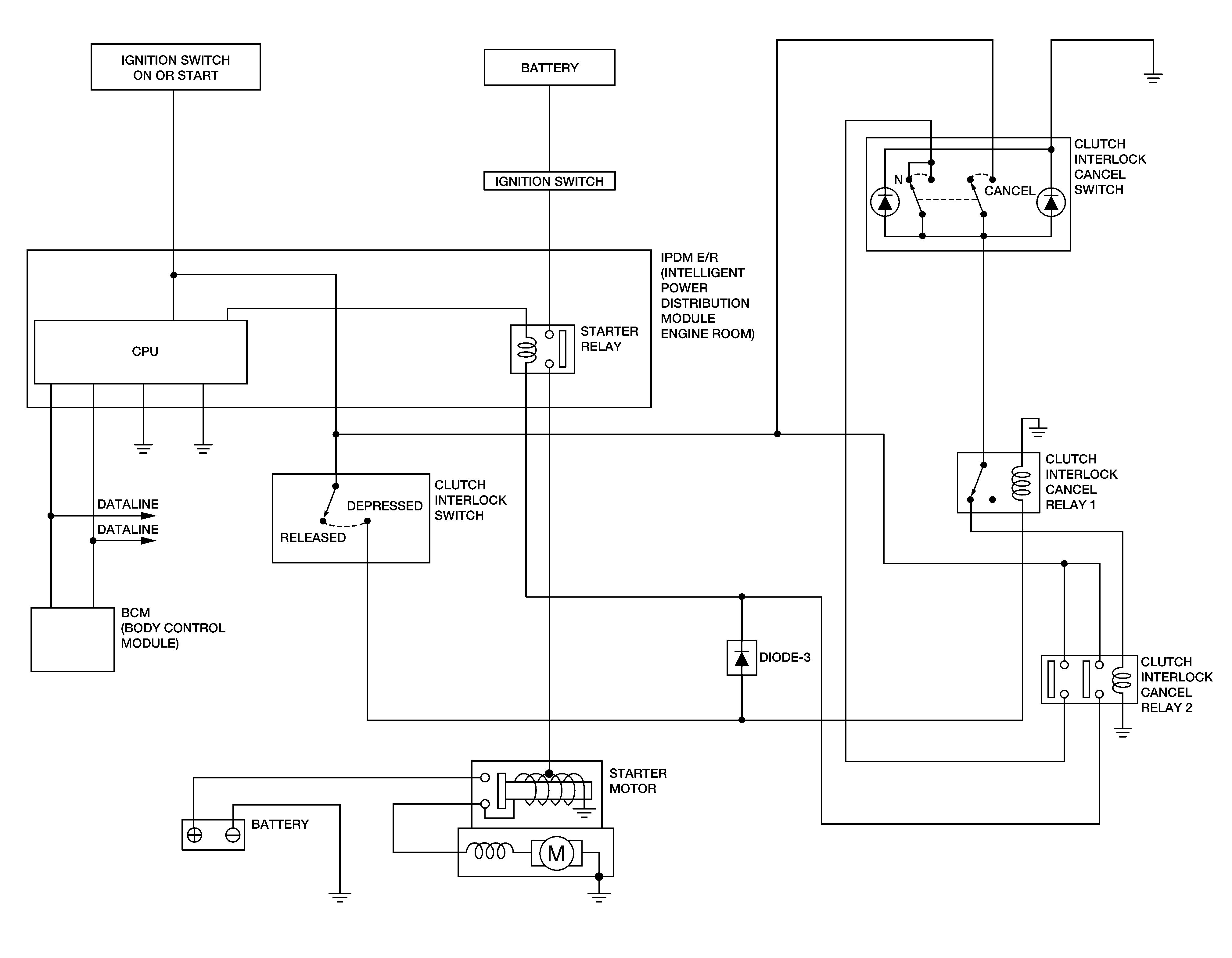
M/T WITH CLUTCH INTERLOCK CANCEL SYSTEM : System Diagram

WARNING: This page is about a different car, the 2011 Nissan Xterra. However, it is still accessible from the selected car via links, so may be relevant.
Fig 1: Identifying Starting System Diagram (M/T With Clutch Interlock Cancel System)
G05700999