LEMON Manuals: Even more car manuals for everyone: 1960-2025
Home >> Nissan-Datsun >> 2003 >> Sentra SE-R, Standard >> Repair and Diagnosis >> Engine Performance >> System >> Engine Controls - System & Component Testing >> Fuel System >> Fuel Control >> Fuel Injector Circuits (350Z)
April 5, 2026: LEMON Manuals is launched! Read the announcement.

Fuel Injector Circuits (350Z)

For injector circuit test procedure, see Fig 1-Fig 6 . If no problem is indicated at this time, see INTERMITTENTS in TROUBLE SHOOTING - NO CODES article. For removal and installation of components, see appropriate REMOVAL & INSTALLATION article.

Fig 1: Fuel Injector Circuit System & Component Testing Procedure (350Z - 1 Of 6)
G00267077Courtesy of NISSAN MOTOR CO., U.S.A.
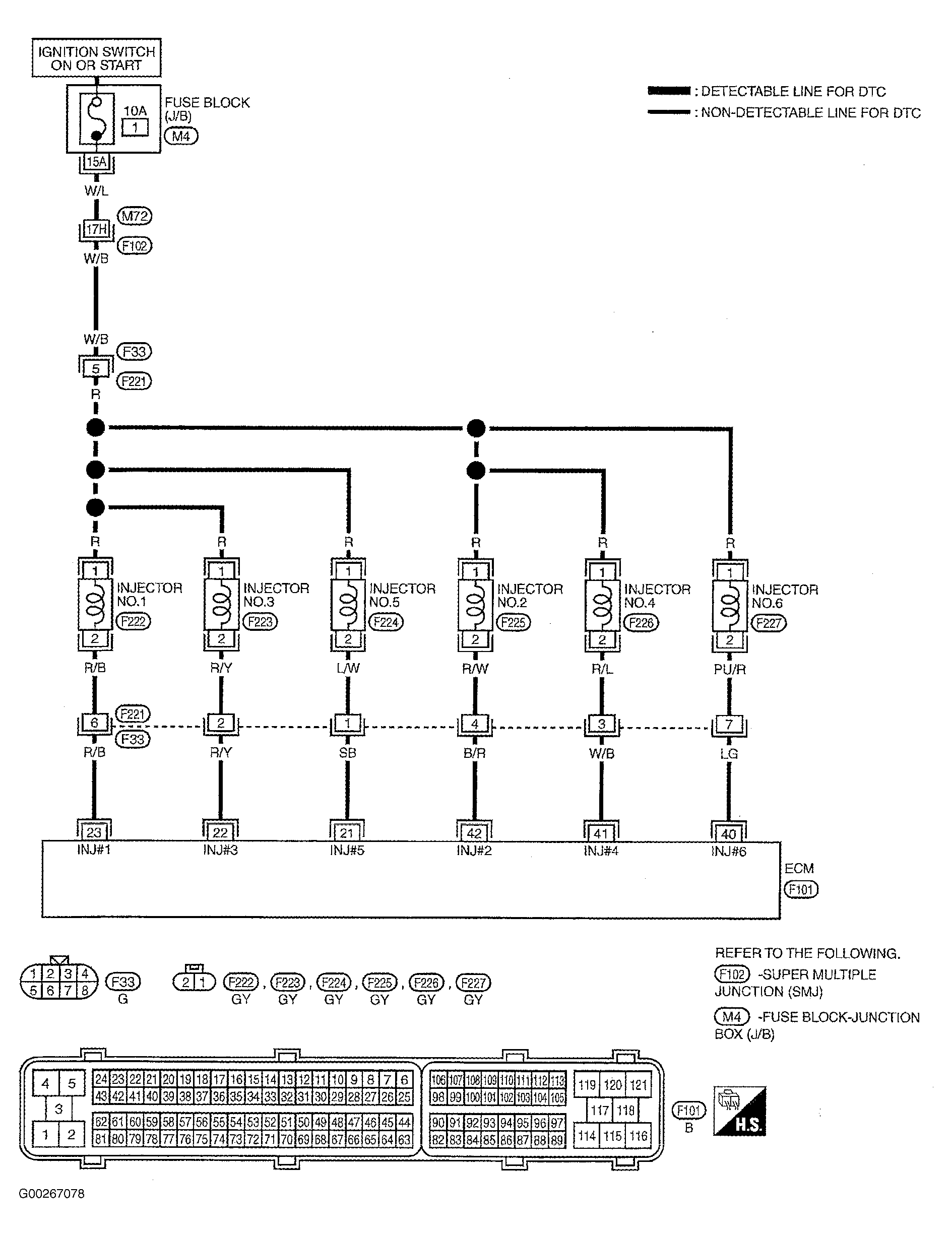
Fig 2: Fuel Injector Circuit System & Component Testing Procedure (350Z - 2 Of 6)
G00267078Courtesy of NISSAN MOTOR CO., U.S.A.
Fig 3: Fuel Injector Circuit System & Component Testing Procedure (350Z - 3 Of 6)
G00267079Courtesy of NISSAN MOTOR CO., U.S.A.
Fig 4: Fuel Injector Circuit System & Component Testing Procedure (350Z - 4 Of 6)
G00267080Courtesy of NISSAN MOTOR CO., U.S.A.
Fig 5: Fuel Injector Circuit System & Component Testing Procedure (350Z - 5 Of 6)
G00267081Courtesy of NISSAN MOTOR CO., U.S.A.
Fig 6: Fuel Injector Circuit System & Component Testing Procedure (350Z - 6 Of 6)
G00267082Courtesy of NISSAN MOTOR CO., U.S.A.