LEMON Manuals: Even more car manuals for everyone: 1960-2025
Home >> Nissan-Datsun >> 2003 >> Sentra SE-R, Standard >> Repair and Diagnosis >> Engine Performance >> System >> Engine Controls - System & Component Testing >> Fuel System >> Fuel Delivery >> Fuel Pump Control System (Murano)
April 5, 2026: LEMON Manuals is launched! Read the announcement.

Fuel Pump Control System (Murano)

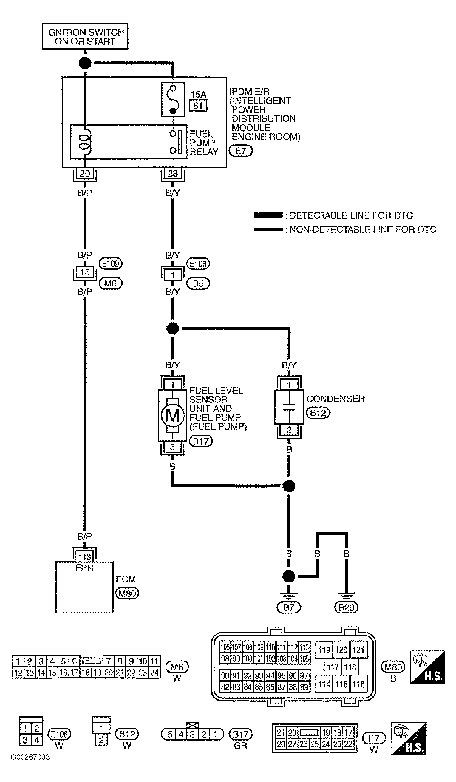
For fuel pump control system diagnosis and testing procedure, see Fig 2-Fig 5 . For fuel pump control circuit wiring diagram, see Fig 1. To check condenser, see FUEL SYSTEM CONDENSER . To check fuel pump, see FUEL PUMP . If no problem is indicated at this time, problem may be intermittent. See INTERMITTENTS in TROUBLE SHOOTING - NO CODES article. For component removal and installation procedures, see appropriate REMOVAL & INSTALLATION article.

Fig 1: Fuel Pump Control Circuit Wiring Diagram
G00267033Courtesy of NISSAN MOTOR CO., U.S.A.
Fig 2: Fuel Pump Control System & Component Testing Procedure (Murano - 1 Of 4)
G00267044Courtesy of NISSAN MOTOR CO., U.S.A.
Fig 3: Fuel Pump Control System & Component Testing Procedure (Murano - 2 Of 4)
G00267045Courtesy of NISSAN MOTOR CO., U.S.A.
Fig 4: Fuel Pump Control System & Component Testing Procedure (Murano - 3 Of 4)
G00267046Courtesy of NISSAN MOTOR CO., U.S.A.
Fig 5: Fuel Pump Control System & Component Testing Procedure (Murano - 4 Of 4)
G00267047Courtesy of NISSAN MOTOR CO., U.S.A.