LEMON Manuals: Even more car manuals for everyone: 1960-2025
Home >> Nissan-Datsun >> 2003 >> Sentra SE-R, Standard >> Repair and Diagnosis >> External Pages >> Different car >> Section 1584 (Audio, Visual, Navigation & Telephone System) >> Navigation System >> Schematic
April 5, 2026: LEMON Manuals is launched! Read the announcement.

Navigation System: Schematic

WARNING: This page is about a different car, the 2005 Nissan Titan. However, it is still accessible from the selected car via links, so may be relevant.
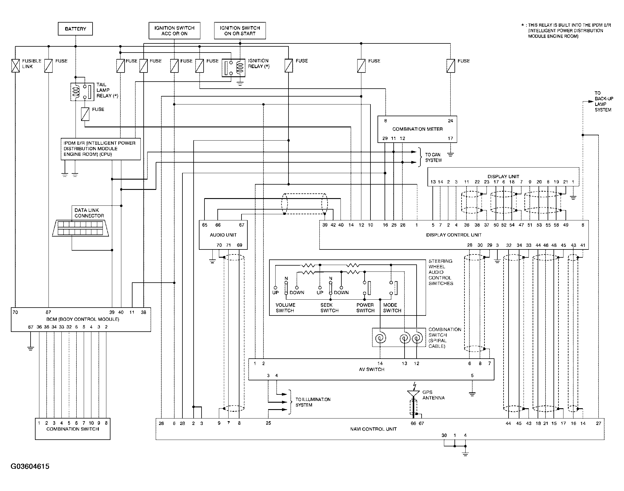
Fig 1: Navigation System Schematic Diagram
G03604615Courtesy of NISSAN MOTOR CO., U.S.A.


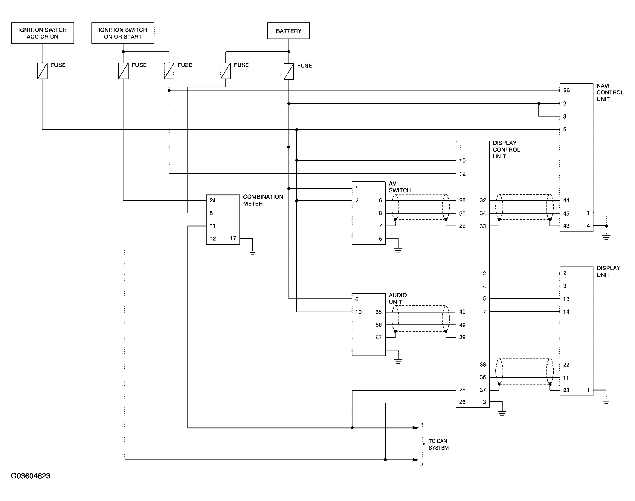
Fig 1: Schematic Diagram
G03604623Courtesy of NISSAN MOTOR CO., U.S.A.