LEMON Manuals: Even more car manuals for everyone: 1960-2025
Home >> Nissan-Datsun >> 2004 >> Altima Base, Automatic >> Repair and Diagnosis >> Engine Performance >> Engine Control System - 2.5L >> DTC P0171: Fuel Injection System Function >> Wiring Diagram
April 5, 2026: LEMON Manuals is launched! Read the announcement.

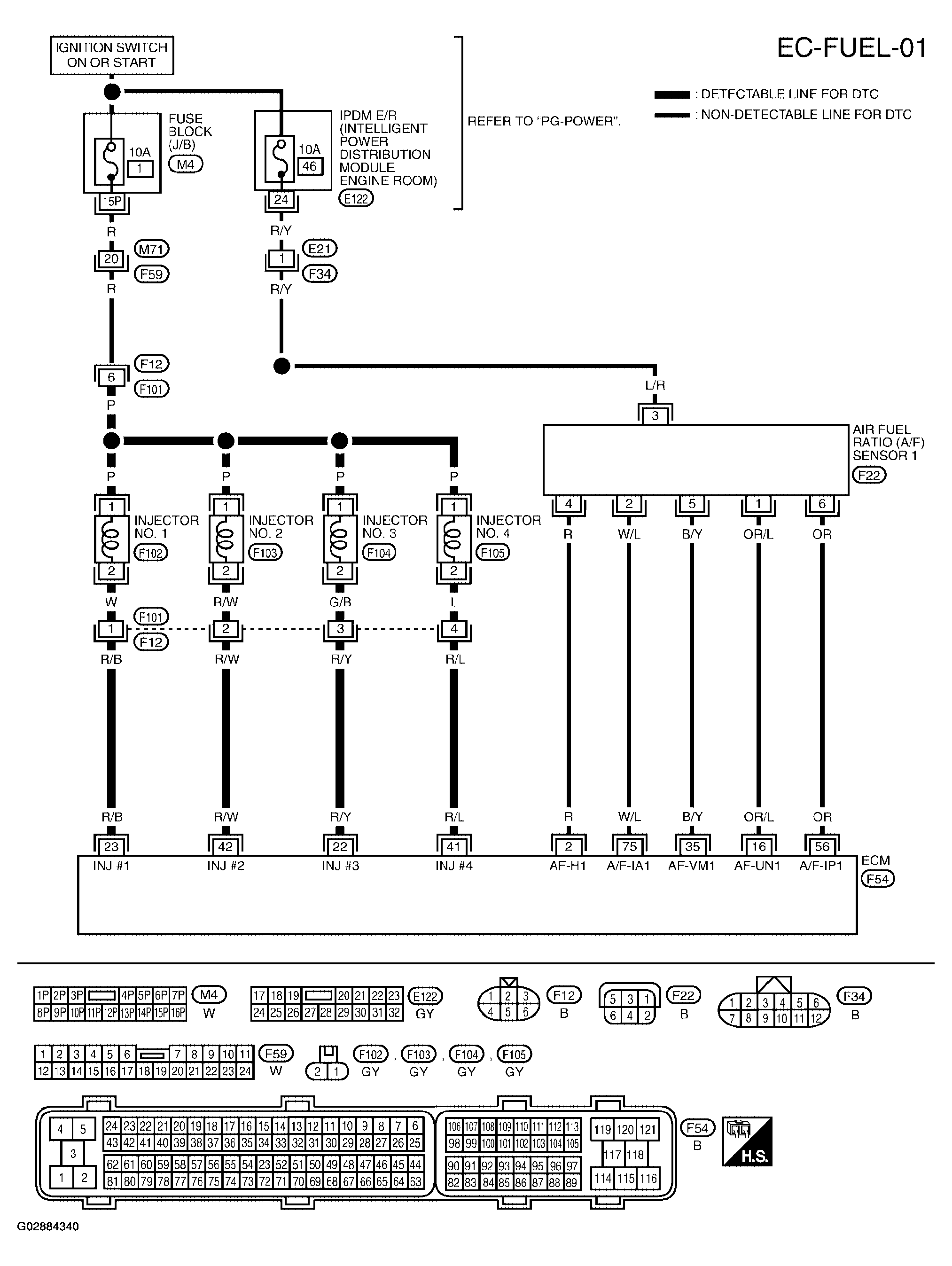
DTC P0171: Fuel Injection System Function: Wiring Diagram

Fig 1: Wiring Diagram - EC-FUEL-01
G02884340Courtesy of NISSAN MOTOR CO., U.S.A.