LEMON Manuals: Even more car manuals for everyone: 1960-2025
Home >> Nissan-Datsun >> 2004 >> Altima Base, Automatic >> Repair and Diagnosis >> Engine Performance >> Engine Control System - 2.5L >> Engine Control System >> System Diagram
April 5, 2026: LEMON Manuals is launched! Read the announcement.

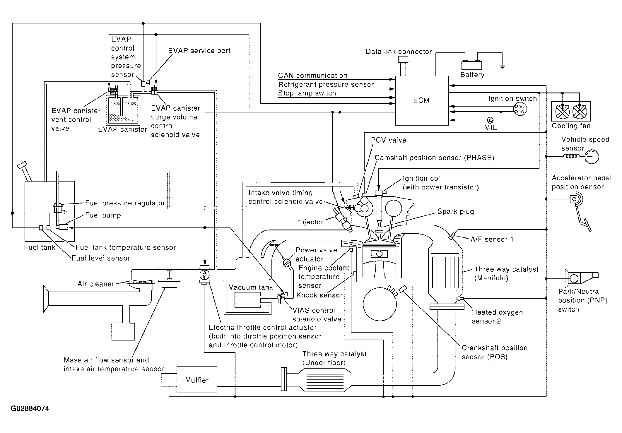
System Diagram

Fig 1: Identifying Engine Control System Diagram
G02884074Courtesy of NISSAN MOTOR CO., U.S.A.