LEMON Manuals: Even more car manuals for everyone: 1960-2025
Home >> Nissan-Datsun >> 2004 >> Altima Base, Standard >> Repair and Diagnosis >> Engine Performance >> Engine Control System - 2.5L >> ASCD Brake Switch >> Wiring Diagram
April 5, 2026: LEMON Manuals is launched! Read the announcement.

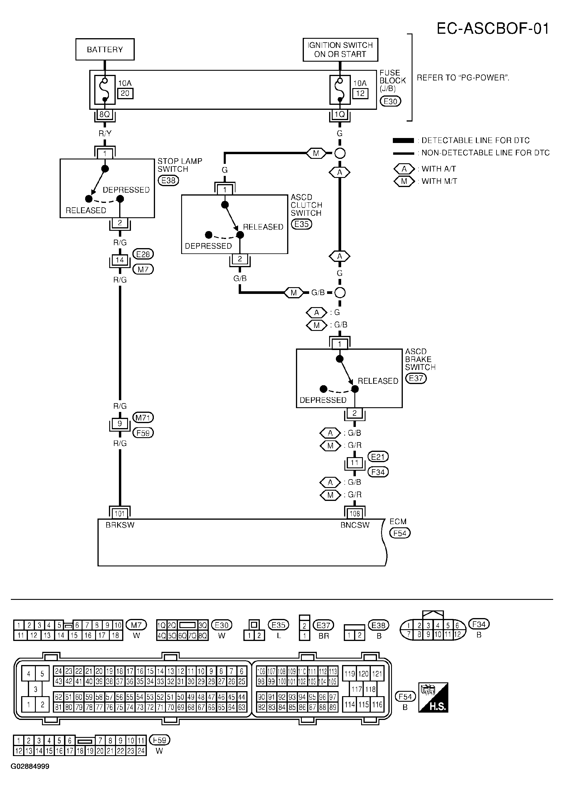
ASCD Brake Switch: Wiring Diagram

Fig 1: Wiring Diagram - EC-ASCBOF-01
G02884999Courtesy of NISSAN MOTOR CO., U.S.A.

Specification data are reference values and are measured between each terminal and ground.

CAUTION: Do not use ECM ground terminals when measuring input/output voltage. Doing so may result in damage to the ECM's transistor. Use a ground other than ECM terminals, such as the ground.
Fig 2: Stop Lamp & ASCD Brake Switch Terminal Voltage Conditions
G02885000Courtesy of NISSAN MOTOR CO., U.S.A.