LEMON Manuals: Even more car manuals for everyone: 1960-2025
Home >> Nissan-Datsun >> 2004 >> Frontier Base, Standard >> Repair and Diagnosis >> Engine Performance >> Engine Control System - KA24DE >> Circuit Diagram
April 5, 2026: LEMON Manuals is launched! Read the announcement.

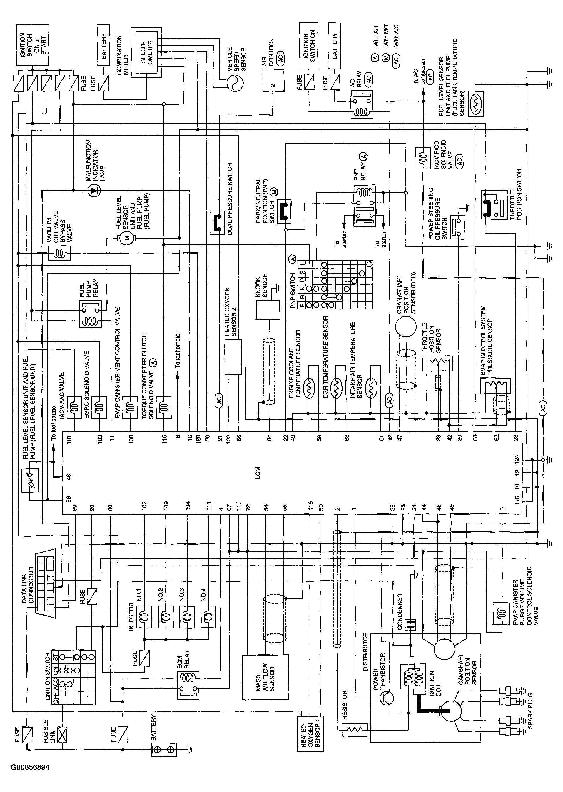
Circuit Diagram

Fig 1: Identifying Engine Control Circuit Diagram
G00856894Courtesy of NISSAN MOTOR CO., U.S.A.