LEMON Manuals: Even more car manuals for everyone: 1960-2025
Home >> Nissan-Datsun >> 2004 >> Sentra SE-R >> Repair and Diagnosis >> External Pages >> Different car >> Section 115 (Engine Controls - Self-Diagnostics) >> Diagnostic Tests >> DTC P1124: Throttle Control Motor Relay Circuit Shorted Or DTC P1126: Throttle Control Motor Relay Circuit Open >> Circuit Identification
April 5, 2026: LEMON Manuals is launched! Read the announcement.

Circuit Identification

WARNING: This page is about a different car, the 2003 Nissan Altima. However, it is still accessible from the selected car via links, so may be relevant.

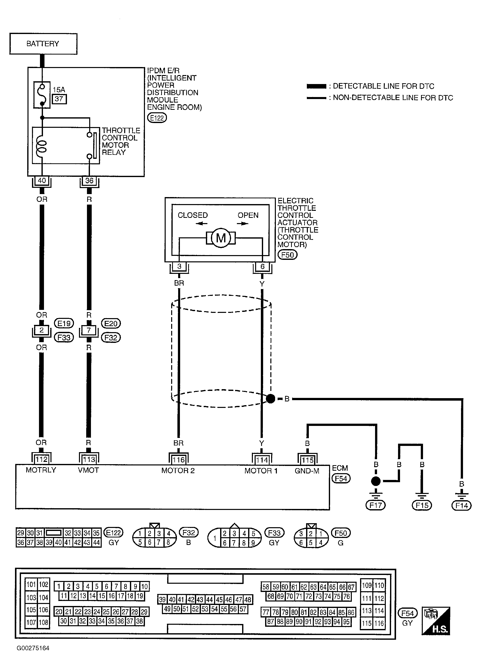
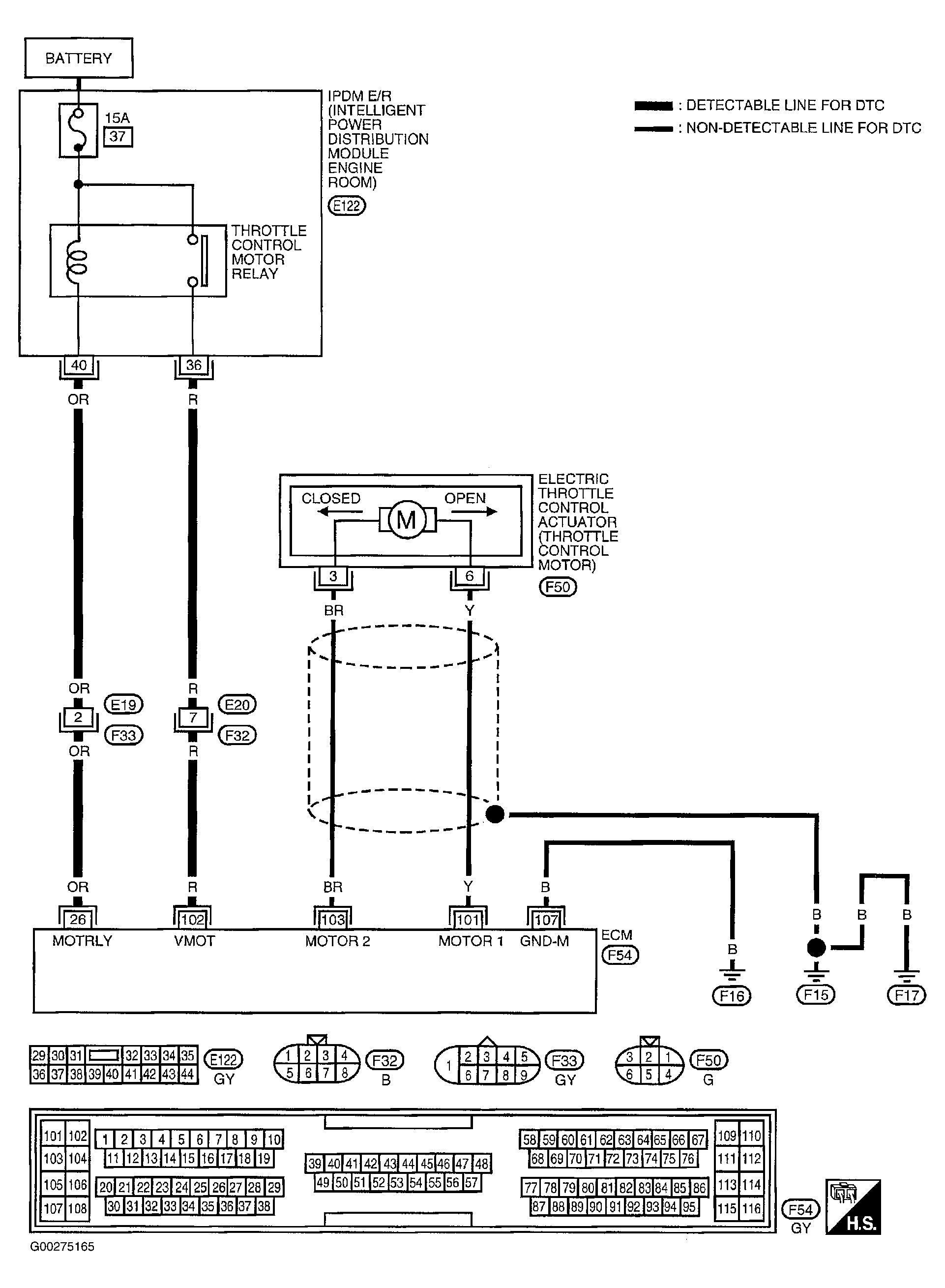
For circuit identification, see Fig 1 - Fig 2 .

Fig 1: Circuit Identification For Throttle Control Motor (Relay - 2.5L)
G00275164Courtesy of NISSAN MOTOR CO., U.S.A.
Fig 2: Circuit Identification For Throttle Control Motor (Relay - 3.5L)
G00275165Courtesy of NISSAN MOTOR CO., U.S.A.