LEMON Manuals: Even more car manuals for everyone: 1960-2025
Home >> Nissan-Datsun >> 2004 >> Sentra SE-R >> Repair and Diagnosis >> External Pages >> Different car >> Section 1307 (Audio System) >> Audio >> Schematic >> Midline System
April 5, 2026: LEMON Manuals is launched! Read the announcement.

Midline System

WARNING: This page is about a different car, the 2004 Nissan Titan. However, it is still accessible from the selected car via links, so may be relevant.
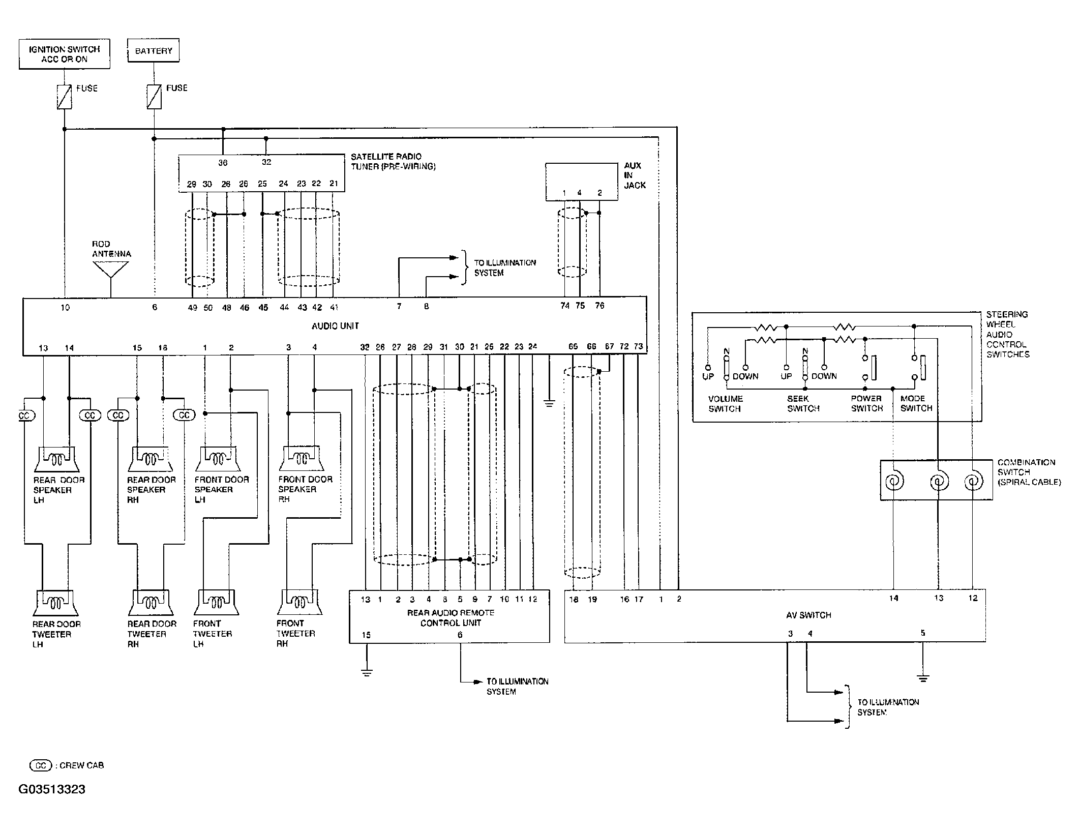
Fig 1: Audio Midline System Schematic Diagram
G03513323Courtesy of NISSAN MOTOR CO., U.S.A.