LEMON Manuals: Even more car manuals for everyone: 1960-2025
Home >> Nissan-Datsun >> 2004 >> Sentra SE-R >> Repair and Diagnosis >> External Pages >> Different car >> Section 211 (Engine Controls - Self-Diagnostics) >> Diagnostic Tests >> DTC P0222: Throttle Position (TP) Sensor 1 Circuit Low Input Or DTC P0223: Throttle Position (TP) Sensor 1 Circuit High Input
April 5, 2026: LEMON Manuals is launched! Read the announcement.

DTC P0222: Throttle Position (TP) Sensor 1 Circuit Low Input Or DTC P0223: Throttle Position (TP) Sensor 1 Circuit High Input

WARNING: This page is about a different car, the 2003 Nissan Murano. However, it is still accessible from the selected car via links, so may be relevant.
NOTE: Before performing diagnostic procedure, follow testing procedure. See TESTING PROCEDURE  under SELF-DIAGNOSTIC SYSTEM.

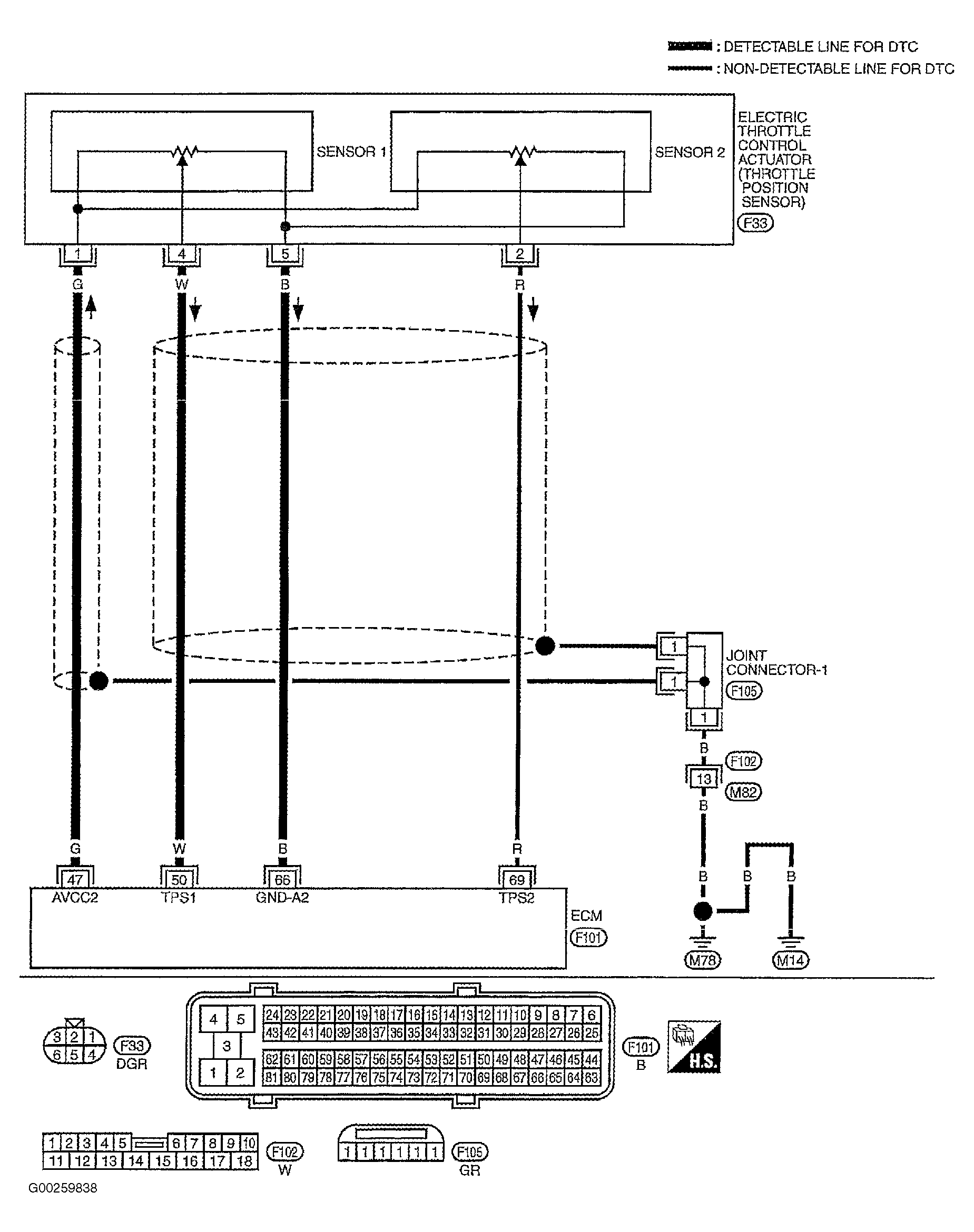
For diagnostic procedures, see Fig 1-Fig 6 .

Fig 1: DTCs P0222 & P0223 (1 Of 6)
G00259836Courtesy of NISSAN MOTOR CO., U.S.A.
Fig 2: DTCs P0222 & P0223 (2 Of 6)
G00259837Courtesy of NISSAN MOTOR CO., U.S.A.
Fig 3: DTCs P0222 & P0223 (3 Of 6)
G00259838Courtesy of NISSAN MOTOR CO., U.S.A.
Fig 4: DTCs P0222 & P0223 (4 Of 6)
G00259839Courtesy of NISSAN MOTOR CO., U.S.A.
Fig 5: DTCs P0222 & P0223 (5 Of 6)
G00259840Courtesy of NISSAN MOTOR CO., U.S.A.
Fig 6: DTCs P0222 & P0223 (6 Of 6)
G00259841Courtesy of NISSAN MOTOR CO., U.S.A.