LEMON Manuals: Even more car manuals for everyone: 1960-2025
Home >> Nissan-Datsun >> 2004 >> Sentra SE-R >> Repair and Diagnosis >> External Pages >> Different car >> Section 761 (Vehicle Information And Integrated Switch System /Without Navigation System) >> Vehicle Information And Integrated Switch System-Without Navigation System >> Wiring Diagram - COMM -
April 5, 2026: LEMON Manuals is launched! Read the announcement.

Wiring Diagram - COMM -

WARNING: This page is about a different car, the 2003 Infiniti M45. However, it is still accessible from the selected car via links, so may be relevant.
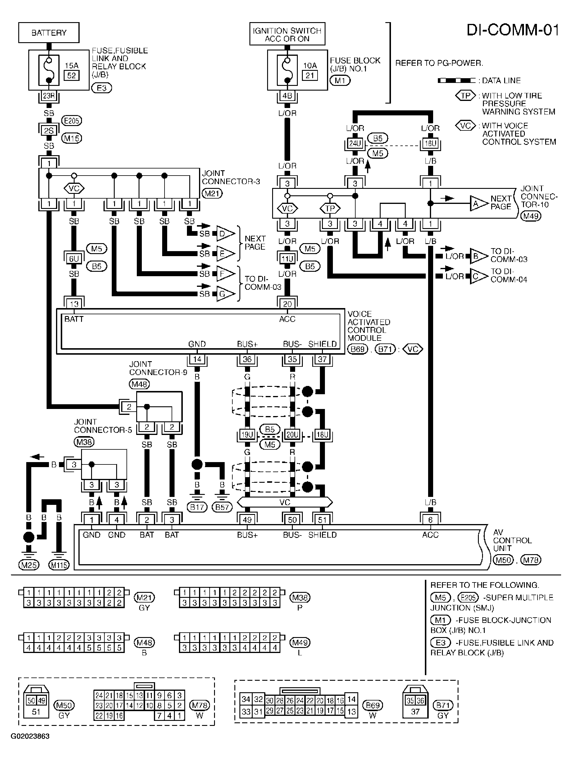
Fig 1: Wiring Diagram - COMM - AV Control Unit (1 Of 4)
G02023863Courtesy of NISSAN MOTOR CO., U.S.A.
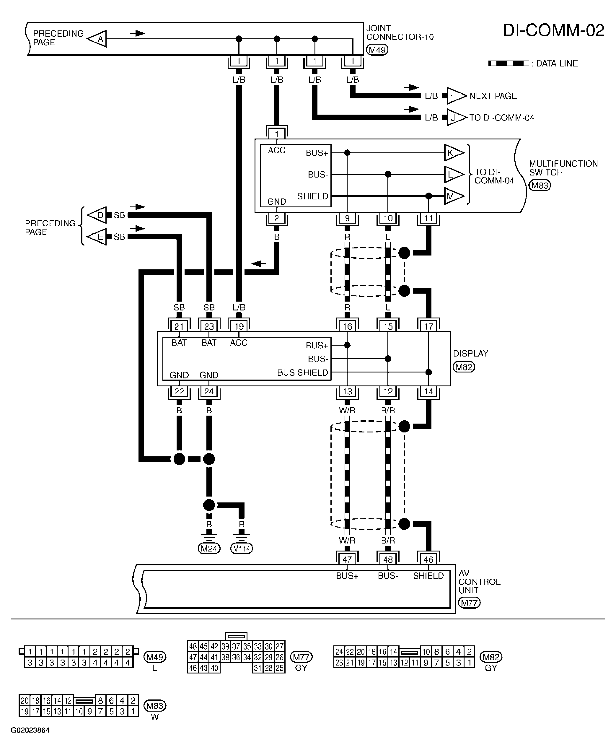
Fig 2: Wiring Diagram - COMM - AV Control Unit (2 Of 4)
G02023864Courtesy of NISSAN MOTOR CO., U.S.A.
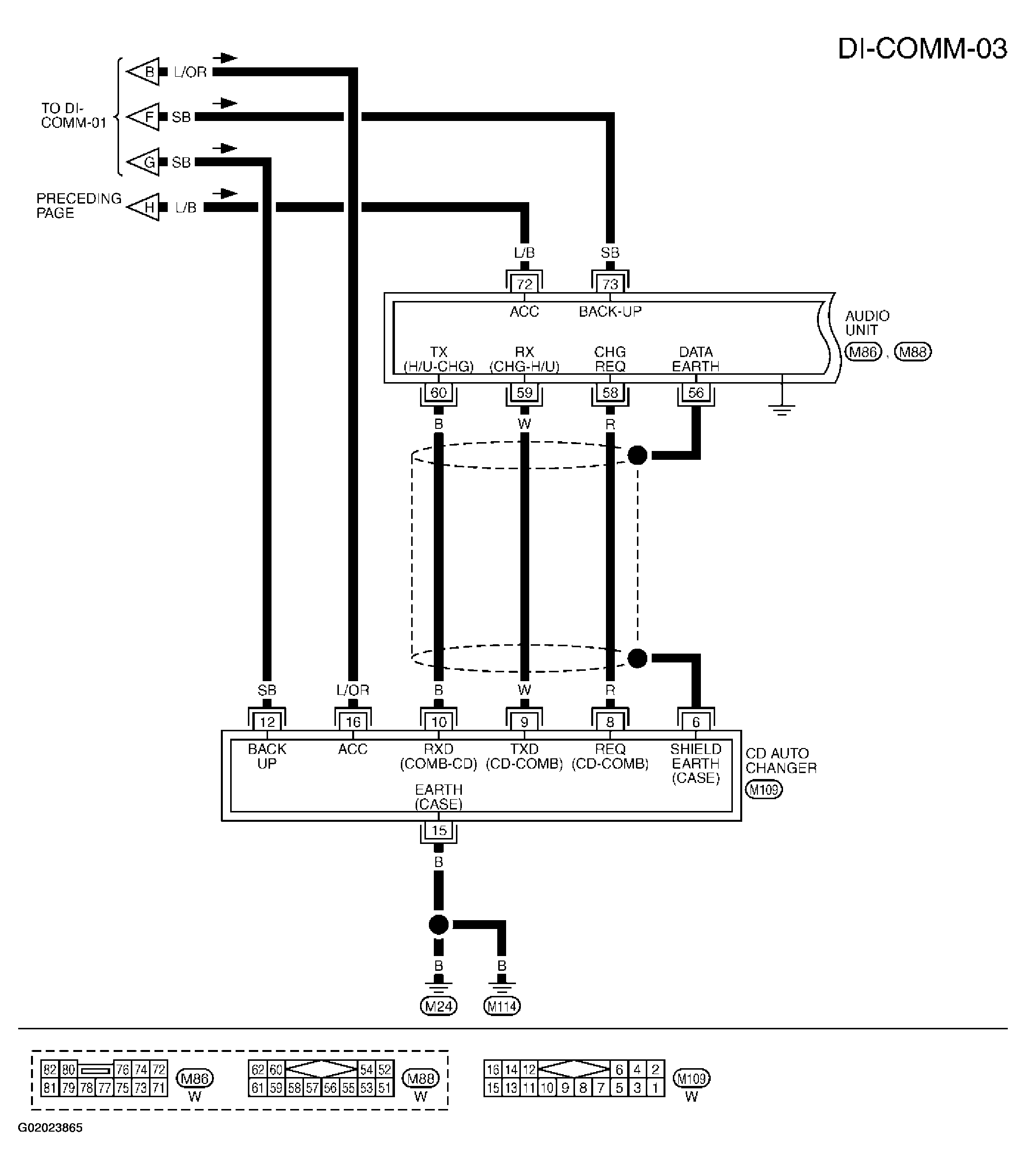
Fig 3: Wiring Diagram - COMM - AV Control Unit (3 Of 4)
G02023865Courtesy of NISSAN MOTOR CO., U.S.A.
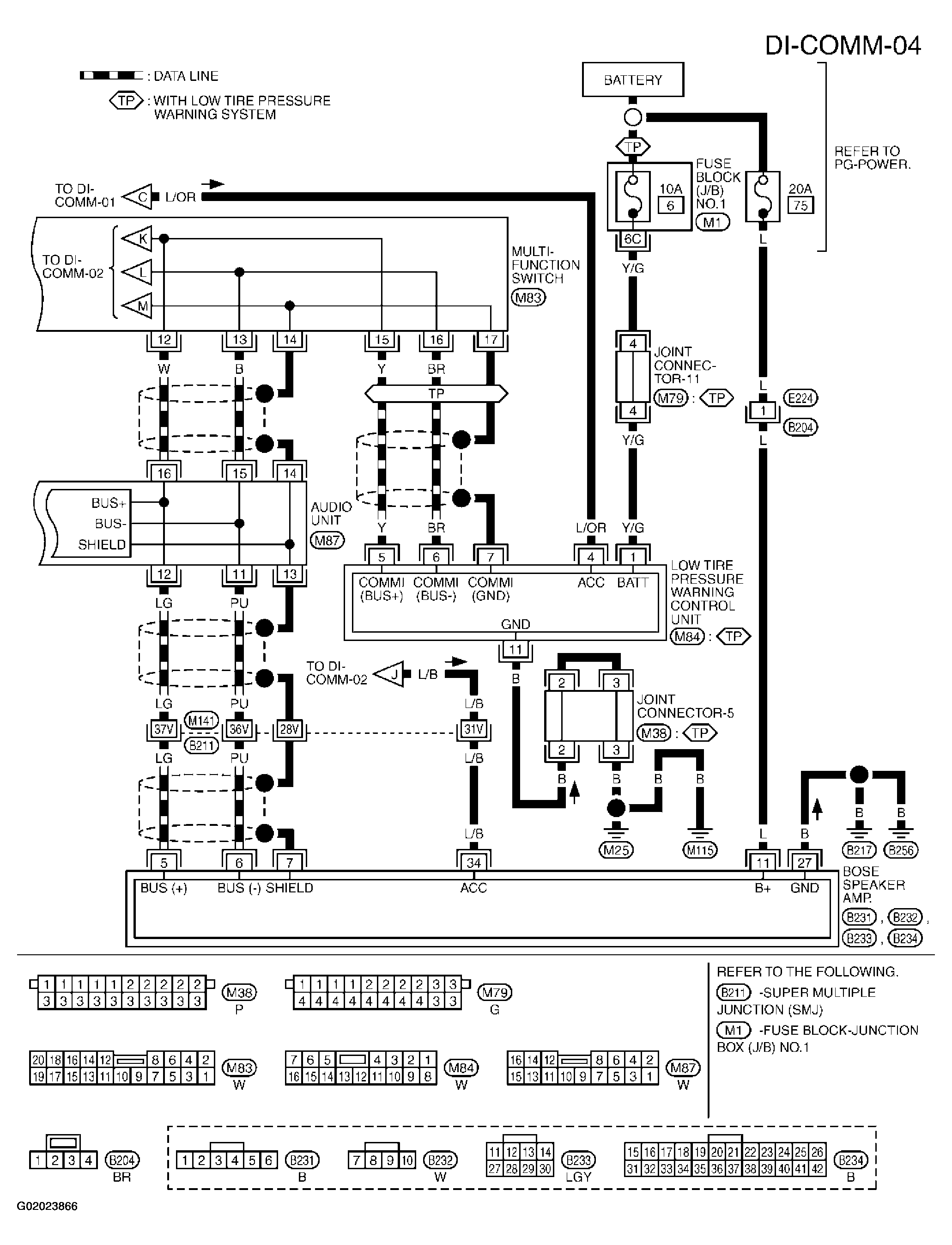
Fig 4: Wiring Diagram - COMM - AV Control Unit (4 Of 4)
G02023866Courtesy of NISSAN MOTOR CO., U.S.A.