LEMON Manuals: Even more car manuals for everyone: 1960-2025
Home >> Nissan-Datsun >> 2005 >> Maxima SL >> Repair and Diagnosis >> Engine Performance >> Engine Control System >> ASCD Indicator >> Wiring Diagram - ASCIND
April 5, 2026: LEMON Manuals is launched! Read the announcement.

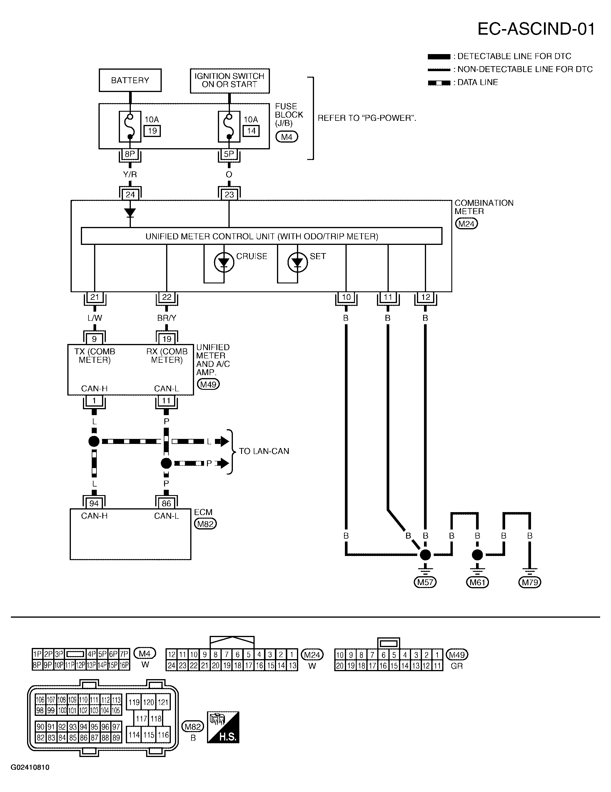
Wiring Diagram - ASCIND

For references to PG-POWER, see POWER SUPPLY, GROUND & CIRCUIT ELEMENTS .

Fig 1: Wiring Diagram - (EC-ASCIND-01)
G02410810Courtesy of NISSAN MOTOR CO., U.S.A.