LEMON Manuals: Even more car manuals for everyone: 1960-2025
Home >> Nissan-Datsun >> 2006 >> Altima SE-R, Automatic >> Repair and Diagnosis >> External Pages >> Different car >> Section 530 (Security Control System (With Intelligent Key System)) >> Wiring Diagram >> Vehicle Security System >> Wiring Diagram
April 5, 2026: LEMON Manuals is launched! Read the announcement.

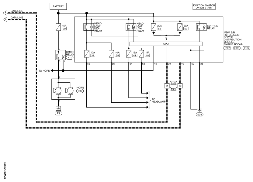
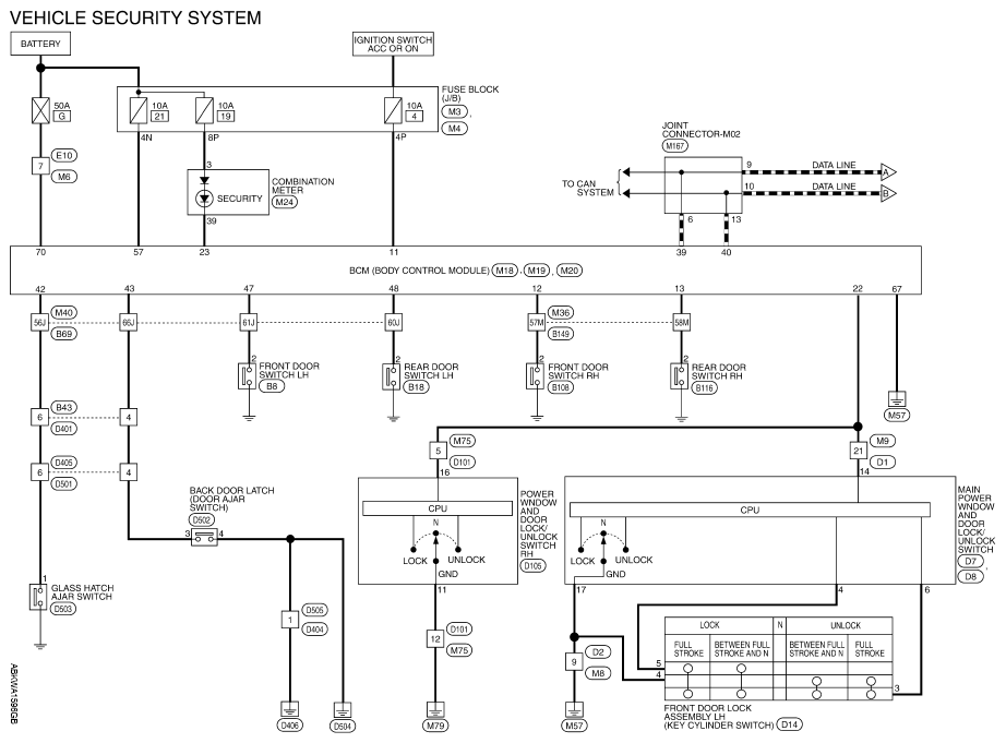
Vehicle Security System: Wiring Diagram

WARNING: This page is about a different car, the 2012 Nissan Pathfinder. However, it is still accessible from the selected car via links, so may be relevant.
Fig 1: Vehicle Security System Wiring Diagram (1 Of 2)
G08168374Courtesy of NISSAN NORTH AMERICA, INC.
Fig 2: Vehicle Security System Wiring Diagram (2 Of 2)
G08168375Courtesy of NISSAN NORTH AMERICA, INC.