LEMON Manuals: Even more car manuals for everyone: 1960-2025
Home >> Nissan-Datsun >> 2006 >> Sentra SE-R >> Repair and Diagnosis >> Accessories & Equipment >> Communication Devices >> Body Control System >> Time Control Unit >> Schematic (Without Power Door Locks)
April 5, 2026: LEMON Manuals is launched! Read the announcement.

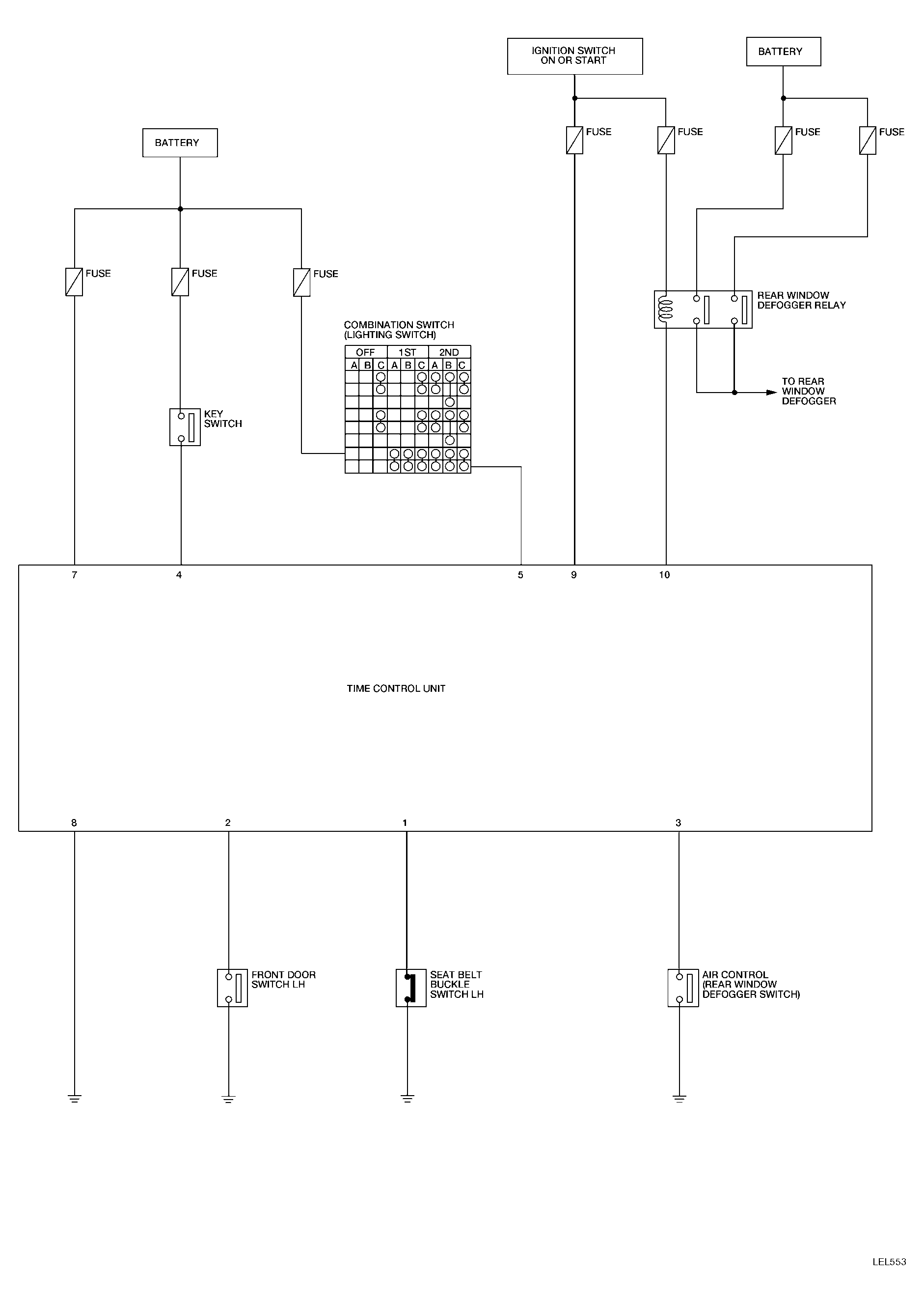
Schematic (Without Power Door Locks)

Fig 1: Smart Entrance Control Unit Schematic Diagram (Without Power Door Locks)
G04195512Courtesy of NISSAN MOTOR CO., U.S.A.