LEMON Manuals: Even more car manuals for everyone: 1960-2025
Home >> Nissan-Datsun >> 2006 >> Sentra SE-R >> Repair and Diagnosis >> External Pages >> Different car >> Section 104 (Body, Lock & Security System) >> Service Information >> Intelligent Key System >> Schematic
April 5, 2026: LEMON Manuals is launched! Read the announcement.

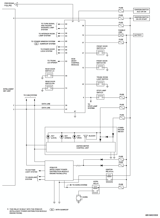
Intelligent Key System: Schematic

WARNING: This page is about a different car, the 2009 Nissan Sentra. However, it is still accessible from the selected car via links, so may be relevant.
Fig 1: Intelligent Key System - Schematic Diagram (1 Of 2)
G05924662Courtesy of NISSAN MOTOR CO., U.S.A.
Fig 2: Intelligent Key System - Schematic Diagram (2 Of 2)
G05924663Courtesy of NISSAN MOTOR CO., U.S.A.