LEMON Manuals: Even more car manuals for everyone: 1960-2025
Home >> Nissan-Datsun >> 2009 >> Sentra SE-R >> Repair and Diagnosis >> Body & Frame >> Windows >> Glass, Window System & Mirrors >> Service Information >> Power Window System >> Schematic
April 5, 2026: LEMON Manuals is launched! Read the announcement.

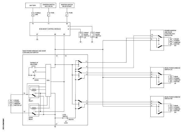
Power Window System: Schematic

Fig 1: Power Window System Schematic Diagram
G05922819Courtesy of NISSAN MOTOR CO., U.S.A.