LEMON Manuals: Even more car manuals for everyone: 1960-2025
Home >> Nissan-Datsun >> 2011 >> Cube Base >> Repair and Diagnosis >> Body & Frame >> Door Locks >> Security Control System >> [With Intelligent Key System] >> DTC/Circuit Diagnosis >> Intelligent Key System/Engine Start Function >> Wiring Diagram - INTELLIGENT KEY SYSTEM/ENGINE START FUNCTION -
April 5, 2026: LEMON Manuals is launched! Read the announcement.

Wiring Diagram - INTELLIGENT KEY SYSTEM/ENGINE START FUNCTION -

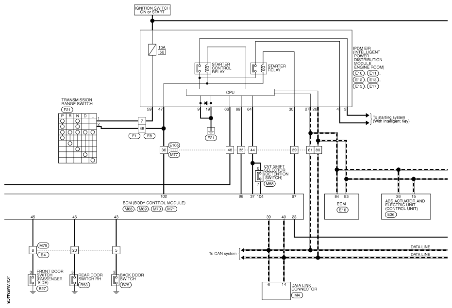
Fig 1: Intelligent Key System/Engine Start Function - Wiring Diagram (1 Of 3)
G07105556Courtesy of NISSAN MOTOR CO., U.S.A.
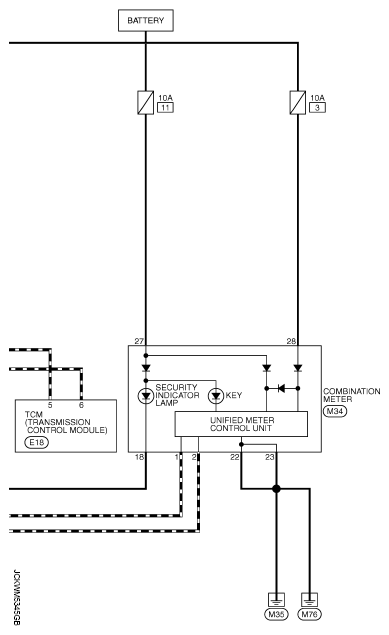
Fig 2: Intelligent Key System/Engine Start Function - Wiring Diagram (2 Of 3)
G07105557Courtesy of NISSAN MOTOR CO., U.S.A.
Fig 3: Intelligent Key System/Engine Start Function - Wiring Diagram (3 Of 3)
G07105558Courtesy of NISSAN MOTOR CO., U.S.A.
Fig 4: Identifying Intelligent Key System/Engine Start Function Connectors (1 Of 6)
G07105559Courtesy of NISSAN MOTOR CO., U.S.A.
Fig 5: Identifying Intelligent Key System/Engine Start Function Connectors (2 Of 6)
G07105560Courtesy of NISSAN MOTOR CO., U.S.A.
Fig 6: Identifying Intelligent Key System/Engine Start Function Connectors (3 Of 6)
G07105561Courtesy of NISSAN MOTOR CO., U.S.A.
Fig 7: Identifying Intelligent Key System/Engine Start Function Connectors (4 Of 6)
G07105562Courtesy of NISSAN MOTOR CO., U.S.A.
Fig 8: Identifying Intelligent Key System/Engine Start Function Connectors (5 Of 6)
G07105563Courtesy of NISSAN MOTOR CO., U.S.A.
Fig 9: Identifying Intelligent Key System/Engine Start Function Connectors (6 Of 6)
G07105564Courtesy of NISSAN MOTOR CO., U.S.A.