LEMON Manuals: Even more car manuals for everyone: 1960-2025
Home >> Nissan-Datsun >> 2012 >> Sentra SE-R Spec V, Trans Mfr CD RS6F52A >> Repair and Diagnosis >> External Pages >> Different variant/trim >> Section 13 (Engine Control System - Component Testing (MR20DE) (CALIFORNIA)) >> Ignition Signal >> Wiring Diagram
April 5, 2026: LEMON Manuals is launched! Read the announcement.

Ignition Signal: Wiring Diagram

WARNING: This page is about a different variant/trim than selected.
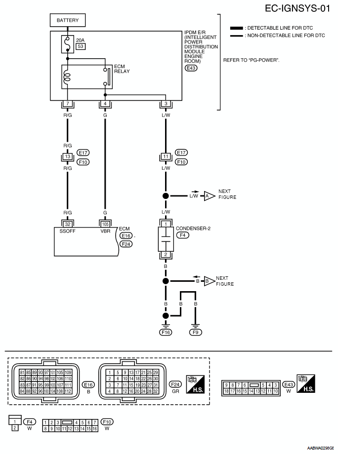
Fig 1: Identifying Wiring Diagram With Connector End View (EC-IGNSYS-01)
G05921934Courtesy of NISSAN NORTH AMERICA, INC.

Specification data are reference values and are measured between each terminal and ground.

CAUTION: Do not use ECM ground terminals when measuring input/output voltage. Doing so may result in damage to the ECM's transistor. Use a ground other than ECM terminals, such as the ground.
Terminal No. Wire color Item Condition Data (DC voltage)
32 R/G ECM relay (Self shut-off) [Engine is running] 
[Ignition switch: OFF] 
  • For a few seconds after turning ignition switch OFF
0 - 1.0 V
[Ignition switch: OFF] 
  • More than a few seconds after turning ignition switch OFF
Battery voltage (11 - 14 V)
105 G Power supply for ECM [Ignition switch: ON]  Battery voltage (11 - 14 V)
Fig 2: Identifying Wiring Diagram With Connector End View (EC-IGNSYS-02)
G04925639Courtesy of NISSAN NORTH AMERICA, INC.

Specification data are reference values and are measured between each terminal and ground.

Pulse signal is measured by CONSULT.

CAUTION: Do not use ECM ground terminals when measuring input/output voltage. Doing so may result in damage to the ECM's transistor. Use a ground other than ECM terminals, such as the ground.
Terminal No. Wire Color Item Condition Data (DC voltage)
17
18
21
22
V
BR/Y
G
Y
Ignition signal No. 1
Ignition signal No. 2
Ignition signal No. 4
Ignition signal No. 3
[Engine is running] 
  • Warm-up condition 
  • Idle speed
NOTE: The pulse cycle changes depending on rpm at idle
0 - 0.3 V(1)
G04926268Courtesy of NISSAN NORTH AMERICA, INC.
[Engine is running] 
  • Warm-up condition 
  • Engine speed: 2, 500 rpm
0.2 - 0.5 V(1)
G05921437Courtesy of NISSAN NORTH AMERICA, INC.
(1) Average voltage for pulse signal (Actual pulse signal can be confirmed by oscilloscope.)