LEMON Manuals: Even more car manuals for everyone: 1960-2025
Home >> Nissan-Datsun >> 2012 >> Sentra SE-R Spec V, Trans Mfr CD RS6F52A >> Repair and Diagnosis >> External Pages >> Different variant/trim >> Section 18 (Engine Control System - Component Testing (MR20DE) (Except CALIFORNIA)) >> ASCD Indicator >> Wiring Diagram
April 5, 2026: LEMON Manuals is launched! Read the announcement.

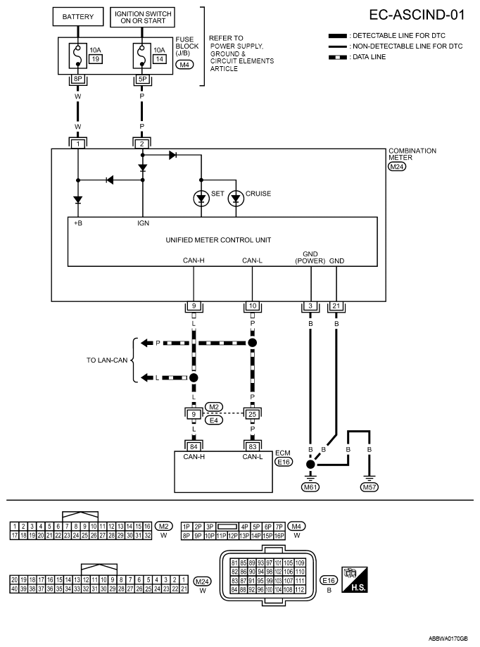
ASCD Indicator: Wiring Diagram

WARNING: This page is about a different variant/trim than selected.
Fig 1: Identifying Wiring Diagram With Connector End View (EC-ASCIND-01)
G06551398Courtesy of NISSAN NORTH AMERICA, INC.