LEMON Manuals: Even more car manuals for everyone: 1960-2025
Home >> Nissan-Datsun >> 2017 >> Sentra SL >> Repair and Diagnosis >> External Pages >> Different car >> Section 63 (Security Control System (With Intelligent Key System)) >> Wiring Diagram >> Vehicle Security System >> Wiring Diagram
April 5, 2026: LEMON Manuals is launched! Read the announcement.

Vehicle Security System: Wiring Diagram

WARNING: This page is about a different car, the 2016 Nissan Sentra. However, it is still accessible from the selected car via links, so may be relevant.
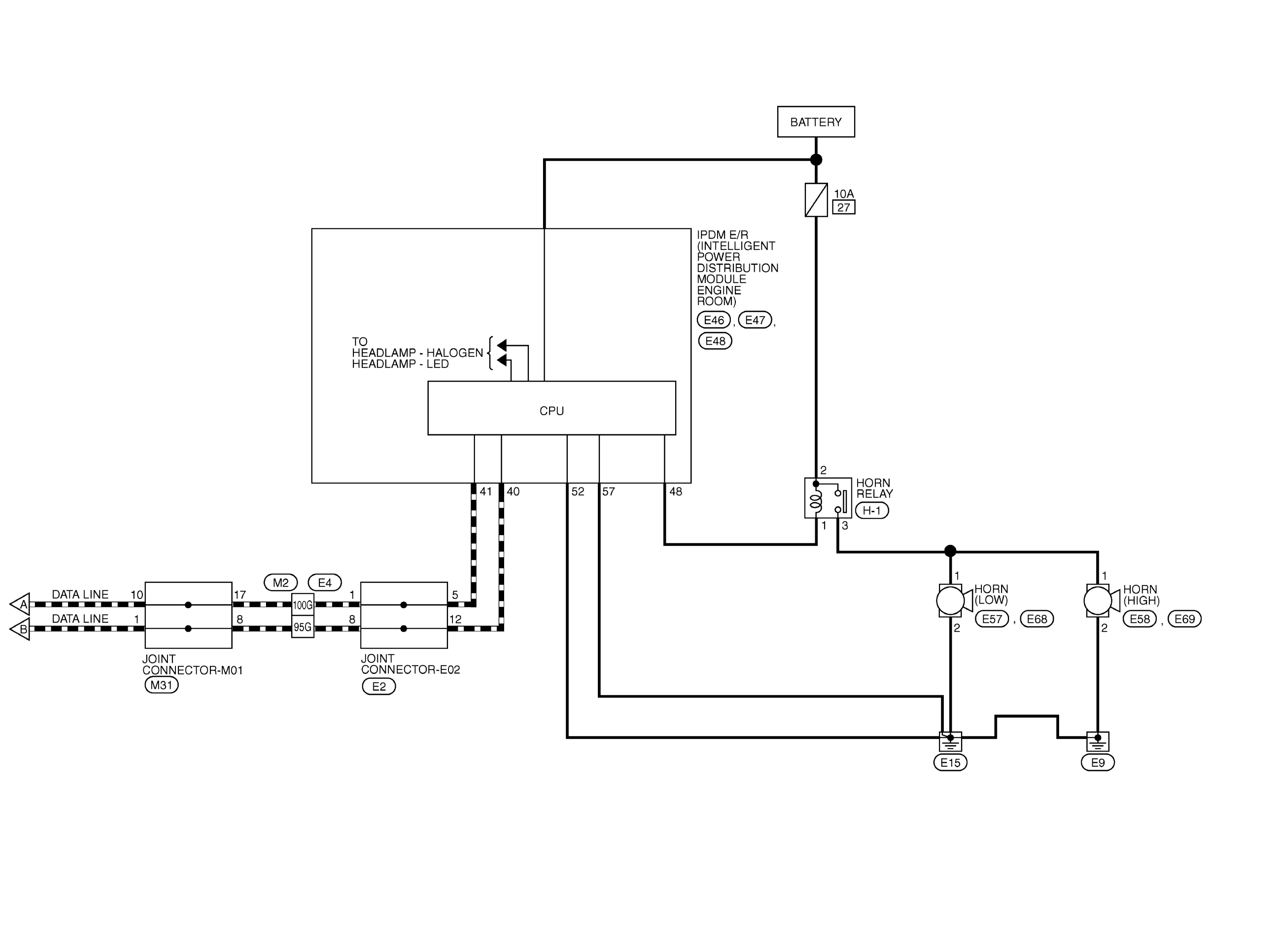
Fig 1: Vehicle Security System Wiring Diagram(1 Of 3)
GNSABKWA3178GB-178Courtesy of NISSAN NORTH AMERICA, INC.
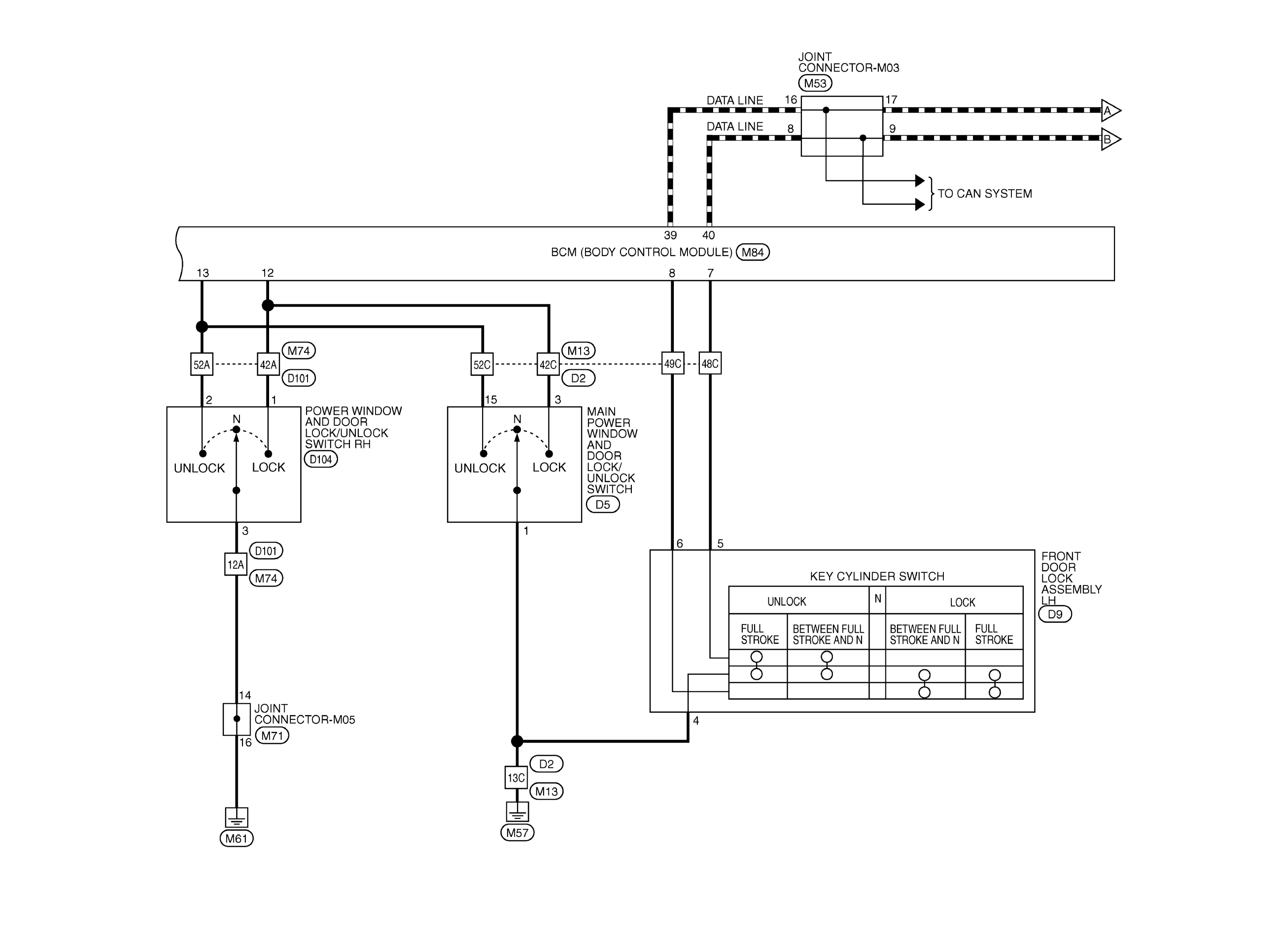
Fig 2: Vehicle Security System Wiring Diagram (2 Of 3)
GNSABKWA3179GB-179Courtesy of NISSAN NORTH AMERICA, INC.
Fig 3: Vehicle Security System Wiring Diagram (3 Of 3)
GNSABKWA3180GB-180Courtesy of NISSAN NORTH AMERICA, INC.
Fig 4: Vehicle Security System Connectors (1 Of 7)
GNSABKIA7308GB-308Courtesy of NISSAN NORTH AMERICA, INC.
Fig 5: Vehicle Security System Connectors (2 Of 7)
GNSABKIA7309GB-309Courtesy of NISSAN NORTH AMERICA, INC.
Fig 6: Vehicle Security System Connectors (3 Of 7)
GNSABKIA7310GB-310Courtesy of NISSAN NORTH AMERICA, INC.
Fig 7: Vehicle Security System Connectors (4 Of 7)
GNSABKIA7311GB-311Courtesy of NISSAN NORTH AMERICA, INC.
Fig 8: Vehicle Security System Connectors (5 Of 7)
GNSABKIA7312GB-312Courtesy of NISSAN NORTH AMERICA, INC.
Fig 9: Vehicle Security System Connectors (6 Of 7)
GNSABKIA7313GB-313Courtesy of NISSAN NORTH AMERICA, INC.
Fig 10: Vehicle Security System Connectors (7 Of 7)
GNSABKIA7314GB-314Courtesy of NISSAN NORTH AMERICA, INC.