LEMON Manuals: Even more car manuals for everyone: 1960-2025
Home >> Nissan-Datsun >> 2019 >> Versa Note S >> Repair and Diagnosis >> External Pages >> Different car >> Section 14 (Security Control System (With Intelligent Key System)) >> Wiring Diagram >> NVIS - With Intelligent Key System >> Wiring Diagram
April 5, 2026: LEMON Manuals is launched! Read the announcement.

NVIS - With Intelligent Key System: Wiring Diagram

WARNING: This page is about a different car, the 2017 Nissan Versa Note. However, it is still accessible from the selected car via links, so may be relevant.
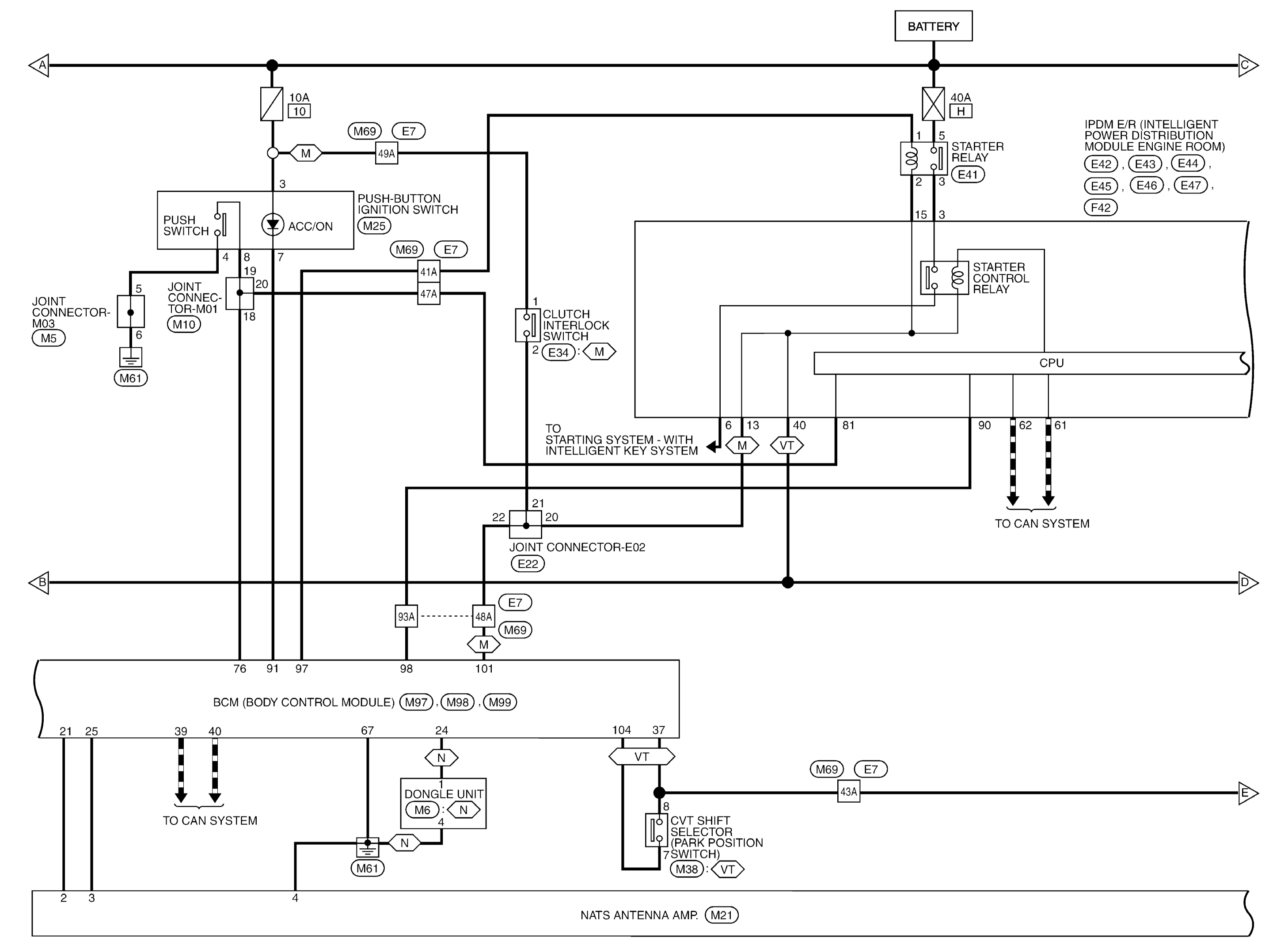
GNSABKWA3608GB-608Courtesy of NISSAN NORTH AMERICA, INC.
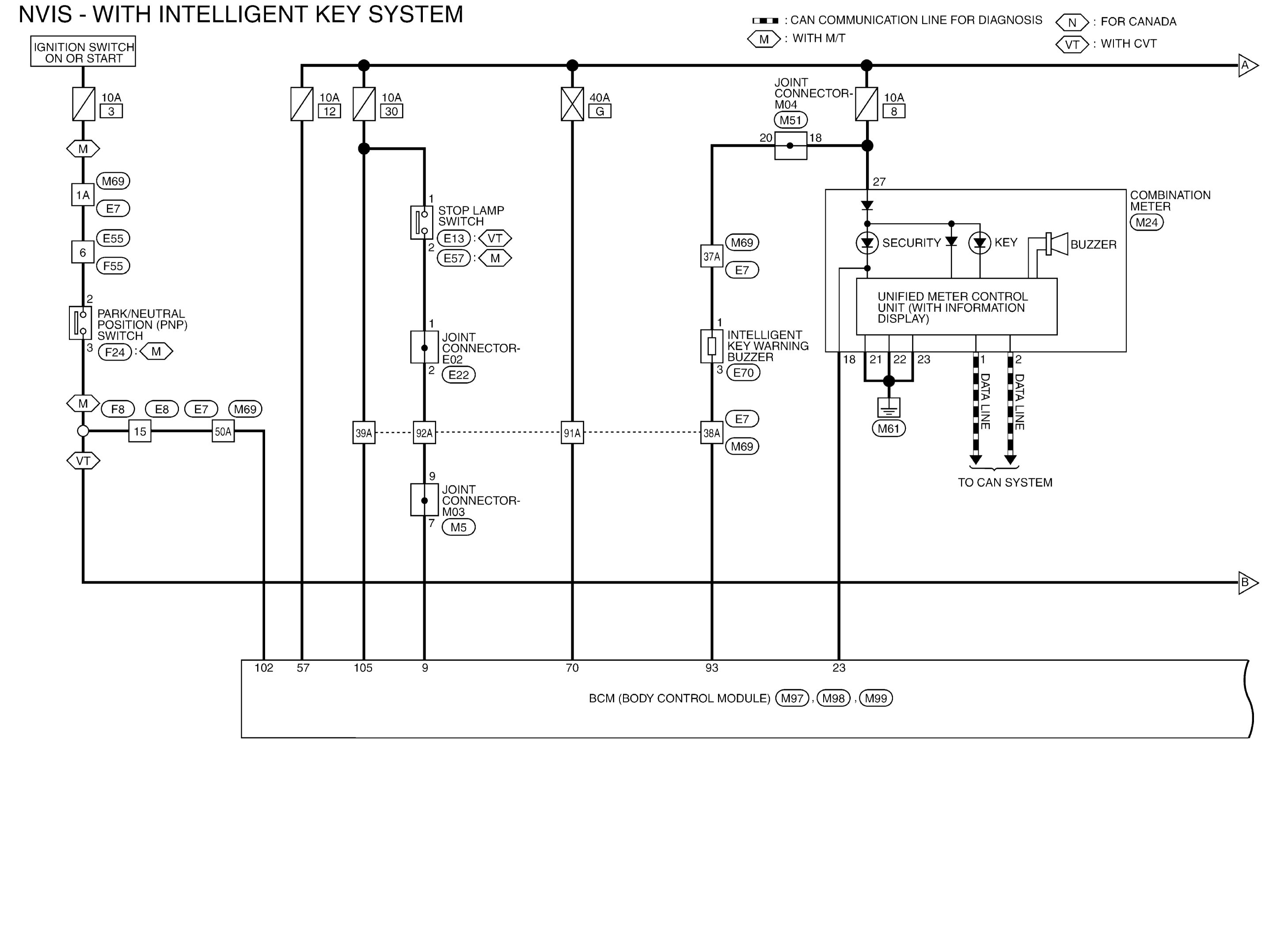
GNSABKWA3609GB-609Courtesy of NISSAN NORTH AMERICA, INC.
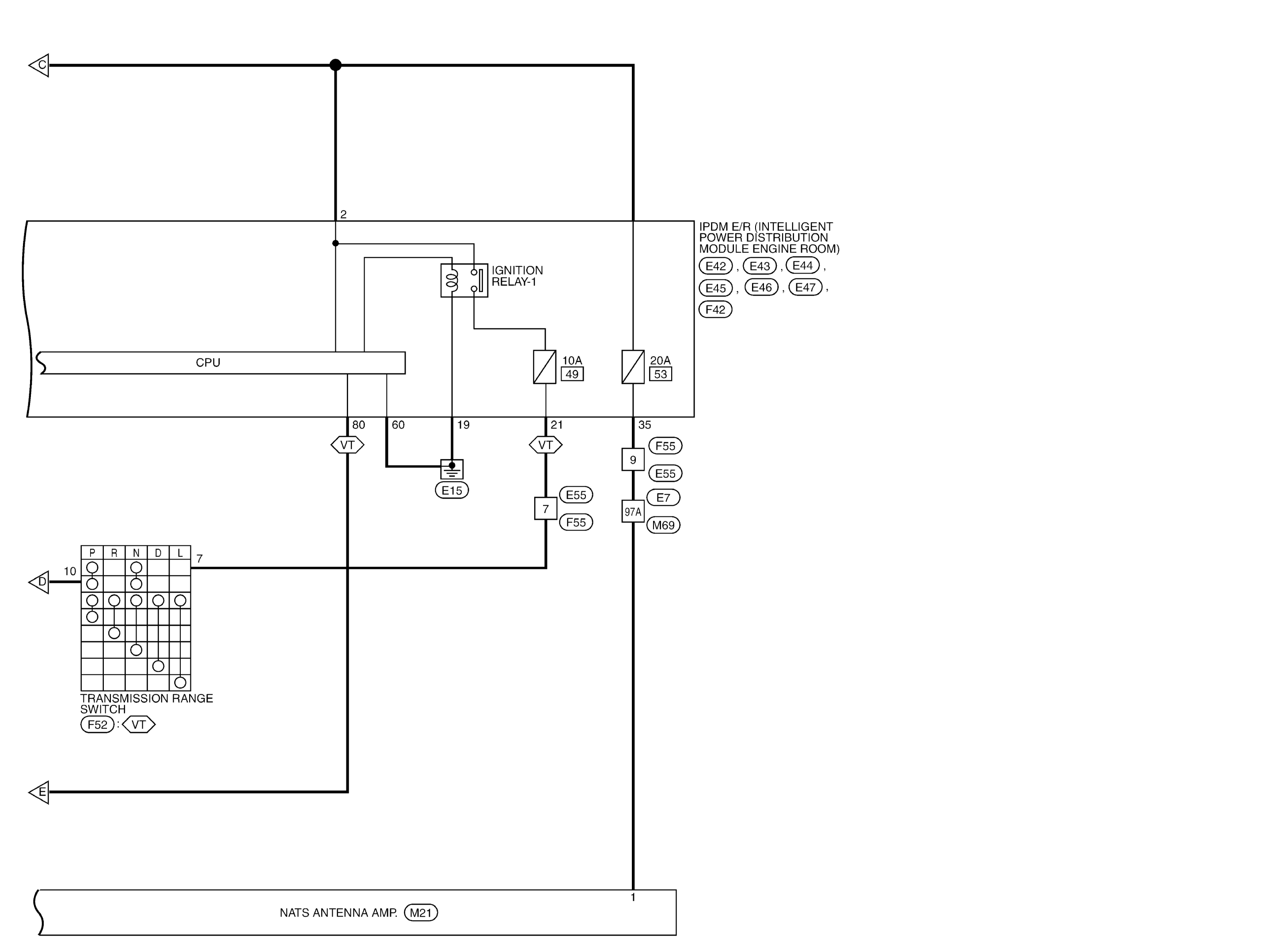
GNSABKWA3610GB-610Courtesy of NISSAN NORTH AMERICA, INC.
GNSABKIA9409GB-409Courtesy of NISSAN NORTH AMERICA, INC.
GNSABKIA9410GB-410Courtesy of NISSAN NORTH AMERICA, INC.
GNSABKIA9411GB-411Courtesy of NISSAN NORTH AMERICA, INC.
GNSABKIA9412GB-412Courtesy of NISSAN NORTH AMERICA, INC.
GNSABKIA9413GB-413Courtesy of NISSAN NORTH AMERICA, INC.
GNSABKIA9414GB-414Courtesy of NISSAN NORTH AMERICA, INC.
GNSABKIA9414GB-414Courtesy of NISSAN NORTH AMERICA, INC.
GNSABKIA9415GB-415Courtesy of NISSAN NORTH AMERICA, INC.